时间:2023-09-01 14:30
人气:
作者:admin
电容器:负电压发生器

该电路的瞬态仿真会产生具有熟悉模式的波形(图2);如果您花了一些时间在电子实验室中试验电路,您可能已经看到了类似的东西。

显然,我们已经产生了负电压。我不会称之为负电压电源,因为该电路不能产生稳定的负电压来为其他组件供电;然而,该仿真表明,负电压并非仅由复杂电路产生的奇异现象。
考虑到这一点,这里到底发生了什么?一起来看看吧。
当源电压从0V转换到5V时,电容的左侧也会转换到5V;电容器的正源极端子和左侧端子实际上是相同的节点,因此它们必须具有完全相同的电压。图中标记为V(load)的电容器右侧端子的电压跟踪源电压的上升沿,因为电容器对快速变化的电压几乎是“透明的”。
当源电压稳定在5V时,电容器充电。电容器现在的功能类似于开路,这意味着它可以阻止本来由源电压提供的电流,并开始通过电阻放电。当源电压转换回0V时,电容器部分放电,这就是事情变得有趣的地方。
源电压从5V跳升至0V,但电容两端的电压不能瞬时变化——电容需要时间来释放其存储的电荷。由于电容器的左侧端子与电源的正极端子具有相同的电压,因此电容器的右侧端子必须快速降低5V,以使电容器两端的电压保持不变。如果电容器的右侧端子为1.5V,并且必须降低5V,则只有一个地方可以去:进入负电压区域。
正如我在前面的文章中所解释的,正电压和负电压都为电流提供能量,但对于负电压,电流从零伏参考节点流向负电压节点。如果我在绘图中添加电流迹线,我们可以在仿真中看到这种行为(图3)。

在图3中,请注意当负载电压为负时电流为负。负电流并不意味着通过导体的电荷运动“小于零”。它只是意味着电流的方向与参考方向相反。在此仿真中,流过电阻器的电流定义为正电流,由于负V(负载)导致电流从接地节点流出,然后向上流过电阻器,LTspice将电流识别为负电流。
电容器和开关:负电压电源
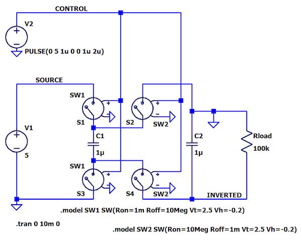
借助一些压控开关和额外的电容器,我们可以将电容器转换为负电压发生器,产生稳定的电压并为其他组件供电。考虑图4所示的电路;这是开关电容逆变器的LTspice版本。

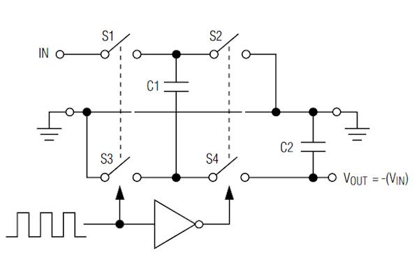
图5显示了一个更简化的逻辑示意图示例。基本思想是我们将电容器(C1)充电至输入电压(V在),断开充电电容器与输入电源的连接,然后将充电电容器连接到第二个电容器(C2),使C1的高压端子与C2的接地端子配对。这种开关技术迫使C2的另一个端子的电压降低V。在相对于地面的伏特。因此,输出电压变为负电压区域。

简化原理图中显示的数字逆变器可确保S1和S3导通,而S2和S4关断,反之亦然。在我的LTspice电路中,两个压控开关由同一个方波控制。我只是通过定义两个不同的软件模型来强加正确的开/关关系:
下面是LTspice原理图中标记为反相的输出电压图。

如果放大,我们可以在图7中看到,电路需要一点时间才能将其泵送到负VIN

使用LTspice了解负电压