时间:2023-07-25 21:21
人气:
作者:admin
如今随着这几年的USB-C PD适配器的普及,消费者手上的PD适配器越来越普遍,如何让以前的电源适配器也可以用上PD适配器呢?如此一来以前的电源适配器坏了,就不需要费心费力的寻找相同的适配器进行更换,甚至于只能将整个设备换掉。
不妨加入一颗受电端PD SINK取电芯片——FS8024A。小雅将为大家介绍FS8024A芯片TYPE-C转DC转接头的详细方案。
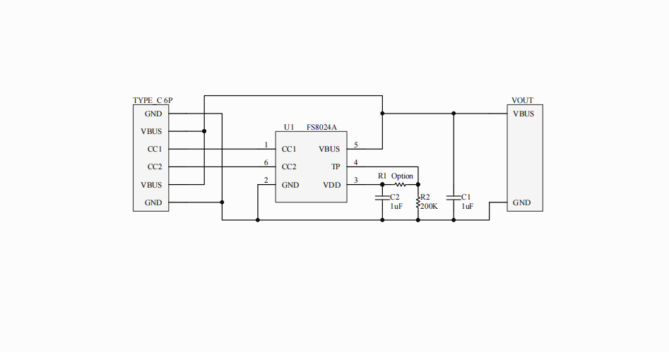
FS8024A 是泛海微电子针对 USB PD 协议开发的一款兼容 USB PD 的通信芯片。输入端主要接 PD 的适配器,输出端配置输出固定的电压。FS8024A 从支持 USB PD 的适配器取电,然后供电给设备。比如可以配置适配器输出需要的电压,给无线充电器设备供电。FS8024A支持PD诱骗取电芯片支持PD3.0。由Type-C PD 电源传输接收 SINK 端控制器芯片, FS8024A 可以从 Type-C PD 电源请求 FS8024A 设定的电压。 FS8024A 的 CC1 和 CC2 内置了下拉电阻,当连接 Type-C 电源时, PD 协议自动通讯,完成FS8024A 设定的电压请求通讯, 并输出通讯设定的电压。
特征
⚫ 支持外部电阻 R1 设置 PD 协议通讯电压: 9V,12V,15V 和 20V
⚫ 输入电压范围: 3V~28V
⚫ 支持 USB Type-C 规范 1.3
⚫ 支持 USB PD2.0 通讯协议
⚫ 支持 USB PD3.0 通讯协议
⚫ 封装形式: SOT23-6L
应用
⚫ 电动工具
⚫ 无线充电器
⚫ 路由器
⚫ 小家电
FS8024A芯片PD诱骗取电电路图

下一篇:蓝牙打印机无线数据传输方案