时间:2023-08-12 14:59
人气:
作者:admin
我们一般会在DC-DC电源的反馈端加前馈电容用于改善环路响应。
下面我们就举出列举出不同的前馈带内容对环路响应的改善程度。
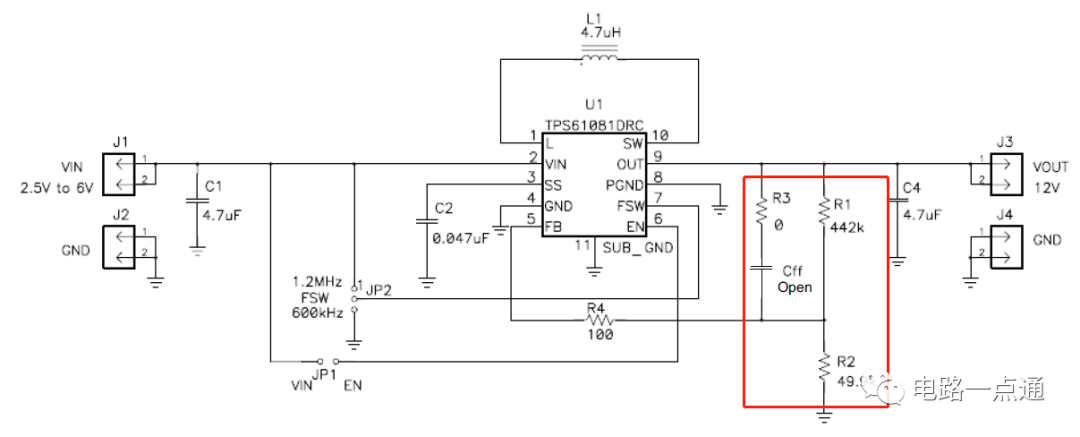
我们就以TPS61081为例,来说明问题。

TPS61081原理图

无前馈电容
1、无前馈电容,电源对负载的瞬态响应

无前馈电容
可以看出:电压调整时间为30ms,电压跌落达900mV,无振铃。
2、前馈电容取33pF时,电源对负载的瞬态响应

前馈电容为33pF
可以看出:改善较大,电源调整时间更短为22ms,电压跌落改善达到613mV,无振铃。
3、前馈带内容取82pF时,电源对负载的瞬态响应

前馈电容为82pF
可以看出:改善非常好,电源调整时间更短为14ms,电压跌落改善达到377mV,无振铃。
4、前馈带内容取1000pF时,电源对负载的瞬态响应

前馈电容为1000pF
可以看出:改善非常好,电源调整时间更短为9ms,电压跌落改善达到258mV,但是有振铃,说明在穿越频率处的相位裕量非常小,以至于电源的瞬态响应发生了震荡。
审核编辑:刘清