时间:2023-07-28 10:05
人气:
作者:admin
在伺服电机的控制系统中,为了实现高精度的控制要求,电动机转子位置的实时检测往往是解决问题的关键。光电编码器法,旋转变压器法, 霍尔传感器法是目前比较常用的电动机转子位置检测的几种方法。光电编码器虽然具有检测精度高的优点,但是它存在稳定性和抗干扰性差的不足,因此不宜应用在条件比较恶劣的场合中;而旋转变压器具有结构简单,坚固耐用,抗干扰性强的特点,因此广泛应用于各种条件恶劣的场合中。

旋转变压器原理
SC2161是一款高分辨率的旋变数字转换器,分辨率可达10位至16位,通过集成片上可编程正弦波振荡器,可以为旋转变压器提供正弦波激励。最大跟踪速率可达3125rps(10位分辨率),精度2.5弧分,并行和串行10位至16位数据端口,芯片额定温度范围为-40°C 至+125℃,非常适用于工业设计和高精度的场合。

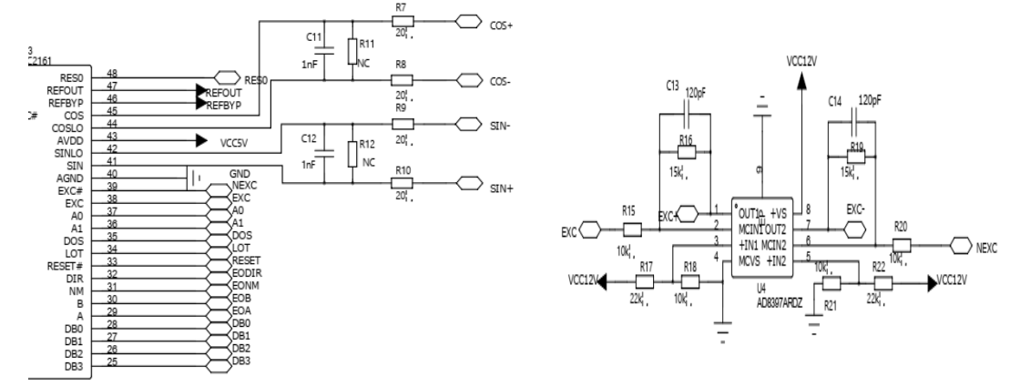
SC2161应用电路
SC2161旋转变压器产品特色:
1、比率跟踪转换Type II跟踪环路能够连续输出位置数据,且没有转换延迟。它还可以抑制噪声,并提供参考和输入信号的谐波失真容限。
2、系统故障检测:故障检测电路可以检测旋变的信号丢失、超范围输入信号、输入信号失配或位置跟踪丢失。各故障检测阈值可以由用户单独编程,以便针对特定应用进行优化。
3、输入信号范围:正弦和余弦输入端支持3.15Vp−p ±27%的差分输入电压。
4、可编程激励频率:可以轻松地将激励频率设置为2kHz至20kHz范围内的多个标准频率。
5、3种格式位置数据:通过16位并行端口或4线串行接口可以访问10位至 16位绝对角位置数据。增量式编码器仿真采用标准A-quad-B格式,并提供方向输出。
6、数字速度输出:通过16位并行端口或4线串行接口可以访问10位至16 位带符号的数字量速度。
SC2161与DSP之间可采用两种方式进行连接,即配置模式和普通模式。由于SC2161支持2.3V~5V逻辑电平,因此可以直接与DSP连接,避免了中间逻辑电平转换的环节。
注:如涉及作品版权问题,请联系删除。