时间:2022-09-15 11:05
人气:
作者:admin
随着物联网行业的不断发展,外围电路模块化已成趋势。以太网PHY应用广泛,需求量大,如何简化硬件设计,缩短开发时间,轻松实现嵌入式以太网功能呢?今天为大家介绍一款集成 PHY 和网络变压器的 RJ45 插座——ePort-M(百兆)/ePort-G(千兆)集成式RJ45插座方案。
图1 ePort系列RJ45插座选型表
嵌入式以太网功能实现架构
传统以太网分立电路示意图如下图 2 所示:

图2 传统分立电路示意图
ePort 模块方案将 PHY、网络变压器等元件封装进 RJ45 座子中,封装示意图如下图 3 所示。

图3 ePort 内部封装示意图
使用 ePort 模块进行电路设计时,只需完成 MCU 的 MAC 控制器和 ePort 模块管脚之间走线即可,无需处理 PHY 和网络变压器的外围电路布局和设计。

图4ePort 模块功能示意图
电路设计与应用一、ePort-M典型应用电路

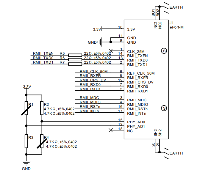
图5ePort-M典型应用电路
ePort-M 的电路如图 5 所示,在使用时,只需将 RMII 接口、MDIO 接口和以太网控制器连接即可,为保证通讯质量,需要在 TXD 组信号线串联 22Ω电阻,并且靠近以太网控制器端(一般是 MCU)放置。当需要一个 MDIO 连接多个 ePort-M 模块时,则需要在 ePort-M 模块的 12 和 15 管脚上选择焊接 R1/R2/R3/R4 上下拉电阻进行 PHY 地址配置。
二、ePort-G 典型应用电路

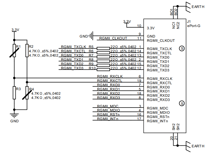
图6ePort-G典型应用电路
ePort-G 的电路如图 6 所示,在使用时,只需将 RGMII 接口、MDIO 接口和以太网控制器连接即可,为保证通讯质量,需要在 TXD 组信号线串联 22Ω电阻,并且靠近以太网控制器端(一般是 MCU)放置。当需要一个 MDIO 连接多个 ePort-G 模块时,则需要在 ePort-G 模块的 6 和 19 管脚上选择焊接 R1/R2/R3/R4 上下拉电阻进行 PHY 地址配置。
下一篇:LCD屏有几种类型?