时间:2022-06-08 18:09
人气:
作者:admin
兼容树莓派CM4定制产品
可选择同性能、同功能处理器设计兼容树莓派CM4产品,功能、尺寸大小、引脚定义、接口定义、软件操作等一致化,成本更优,交期更有保障。

提供产品定制与底板定制服务
针对不同项目需求或应用场景需求,万象奥科提供行业解决方案定制、产品定制或底板定制服务。

Compute Module 4树莓派计算模块
树莓派Compute Module 4非常强大,功能紧凑,可用于深度嵌入式应用。它集成了一个四核ARM Cortex-A72处理器、双视频输出和其他多种接口,并提供丰富的,可供选择的 RAM、eMMC闪存规格和无线模块规格。

全新升级 全新体验
CPU升级为BCM2711,四核Cortex A72 64位处理器,性能更强劲。

多种通信方式 畅享精彩网络
板载双频WiFi和蓝牙模块,新增PCle接口扩展,可以灵活添加相关模块,可连接板载PCB天线和外置天线,更适合工业应用。

小小身材 功能非凡
CPU 升级为BCM2711,四核Cortex A72 64位处理器,性能更强劲,更多内存选择(1GB/2GB/4GB/8GB),适合做大型的数据编译,更高速的eMMC闪存,传输速率高达100 MBytes/s,比 CM3+快4倍。
增加无线模块选项,采用和Pi4B相同的WiFi和蓝牙模块,提供了板载PCB天线和外置天线,更适合工业应用。
采用板对板接插件设计,改变了前几代CM系列金手指设计,增强稳定性,增加板载千兆以太网设计,支持IEEE1588,适合网络应用开发,增加PCle接口扩展,可灵活添加相关模块。

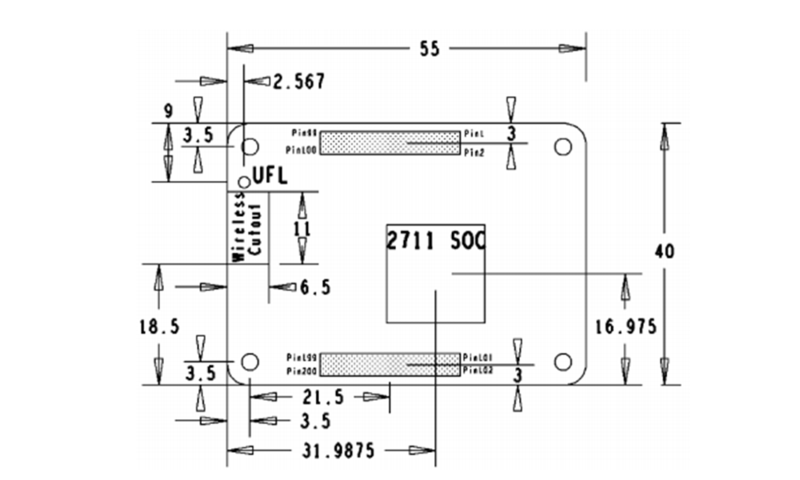
硬件标识

产品参数
上一篇:com-335x v1.2
下一篇:Com-X40i v1.1