时间:2022-05-27 10:53
人气:
作者:admin
GPMC(General Purpose Memory Controller)是TI处理器特有的通用存储器控制器接口,是AM335x、AM437x、AM5708、AM5728等处理器专用于与外部存储器设备的接口,如:
● 类似于异步SRAM内存和专用集成电路(ASIC)设备。
●异步,同步,和页面模式(仅适用于非复用模式)突发NOR闪存设备。
●NAND闪存。
●ADC器件。

图 1GPMC概述
2GPMC并口特点
为什么工业领域在与FPGA/ADC通信的时候,更喜欢使用GPMC接口呢?本文给出3个理由,那就是:高带宽、连接模式丰富、配置灵活。具体如下:
PS:下文将介绍基于AM570x GPMC的ARM + FPGA通信案例、多通道AD(AD7606/ADS8568)采集综合案例。
(1)高带宽,速率可达100MB/s以上
以AM57x为例,通过GPMC接口与FPGA连接,采用DMA的方式读取FPGA端的数据,速度可达69MB/s,实际上通过配置GPMC接口的时序参数和不同工作模式,速率可超过100MB/s。
(2)连接模式丰富,灵活的8位和16位异步存储器接口
由于有gpmc_ad[15:0] 16个信号引脚可支持地址线与数据线复用和非复用模式,这让GPMC与外设的连接模式变得很丰富,可以和宽范围的外部设备通信,如:
●外部异步或同步8-bit位宽内存或设备(非突发设备)
●外部异步或同步16-bit位宽内存或设备
●外部16-bit非复用NOR Flash设备
●外部16-bit地址和数据复用NOR Flash设备
●外部8-bit和16-bitNAND Flash设备
●外部16-bit伪SRAM(pSRAM)设备
下面介绍几种连接模式。
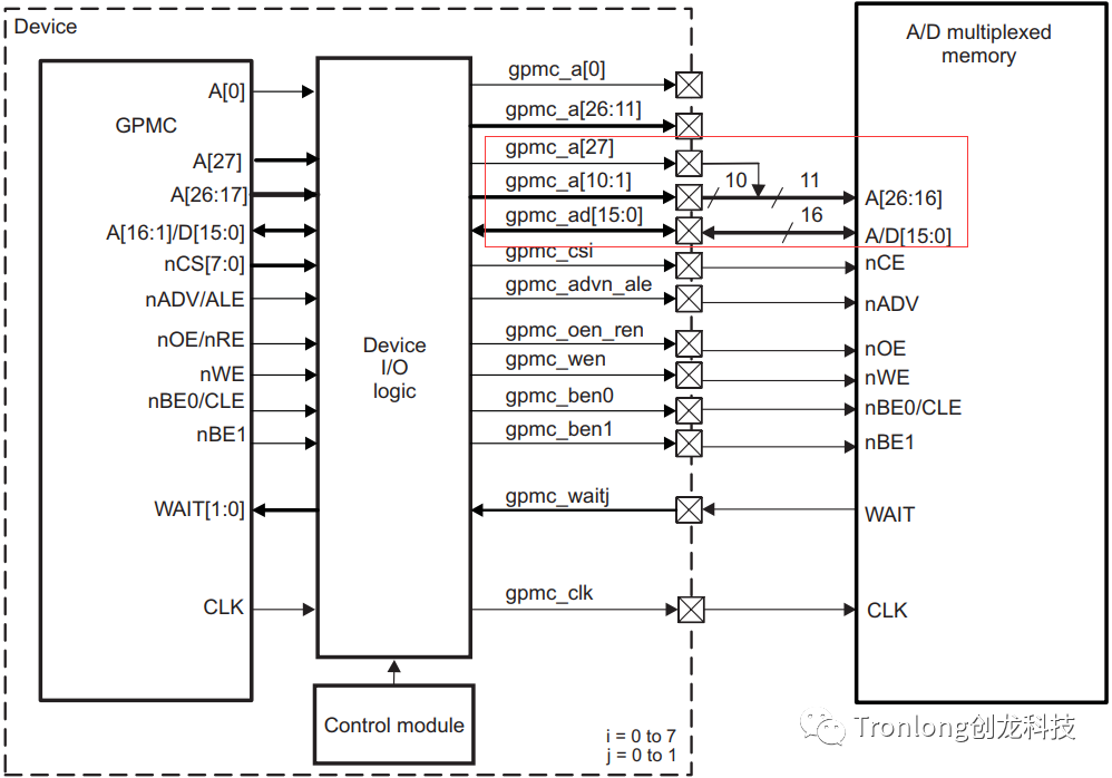
1)16-bit Address/Data Multiplexed(地址线与数据线复用模式)

图 2
2)16-bit Nonmultiplexed(地址线与数据线非复用模式)

图 3
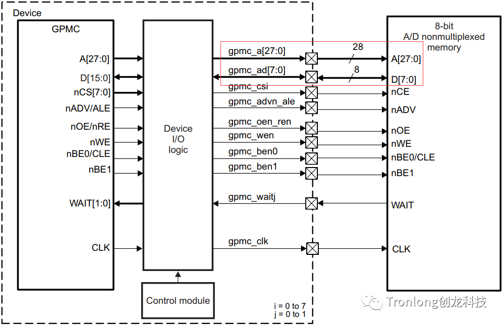
3)8-bit Nonmultiplexed(地址线与数据线非复用模式)

图 4
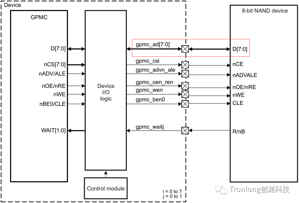
4)8-bitNAND(仅使用数据线模式)
此模式适用于无需地址线的场合,例如GPMC与NAND FLASH连接。NAND FLASH无需地址线,通过数据线D[x:0]发送读写命令,进行数据读取/写入。

图 5
(3)配置灵活,具有多达8个片选
GPMC基本编程模型提供了最大的灵活性,以支持八个可配置片选中不同的时序参数和位宽配置。可根据外部设备的特点,使用最佳的片选设置。
●可选择不同的协议,以支持通用异步或同步随机访问设备(NOR闪存,SRAM)或支持特定的NAND器件。
●地址和数据总线可在同一个外部总线上复用。
●读和写访问可独立定义为异步或同步。
●系统请求(字节,16位字,突发)是通过单次或多次访问进行。外部设备访问配置文件(单或多个优化的突发长度,本地包或仿真包)是基于外部设备特性(支持协议,总线宽度,数据缓冲区大小,本地包支持)。
●系统突发读或写请求是同步突发(多个读,或多个写)。在没有突发或页面模式时是由外部存储器或ASIC设备支持,系统突发读或写请求转换为连续单一的同步或异步访问(单一读,或单一写)。仅在单一同步或 单一异步读或写模式下支持8位宽的设备。
为了模拟一个可编程的内部等待状态,一个外部等待引脚可被监控,以在开始(初始访问时间)和突发访问期间动态的控制外部访问。

图 6GPMC框图
创龙科技基于AM5708、AM5728设计的工业评估板——TL570x-EVM、TL5728-EasyEVM,由核心板和评估底板组成。核心板经过专业的PCB Layout和高低温测试验证,稳定可靠,可满足运动控制、工业PC、机器视觉、智能电力、视频监测等工业应用环境。
* AM5708

图7SOM-TL570x核心板

图8TL570x-EVM开发板
* AM5728

图9SOM-TL5728核心板

图10TL5728-EasyEVM开发板


图 11
本文讲解基于AM570x GPMC的ARM + FPGA通信案例、多通道AD采集综合案例。
DSP端使用EDMA将数据搬运到指定的内存空间物理地址(GPMC片选基地址),再将数据读取回来并保存到DSP端L2SRAM,并校验数据读写的正确性、计算数据读写速率。ARM端通过MessageQ发送读写地址与读写大小到DSP端,DSP端读写对应内存空间,并返回传输时间及传输速率到ARM端。GPMC的初始化由ARM端驱动程序实现。
程序工作流程框图如下所示。

图 12
将TL-HSAD-LX采集卡通过TL-HSAD-LX-PinBoard转接板和软排线,插到TL570x-EVM评估板的GPMC拓展接口J5上,并使用5V2A电源给TL-HSAD-LX采集卡供电,硬件连接图如下。

图 13

图 14测试结果
EDMA单次传输数据大小为2KByte(0x800),总共循环100次。如需再次测试读写速度,请重新运行DSP端程序。
从上图可看到本次测试的误码率为0%(errcnt: 0);平均写入时间约为101us,写入速率约为38.53MB/s;平均读取时间约为118us,读取速率约为32.98MB/s。
备注:本次测试板卡通过软排线的形式连接,软排线的长度会影响误码率和读写带宽,目前测得最高速率为38.53MB/s(写入速率)。如将FPGA设计于底板,最高速率可到69MB/s(写入时间为28us)
AM570x DSP端使用EDMA通过GPMC接口采集AD7606或ADS8568模块8通道的AD信号,同时由DSP端对其中6通道的AD信号进行FFT处理,最后将8通道时域数据和经FFT处理的6通道频域数据保存到DSP端L2SRAM中,可通过仿真器与CCS软件查看对应通道的时域波形和频域波形。
程序保存通道0的时域数据和经FFT处理的频域数据至CMEM(共享内存)空间,通过IPC组件通知ARM端读取该通道的时域数据和频域数据,使用Qt在LCD显示屏上进行波形绘制,最后将数据保存到文件中。
本案例默认配置AD7606模块采样周期为6us,即采样率约为167KHz;配置ADS8568模块采样周期分别为5us,即采样率为200KHz。程序工作流程框图如下所示:

图 15
将Tronlong的TL7606I(AD7606)模块或TL8568I(ADS8568)模块插入评估板GPMC扩展接口,并对模块进行独立供电。TL7606I模块使用5V电源供电,J1跳线帽连接到0,使用±5V量程。TL8568I模块使用12V电源供电,软件已配置为±12V量程。
将模块的待测输通道正确连接信号发生器,信号发生器输出频率为4KHz、峰峰值为2Vpp(即幅值为1V)的正弦波信号。待测信号电压请勿超过模块量程,否则可能会导致模块损坏。评估板接入LCD显示屏,并通过仿真器连接到PC机。硬件连接示意图如下:

图 16TL7606I模块硬件连接示意图

图 17TL7606I模块硬件连接示意图

图 18TL8568I模块硬件连接示意图
程序运行后,即可在LCD显示屏上看到通道0的时域波形和频域波形。

图 19时域波形

图 20频域波形