时间:2022-05-06 10:24
人气:
作者:admin
DIY开发板很难吗,大二的同学都可以!
从0开始DIY一块属于自己的开发板,并适配代码让其跑起来,这应该是每个刚入门的嵌入式工程师的心愿。许多小伙伴应该还都停留在“我想做”的阶段,但还没有付诸行动。今天小编来给大家分享几个基于全志芯片的开源项目。每个项目都包含了原理图和PCB文件供大家学习参考,还在等什么,赶紧动手做起来吧!
PS.文末还有更多电子工程师资料和定制礼品可以领取哦~
开源项目1:全志XR32芯片DIY自己的开发板

作者:柚木鉉
芯片:全志XR32
项目简介:
本项目使用全志官方支持的FreeRTOS系统,适配自己做的开发板,代码全部开源。
项目计划
一个大概5cm*2cm的小型开发板
板载电源灯与点灯必备IO灯
板载USB转UART
一个复位按键一个下载按键
TF卡槽
SPI Flash
摄像头CSI的FPC接口
板形为通孔+邮票孔外围
✦
✦
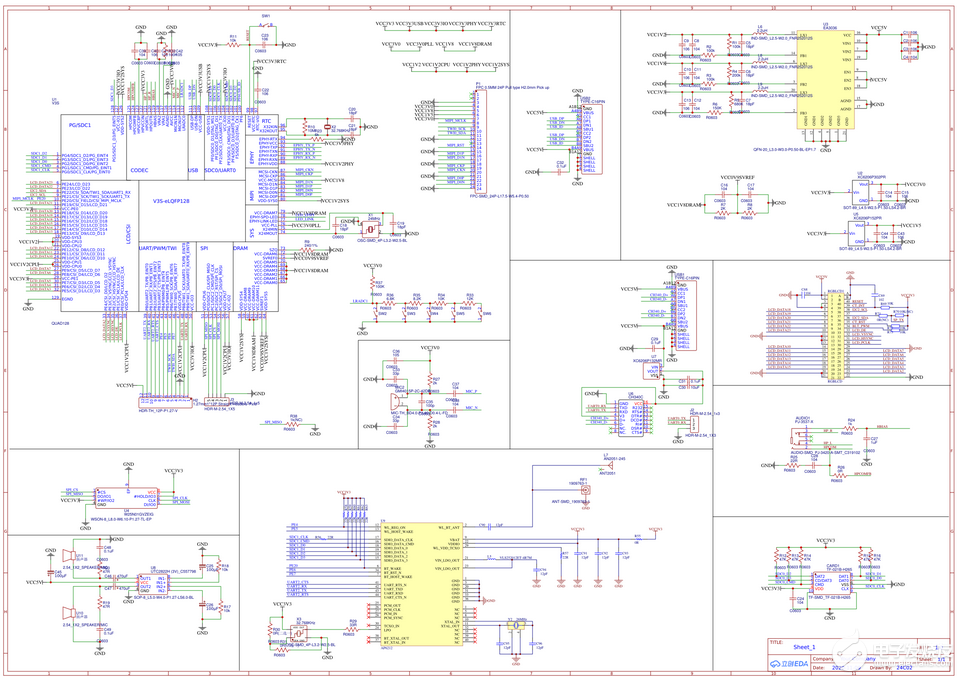
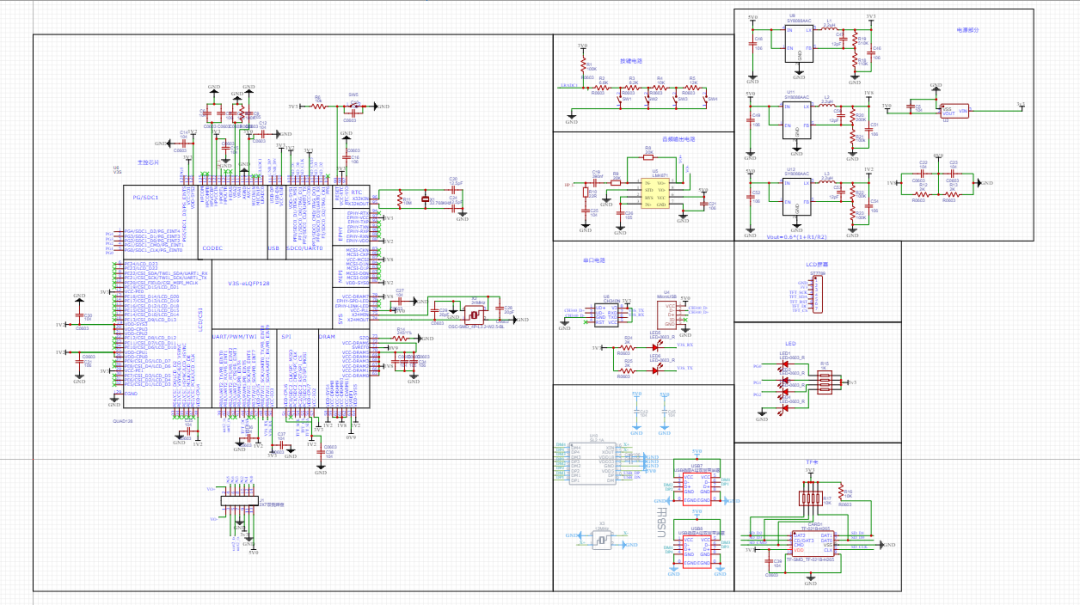
开源项目2:全志V3S(原理图+PCB文件)

作者:24c02
芯片:全志V3S
项目简介:
全志V3S,参照的荔枝派,但是自己加了很多东西,如AP6212,和屏幕接口,改了很多地方,好久没开源项目了,开源个这个吧。芯片好焊便宜价格才十几二十块,还内置64MDDR,二十块钱的芯片还要什么自行车,现在系统已经跑起来了,还在改一些外设驱动。
✦
✦
开源项目3:带WiFi的开源D1s开发板 Xassette-Asterisk升级完成

作者:SdtEE
芯片:全志D1S
项目简介:
作第一版开源D1s开发板Xassette-Asterisk自公开已经过去一个多月了,在此期间,这个项目在国内外爱好者和科技媒体间颇引起了一些关注,我也非常高兴地看到有数位来自国内外的爱好者成功进行了仿制,充分印证了这个设计很好地达到了易自制的目标。为了不负大家的关注与期待,我在几周前开始了第一版基础上的改进版的设计与验证工作,现在终于可以把成果公开了。
✦
✦
开源项目4:全志v3S开发板(原理图+PCB文件)

作者:lengyuefeng
芯片:全志V3S
项目简介:
我准备在我购买的荔枝派主板上进行移植linux,花费了一段时间,移植好了uboot,zImage,和根文件系统,最后也成功启动了。
✦
✦
开源项目5:全志H3四层板制作分享,从开始学allegro 到完成第一块高速板

作者:laplace
芯片:全志H3芯片
项目简介:
作者分享了自己学习Allegro的学习过程, 在参考了论坛大佬们H3的项目分享后,也自己画了PCB文件,想要学习的同学也一起来看看吧!
配置:
USB*2
HDMI
耳机
按键*1
1个自定义LED
1个MPU6050的陀螺仪
DDR3 512M *2
EMMC 5.0
WIFI
TF卡
✦
✦
开源项目6:小白开源V3S miniPC小电脑

作者:MajorTom
芯片:全志V3S
项目简介:
1、板载USB_hub,摄像头网卡均使用外置,所以足够的USB接口十分重要。
2、使用TFT_LCD显示屏幕,屏幕驱动芯片为ST7789.
3、使用TC8002D功放芯片驱动喇叭(未实现,原因未知,仍在排查)
4、串口部分使用CH340N,引脚较少,节省体积。
5、电源部分3.3,1.8,1.2使用sy8088aac DC-DC芯片,供电量比较给力,不发热。
6、增加用户LED与串口指示灯。
7、ADC按键。
8、使用四层PCB。
福利大放送
01
留言点赞前五名送发烧友定制公仔
1、点击阅读原文,在活动帖子评论区分享你的开源项目经历,转发文章让更多的朋友为你的评论点赞。
2、活动结束后,小助手会在活动帖子评论区回复兑换奖品。
3、活动截止日期为2022年5月7日17:00。
02
加入交流群,领电子工程师项目资料
加群→发分享文章截图给管理员→领取资料

发烧友技术交流群

往期优秀项目