时间:2022-01-24 15:24
人气:
作者:admin
本文主要介绍创龙科技(Tronlong)基于全志T3/A40i处理器设计的全国产方案参数,主要包括CPU、ROM、RAM、电源、网口PHY、SPI转CAN芯片等。
创龙科技T3/A40i核心板采用100%国产元器件方案,并经过专业的PCB Layout和高低温测试验证,稳定可靠,可满足各种工业应用环境。创龙科技T3/A40i评估底板大部分元器件均采用国产方案,方便用户快速进行产品方案评估与技术预研。

图 1核心板正面图

图 2核心板背面图

图 3核心板硬件框图
1CPU
核心板CPU型号为全志科技T3/A40i(T3与A40i管脚兼容),LFBGA封装,工作温度为-40°C~85°C,引脚数量为468个,尺寸为16mm*16mm。处理器架构如下:
表 1

图 5T3处理器功能框图

图 6A40i处理器功能框图
2ROM
核心板通过SMHC(主机控制器)连接至eMMC,使用SDC2总线,采用8bit数据线。eMMC型号兼容江波龙(Longsys)公司的FEMDRW008G-88A37(8GByte)、康盈(Kowin)公司的KAS0311D(8GByte)。
3RAM
核心板通过专用SDRAM总线连接2片DDR3,分别采用16bit数据线,共32bit。DDR3型号兼容紫光国芯(UniIC)公司的SCB13H4G160AF-11MI(512MByte)和SCB13H8G162BF-13KI(1GByte)、江波龙(Longsys)公司的F60C1A0004-M79W(512MByte),支持DDR3-1152工作模式(576MHz)。
4晶振
核心板采用两个工业级晶振Y1和Y2。Y1用作CPU内部RTC使用。Y2为CPU提供系统时钟源。
--------------------------------------
Y1型号:SF20WK32768D31T007
厂家:江苏长晶科技有限公司
时钟频率:32.768KHz
精度:±20ppm
--------------------------------------
Y2型号:CJ13-240001220B30
厂家:泰晶科技股份有限公司
时钟频率:24MHz
精度:±10ppm
5 电源
核心板采用专用工业级PMIC电源管理芯片,满足系统的供电要求和CPU上电、掉电时序要求,核心板采用5V直流电源供电。
PMIC型号:AXP221s,68-pin QFN封装
厂家:深圳芯智汇科技有限公司
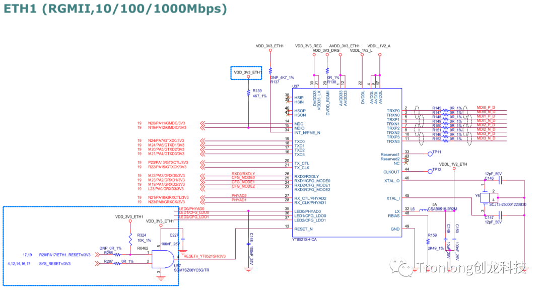
6 网口
评估板包含1个RGMII ETH千兆网口和1个MII ETH百兆网口。
RGMII ETH千兆网口
T3/A40i处理器内部集成1个GMAC控制器,支持1路RGMII千兆网口。
PHY型号:YT8521SH-CA,10/100/1000M自适应
厂家:苏州裕太车通电子科技有限公司

图 7

图 8

图 9

图 10
MII ETH百兆网口
T3/A40i处理器内部集成1个EMAC控制器,支持1路MII百兆网口。
PHY型号:YT8512H,10/100M自适应
厂家:苏州裕太车通电子科技有限公司

图 11

图 12

图 13

图 14
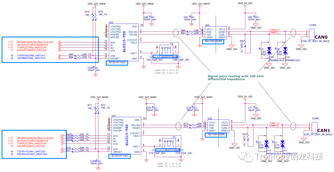
7 CAN
评估板通过SPI2总线(2个片选)拓展引出的2路CAN接口。
SPI转CAN芯片型号:SIT2515T-ISO
厂家:芯力特电子科技有限公司
性能:兼容“ISO 11898”标准,速率高达1Mbps

图 15CAN接口原理图