时间:2022-06-02 09:43
人气:
作者:admin
LGA1151第8代Intel Core i7/i5/i3/ Pentium/Celeron母板 支持独立三显, DDR4, USB 3.1, SATA 3.0

Intel第8代Core i7/i5/i3/Pentium/Celeron处理器, Q370芯片组
4个DIMM插槽,最高支持64 GB DDR4 2400/2666
支持三显示VGA/DVI-D/DP和双GbE LAN
支持SATA RAID 0, 1, 5, 10, USB 3.1
支持Intel vPro, AMT & TPM技术
注1: TPM模块需要使用Intel vPro和TPM技术
注2:Intel第八代处理器,仅支持Windows 10(64-bit)





研华AIMB-786G2同款产品枭杰科技ATX嵌入式工业级ATX主板IAMB-Q37JW-00AE支持8th/9th代IntelCore i7/ i5 /i3, PentiumCeleron LGA1151 Socket智能处理器

1. 英特尔 Coffee Lake 处理器 (最高 95W TDP)
2. 4 * DDR4 2666MHz U-DIMM 最高支持 128GB (ECC仅限C246)
3. 2 * 10/100/1000 Base-TX 网口
4. 1 * HDMI, 1 * DP, 1 * VGA, 1 * DVI-D
5. 10 * COM (COM1/2 支持 RS232/422/485), 4 * USB3.1 Gen.2, 4 * USB3.1 Gen.1 & 4 * USB2.0
6. 2 * PCIe x16 槽, 1 * PCIe x4 槽, 1 * PCIe x1 槽, 2 * PCI 槽, 1 * M.2 (PCIex4 SATA 接口, M-key支持NVMe, 2242/2260/2280/22110), 1* M.2 (2230, E-key)
7. 5 * SATA III (6Gb/s) 支持 RAID 0, 1, 5, 10
8. 支持 TPM1.2/2.0 (板载可选)


| Model | ||
| Dimensions | – IAMB-Q37JW | |
| Dimensions | – IAMB-Q37JW-00AE | |
| Form Factor | ||
| Dimensions | – ATX (305 * 244mm) | |
| Processor System | ||
| CPU Generation | – Intel LGA1151 Gen 8 Coffee Lake Processor (Max. 95W TDP) | |
| CPU SKU | – Core i7/i5/i3, Pentium, Celeron | |
| Core Number | – (by CPU) | |
| Max Speed | – (by CPU) | |
| L2 Cache | – (by CPU) | |
| Chipset | – Q370 | |
| BIOS | – AMI Flash ROM | |
| Expansion Slot | ||
| PCI | – 2 | |
| PCIe | – 1 * PCIe x1, 1 * PCIe x4, 2 * PCIe x16. Support NVMe * Note: there are two configurations if plug one PCIe x16 card in one slot, the other slot is disable; or plug one PCIe x8 card in one slot, the other slot is able to plug one PCIe x8/x4/x1 card | |
| M.2 (E-key) | – 1 (E-key, 2230) | |
| M.2 (M-key) | – 1 (PCIex4 with SATA interface, M-key support NVMe, 2242/2260/2280/22110) | |
| SIM Card Holder | – 0 | |
| Memory | ||
| Technology | – DDR4 2666MHz Dual CH SDRAM non-ECC | |
| Max. | – 128GB | |
| Socket | – 4 * U-DIMM | |
| Graphics | ||
| Controller | – Intel HD Graphics | |
| VRAM | – Shared Memory | |
| VGA | –1 (Max. Resolution: 1920×1200@60Hz) | |
| HDMI 1.4 | –1 (Max. Resolution: 4096×2160@30Hz) | |
| DVI-D | –1(Max. Resolution: 1920×1200@60Hz) | |
| DisplayPort | –1 (Max. Resolution: 4096×2304@60Hz) | |
| Multi Display | –Triple Displays | |
| Ethernet | ||
| Ethernet | – 10/100/1000 Mbps | |
| Controller | – 2 * Intel GbE (1 * i219LM, 1 * i211AT) | |
| Connector | – 2 * RJ45 | |
| Audio | ||
| CODEC | – HD Audio : REALTEK ALC662 | |
| Channel | – 6 Channel | |
| SATA | ||
| Max Data Transfer Rate | – 5 * SATAIII support RAID 0, 1, 5, 10 | |
| Rear I/O | ||
| VGA | – 1 | |
| DVI-D | – 1 | |
| HDMI | – 1 | |
| DisplayPort | – 1 | |
| Ethernet | – 2 | |
| USB | – 4 * USB 3.1 (Gen. 2) & 2 * USB3.1 (Gen. 1) | |
| Audio | – 3 (Line-In, Line-Out, MIC) | |
| Serial | – 1 (COM1 support RS232/422/485) | |
| Internal Connector | ||
| USB | – 2 * USB3.1 (Gen. 1), 4 * USB 2.0 | |
| PS/2 | – 1 | |
| Serial | – 9 (COM2 support RS232/422/485) | |
| SATA | – 5 * SATAIII | |
| M.2 (E-key) | – 1 (E-key, 2230) | |
| M.2 (M-key) | – 1 (PCIex4 with SATA interface, M-key NVMe, 2242/2260/2280/22110) | |
| GPIO | – 1 (8 bit) | |
| Chassis intrusion | – 1 | |
| Audio Header | – 1 | |
| SMBUS | – 1 | |
| AT mode | – 1 | |
| TPM | – 1 (on board option) | |
| Watchdog Timer | ||
| Output | – From Super I/O to drag RESETCON# | |
| Interval | – 256 segments (10sec ~ 255min) | |
| Power Requirements | ||
| Input PWR | – ATX PWR (8+24 pin) | |
| Power On | AT/ATX Supported – AT : Directly PWR on as Power input ready – ATX : Press Button to PWR on after Power input ready | |
| Certifications | ||
| Certifications | – CE, FCC, LVD, RoHS, REACH | |
| Environment | ||
| Temperature | – Operating: 0°C ~ 60°C | |
| – Storage:-20°C ~ 85°C | ||


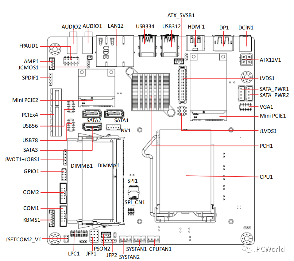
现货销售研华Mini-ITX工控主板AIMB-285G2
Intel Core i7/i5/i3 LGA 1151 Mini-ITX 带 DP/HDMI/VGA, 2 COM, 4 USB3.0, Dual LAN, PCIe x 4,mini PCIE, DDR4, DC 输入
支持TPM 1.2 / 2.0 (可选)
支持12V DC输入
支持双屏显示:DP/HDMI/VGA/LVDS(可选)
支持 PCIe x 4 (Gen 3), 1个F/S miniPCIe 1个H/S miniPCIe, 4个USB 3.0和3个SATA III
两个 260-pin SO-DIMM最高可达16GB DDR4 2133 MHz SDRAM
支持 Intel 6th Gen Core i 处理器(LGA1151) 带Intel H110 芯片组

