时间:2023-06-15 16:52
人气:
作者:admin
02
PART
做什么
1
滤波电容
电容作为滤波功能使用是电容的一项重要特性。滤波功能利用的是电容的阻抗随频率变化的特性(前面说过电容是一个跟电阻差了90度并且随着频率变化的器件),再利用电阻篇讲的 分压原理 ,就可以构成简单的无源RC滤波器了。滤波指的是滤出不需要频率的波形,滤波器的类型有低通、高通、带通、带阻。
举个例子:
设计一个频率为1Kz的一阶低无源低通RC滤波器。
先确定滤波器的形状和电容的大小,然后再求出电阻的值。
首先电容不可能是串联在电路中,如果串联在电路中那么直流没法通过,那么就不是低通滤波器了。因此确定了如图所示的 分压模式 。
电容的选取,有很多讲究。需要要根据输入输出阻抗,滤波器要求的精度,频率大小,现有电容器种类等选择。这里先选择一个100nF的电容,因为高精度的电容容值都不大,并且1Kz频率下100nF电容的阻抗约等于1.59K,那么对应的电阻R1也在1k左右,电阻在1K-10K之间是工程师最常用的,因为阻值在这个范围电阻的功耗不大,并且热噪声也相对较小(电阻越大热噪声越大)。
因此先确定电容为100nF。那么可能有人会问,为什么不先确定电阻,再选电容呢?这就要考虑实际情况了,因为电阻的种类比电容多很多,选取相对容易,因此这里要先定电容,再根据电容的阻抗选取电阻。

接下来让我们分压公式,来计算这个滤波器输入输出关系

滤波器通带的-3dB截止频率为

根据复数的模值计算方法

通过公式可以看出一阶无源RC滤波器-3dB截止点,只需要
也可以通过复平面的方法直观描述,如下图所示:

1+jwC的复平面表示
通过复平面可以看到
模值随着w增加而增加,而
则减。上面已经求得,在滤波器通带截止的时候输出输入的关系是
,那么通过复平面很容易发现,当wRC=1的时候,模式为
,并且通过图形可以直观看出相位差了-45度。
把
带入仿真软件Multisim中,观察器幅频和相频特性。


仿真的幅频和相频特性跟理论分析一致。
滤波器的分析是利用电容阻抗分压原理进行计算的。电容的测量也可以利用与已知电阻,阻抗分压原理计算。
如下图所示,R1是已知电阻为1.59k,输入信号为Vi,通过测量输出信号Vo求未知电容C1的值。

这里抛出一个问题:如果测量的电压Vo刚好是总电压Vi的一半,那么电容的阻抗刚好等于R1吗?(我们知道如果C1是电阻的话,可得测试待测电阻大小就为R1)在之后的RLC测量篇中我会详细介绍。
2
隔直电容
隔直电容严格的讲归类在滤波电容里面,只不过隔直电容太过重要且常用,因此单独拿出来讲解。
隔直电容利用的是电容阻直流通交流的性质。
在工程应用或者竞赛中,经常会要求输出正负对称无直流分量的波形,因为直流不仅不携带信息(直流也可以携带信息,但相对于交流携带信息太少),而且还会增加系统的功耗或者导致系统饱和。
举个例子:
我们用的DA芯片基本都是单极性的,只能输出正值0V以上的波形,那么怎么变成正负对称的呢?全部是单电源的系统怎么输出双极性的波形呢?
如下图所示,选择一个合适的隔值电容C1串连在系统中,就可以解决这些问题。
通常隔直电容容值都比较大,那么到底有没有一个明确的选择标准呢?当然还是有的,隔直电容需要根据频率和负载电阻来选择。如果你仔细观察的话,隔直电容和负载电阻其实还是构成了一个 分压网络 ,可以归类到高通滤波器。在滤波电容那里我们得到一个结论就是当电阻的阻抗等于电容的阻抗的时候,刚好在通带的截止频率处,此时
,我们这里只是想把直流分量去掉,对交流分量不作衰减,因此需要让 电容的阻抗远小于电阻的阻抗 ,这样交流信号在负载电阻上分到的电压就远大于电容上的电压,即需要的交流电压全部加在负载上,此时交流分量
。


知道了怎么利用电容把非对称的波形变成对称的了之后,反过来怎么给对称的波形,加一个直流分量呢?

这里的电容C1也叫做耦合电容,当频率高的时候隔离电阻可以换成电感,这样效果更好。想让偏执电压受控的话,可以把这电源VDC换成DA,或者接一个电位器手动调节。这里还利用到直流通路和交流通路的概念,以后会详细讲解。

3
去耦电容
去耦和旁路可以算成一类,都是利用电容把高频噪声导入GND,是电容中应用最广的一类。
去耦电容常用在芯片电源管脚处,距离管脚越近越好,一般是用容值一大一小的两个电容,并且电容要放在电流的入口处,小电容在里面,大电容在外边。小电容滤高频,大电容滤低频。去耦电容一般选取0.1uF和10uF。
电源的干净程度(噪声多少)决定了整个系统性能的优良程度,电源噪声一部分是电源自身产生的,比如开关电源的开关噪声,还有很大一部分是芯片工作的时候产生的耦合到电源上,比如数字芯片,会按照固定的Clock运行,门级开关的导通与断开或者大功率器件的按照一定时序工作,都会让电源产生一定程度的波动。为了不让产生的这些噪声,影响到别的器件正常工作,或者影响到自身的正常工作,需要在芯片电源管脚处加电容进行去耦。
关于电源去耦还有很多知识,在电感和EMI的文章中以后将会详细介绍。

这里在稍微讲解下为什么是小电容滤高频,大电容滤低频。
大家有没有很好奇大电容滤低频可以理解,那么为什么大电容不能滤高频呢,不是电容越大频率越高,阻抗就越小,滤波效果就越好吗?那电源去耦那里直接用一个大容量又便宜的电解电容不就解决了吗?为什么一般的芯片管脚都用两个一大一小的电容甚至有些射频芯片还用4个呢?
通过下面的这张不同容值的电容阻抗随频率变化的图就可以看出了,前面在延伸阅读那里有提到,实际的电容模型,存在串联电感,因此阻抗不会随着频率升高一直下降,存在一个谐振点,过了谐振点电容器整体呈感性,随着频率升高阻抗变大。
电容越大串联电感就越大,谐振频率就越低,导致大容量的电容在高频的时候还没小电容阻抗低,也就是 大电容在高频滤波效果不如小电容 。

4
储能电容
储能电容一种是用在电源入口出,或者大功率器件旁边,为了减少因为功率器件突然工作产生时,电源响应速度不够,而带来电压波动。
还有一种是在开关电源中和电感一起作为储能元件使用。
可以把稳压电源想象成为如下的一种情形:当试图从一个直径较大的自来水管中取出连续不断的且较小的水流时,可以采用两种策略:一种是使用一个转接阀门,并将阀门开启在较小位置,这就是线性电源的工作原理(可以将阀门看作晶体管)。
线性电源的电压调整晶体管上承受着很大的“压力”(具体的表现是转换为热能的形式散耗);或者,可以改进一下,让大水管的水流到一个比较大的“水桶”里,小水管连接到这个水桶上取水,接着,需要做的就是断续的打开/关闭大水管上的阀门,保证水桶内的水既不会完全没有,也不会因为太多而溢出——开关电源的基本原理就是如此。
这里的电容和电感储存能量就是充当“水桶”的概念,负载RLoad在电容电感上获取能量。

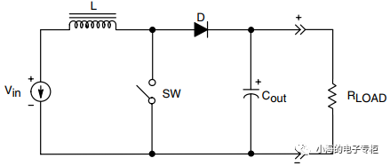
Buck电路(降压)

Boost电路(升压)
5
谐振电容
谐振电容与电感一起组成LC谐振电路,有时候也叫做LC震荡电路。包括LC串联谐振和LC并联谐振。谐振电路广泛应用在滤波、选频、调谐等电路。谐振电路以后会详细介绍。
03
PART
买什么
如何选取电容很大程度上取决于电容的用途。因为设计时要寻求成本和性能的最佳平衡,所以必须考虑所用场合,例如:隔直耦合和旁路选择低精度的电容,因为这三种用途对容值变化不敏感。滤波、谐振之类的则需要用高精度的电容,电源设计需要高功率,高耐压的电容。
下面介绍说下我在工程上常用的电容:
跟电阻一样这里推荐使用购买全系类的电容样品本,里面是NP0和XR7系列的贴片MLCC。性能优良,但是缺点就是机械性能不好,容易断裂,不能长时间焊接,温度也不能太高,反复焊接电极容易脱落。在做PCB高频小型化的时候建议使用。
还有购买系列的独石电容,机械性能很好,建议做高精度滤波器的时候使用独石电容(NP0和X7R)。尤其是在洞洞板(万用板)上焊接的时候,如果你使用贴片电容,你会发现焊好的滤波器摔下就坏了,所以建议在洞洞板上焊接滤波器,使用独石电容。
电解电容价格便宜容量大耐压高,在电源去耦和储能上使用。
钽电容体积小容量大速度快ESR小,在高精度电源系统和小型化场合使用。
CBB电容主要是功率、耐压值和ESR优良,做开关电源和大功率场合使用。
上一篇:电容器基础知识科普(一)