时间:2023-05-02 11:41
人气:
作者:admin
前言:不对称谐振半桥反激变换器(AHB)应用在隔离型的直流转直流领域,通过占空比调整半桥开关的高端开关的占空比实现对输出电压的控制,通过使用占空比调节方法,所以比较适合在宽输入输出范围工作,比对称半桥谐振正激变换器(LLC)有更宽的增益调节能力因而适合在需要宽范围输出的应用,如工业用电池充电器、USBPD充电器等领域使用。

由于变压器副边仅有一个绕组和二极管进行整流,当变换器的输出功率提升到200W以上时,也会受到反激变换器的性能限制,即:副边整流二极管或同步整流器MOSFET会流过很大的峰值电流,输出侧电容也会承受较大的纹波电流,导致变换器的损耗增加,同时劣化输出侧直流的纹波电流和纹波电压。
在应用在USBPD3.1的场景上,需要变换器能满足从5~48V的宽范围调压输出,并且全范围输出电流都在5A规格。因此,当输出电压在30V以上时,输出功率就已经大于150W,此种情况使用AHB(不对称谐振反激变换器)的效率就离开了最佳效率工作区间。但是如果使用谐振半桥正激变换器(LLC),通过使用调频控制的方式能实现全范围的ZVS工作。但是LLC的特性是很难适应宽输出范围工作。

下图是一个典型的LLC变换器的控制频率F和系统DC增益G的曲线,可见LLC变换器可以在较窄的增益范围上进行调节,通常设计为(1.25~0.75),在这段增益范围内,只需要通过调节LLC变换器的半桥工作频率即可实现。如果需要进一步拉低增益范围可以在控制策略上加入丢波或跳周期等方法,但是这些操作的引入都会降低变换器的转换效率。

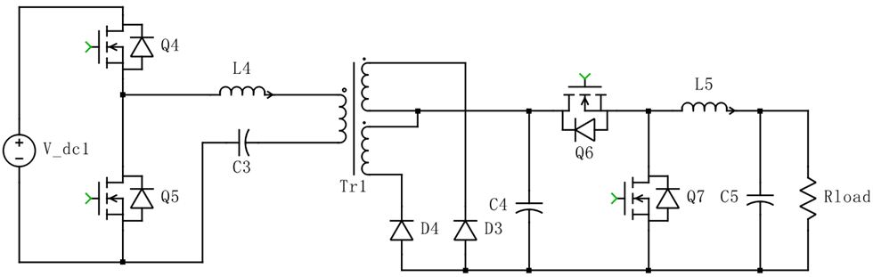
如果要使用LLC变换器解决约十倍的超宽范围输出,则还需要在LLC的直流输出上再增加一级BUCK/BOOST变换器来扩展其输出范围,这样带来了体积和成本的明显升高,可见目前方案的框架。

因此提出谐振半桥混合正反激变换器的控制策略,通过在副边增加一个MOSFET的Q3开关管来切换不对称谐振半桥反激和对称半桥谐振正激的工作模式。在需要输出548V的约十倍的宽范围时,可以将3048V(或是高压重负载范围)的大功率工作范围放在LLC谐振半桥正激上,通过调节频率的方式来实现宽范围稳压和调节。然后把5~30V(或是低压轻负载范围)的中小功率工作范围放在AHB不对称谐振反激激上,通过占空比和频率的调节来实现宽输出范围的调节,通过两个变换器的组合工作模式来实现约10倍的输出电压调节和全范围ZVS的高效率工作。解决当前LLC+BUCK的两级方案成本高,体积大的问题,并解决了AHB方案在的更大功率输出场景上转换效率低和纹波电流大的问题。

通过监测谐振电流过零点信号并用该过零信号去复位积分器的输出,然后在积分器的输出达到所设定的半桥开关导通时间长度后积分器自动复位。然后把积分器前后两次自动复位的时间长度作为半桥开关管的HG和LG的驱动信号,通过D触发器进行二次分频来实现,再增加HG和LG的死区时间后,输出到驱动模块,去驱动实际的半桥开关管进行工作。
在LLC工作模式时,控制单元控制导通副边开关Q3,使变压器的副边的两个绕组都能进行整流模式工作,此时谐振半桥以控制谐振电流过零后的开关开通时间的方法实现调频控制实现对输出电压的闭环调节。 上述LLC的频率控制模块的实现方法可见下图:由一个可复位的积分器构建,在电路上可使用固定的电流源对电容充电,复位时通过导通开关释放电容上的电压实现复位。
在数字控制里可用以一固定节拍累加的计数器实现,复位时就是清零计数器的值。积分器的复位信号有两个:分别是谐振电流过零点的标志和积分器的输出值大于设定值自动复位的标志。积分器的输入是电压环的输出,该输入量用来决定积分器的输出值的上升速度,可以简单的理解为当输入值越高时,积分器的输出值增大的速度越快,达到自动复位点所需的时间越短。
反之,当积分器的输入越小则输出增加的速度越慢,达到自动复位点所需的时间长度越长。使用最高开关频率减去电压环的输出后实现控制方向倒向,即电压环的输出越大,则输入到积分器的值越小,所以两次积分器自动复位的时间间隔越长,通过上诉方法实现对频率的控制。

LLC控制核心:

其中LLC的频率控制模块的时序图可见:CH1为积分器的输出,CH2为谐振电流过零信号,CH3为谐振电流波形,CH4为两路半桥驱动信号。从下图可见:积分器的输出值从零开始增加,此时D触发器把PWM信号置高或者拉低取决于当前的输出状态,当谐振电流过零信号ZCD产生后,积分器的输出值被复位到零,然后积分器继续从零开始积分,积分器的输出值从0开始增加,并以电压环的输出所设定的上升速度增加,直到积分器的输出达到复位设定点1.0(或其它设定值)后复位到零,然后把积分器的输出值大于1(或其它设定值)的模块的高电平输出到D触发器,改变当前状态的的输出(置高或者拉低)。
下一个周期,控制模块继续重复上诉工作,由于D触发器的分频功能,所以驱动信号将从HG改为LG,或是从LG改为HG来实现对谐振半桥的驱动控制。这里通过改变积分器的输出斜率的方法来实现对LLC的变频控制。

下图是展示了当负载变化时电压环的输出改变并影响积分器的输出值变化斜率,从而改变开通导通时间实现调频稳压的过程。在初始阶段可以看到积分器的输出值斜率更高(CH1)对应着系统以较高的开关频率运行,随着电压环的输出(CH2)从开始从高处开始下降,积分器的输出值的斜率开始减低,对应着系统的开关频率逐渐降低,直到重新达到新的稳态工作点。

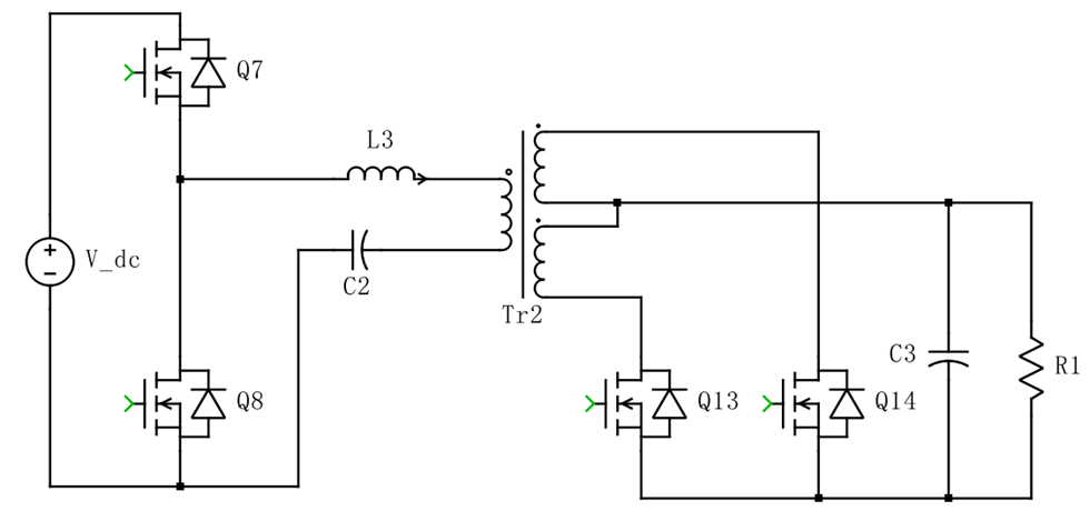
当变换器的输出电压降低到30V以下时,仅依靠谐振半桥正激变换器(LLC)的频率调节功能很难实现低增益稳压,若引入PWM和burst等方法会提升损耗降低变换器的效率,因此当以LLC调频工作无法继续调节输出电压时,就可以把LLC改为AHB模式工作。控制单元把副边开关管Q3驱动信号拉低,阻断变压器的一个绕组的电流通路,此时就仅有一个绕组和二极管存在通路,变换器改变为AHB不对称谐振反激的形态工作。可见下图:

两种控制器的切换逻辑为:当电压环的控制输出的无量纲数在0.55时对应的积分器的输出值的最大上升斜率,也就是LLC变换器的最高开关频率,同时如果输出电压也低于30V时,两者同时成立后,经一段时间的阈值判定后,转为AHB控制模式。等HG和LG都处于关闭状态时,拉低副边变压器绕组开关管Q3。
如果输出电压的高于30V,并且在AHB模式下高端开关管的驱动信号HG占空比大于45%(对应着AHB模式最大占空比,电压环的输出无量纲数在0.45),两者同时成立并经一段时间的阈值判断后,转为对称开关的LLC模式,等HG和LG都处于关闭状态时,置高副边变压器绕组开关管Q3。

在LLC模式中,通过选定的谐振参数可以计算出满足传输功率的最低开关频率,从而得到积分器的输出从0上升到复位点所需的时间对应的积分器的输入值。在LLC模式进行闭环控制,把电压环输出的无量纲数转换为调频积分器的输入量。电压环的输出范围是01.0,可以把1.0放在最低开关频率上,0.55放在最高开关频率,0.550.5使用固定开关频率burst等轻负载模式工作。
在AHB模式,电压环输出的无量纲数转为控制流过变压器的电流信号VCS的峰值。与在LLC模式不同,LLC模式只控制流过变压器电流的过零点后的开通时间,电流信号的峰值仅做OCP保护使用。
在AHB模式,流过变压器的电流峰值决定了输出电压和传输功率,可以使用下式简单得到:Io = 0.5 * Np *(Ipk + Ineg),因此根据匝比和最大输出电流即可计算得到在AHB模式下最大正向峰值电流设定值Ipk_set,把电压环的无量纲数(范围为0.05~0.45)乘以最大负载时的变压器电流峰值即可得到在AHB模式下的变压器电流峰值设定点:Ipk-set = Vloop * Ipk_max,即可实现对AHB变换器的闭环控制。控制框图可见:

运行时序:

此时电压环的输出范围是00.5。在0.50.05使用峰值电流模式,在0.05~0直接使用burst轻负载模式工作。电压环的输出和系统的工作模式可见下图所示:

AHB模式的HG的开关控制使用电压环控制流过变压器电流的峰值,LG的开通时间为了保证高端开关的ZVS,需要通过下式来计算时间:TLG = ((Iset - Ineg)*Lmag)/(Vout * Np)。

当LG的开通时间达到计算值后,则关闭LG,并在插入死区时间后开启HG,实现AHB的峰值电流和可变频率的工作模式。由于AHB仅需通过调节占空比即可实现宽输出电压,就可以完成5~30V的输出电压范围调节,两种控制方案结合起来就可以实现十倍宽范围和全范围ZVS工作的高效率的电源转换应用。
小结:通过混合不对对称半桥和对称半桥谐振变换器的控制能降低系统的体积和成本,在一级变换器上通过控制策略就能实现十倍宽输出范围和全范围ZVS工作的高效率的隔离DCDC应用。