时间:2022-08-26 17:15
人气:
作者:admin
纠错1
Autosar网络管理:网络管理报文的收/发与网络管理时间配置参数解析
一文中,提到这样一个观点“3.有快速发送功能(网络被动唤醒):在RMS状态下,先以快发周期发送一定次数的网络管理报文,eg:20ms发送10次,之后以正常周期发送网络管理报文,eg:500ms。”此处表达不准确,收到网络管理报文(没有PN功能),被动唤醒(调用CanNm_PassiveStartUp()接口),没有快发模式。
即:被动唤醒没有快发模式。快发模式需要满足的条件:
节点非PASSIVE MODE;
调用CanNm_NetworkRequest()接口主动请求网络;
CanNmImmediateNmTransmissions>0。
看一下Autosar规范给的解释,如下所示:
CASE1:

可以看出,由BSM或者PBSM进入RMS,由CanNm_NetworkRequest()触发,且CanNmImmediateNmTransmissions>0时,使能快发模式。
CASE2:

CanNmPnHandleMultipleNetworkRequests = TRUE,可以理解为PN功能使能,调用CanNm_NetworkRequest()接口进入RMS状态时,CanNmImmediateNmTransmissions>0,使能快发模式。
注意:
CanNmImmediateNmTransmissions设置为1,没有意义,工程需求中,常见设置:10、20等;
CanNmRepeatMessageTime > CanNmImmediateNmTransmissions * CanNmImmediateNmCycleTime,即:快发模式限于RMS状态;
快发功能使用时,CanNmMsgCycleOffset不再适用,既然都快发了,就是想快速唤醒网络,所以,没必要再延迟发送NM Msg。
纠错2
工程开发问题(七):Flexray网络状态切换错误,通信异常一文中,说到:“Fr节点进入RSS状态以后,即使本节点有内部网络请求(Network Request,比如:VFC置位),节点也不会进入NOS状态。”,该表达不准确。完整的解读Autosar规范如下所示:

意思是说,Flexray节点在RSS状态下,如果同时满足如下条件:
FrNm_ReaySleepCnt>0;
FrNm_NetworkRequest=TRUE,主动调用FrNm_NetworkRequest()接口;
FrNM_RepeatMessage=FALSE。
在当前Repetition Cycle结束后,Flexray节点的网络状态由RSS进入NOS状态。
网络管理问题QA
Q1:Application软件升级,$11复位后,节点处于何种网络状态?
A1:本问题源于一个朋友的讨论。在此,说一下个人理解。正常的刷写流程中,一般操作如下:
Step1:拓展会话($10 03)中,使用功能寻址将总线上的所有节点通信(0x28服务)和DTC监控(0x85服务)禁用,功能寻址一直在周期性发送$3E 80(维持会话);
Step2:使用物理寻址升级目标ECU(进入编程会话,$10 02),比如:下图的ECU3;
Step3:ECU3升级完成以后,使用物理寻址发送$11 01服务,复位ECU3;
Step4:等待一定时间(比如:2s),功能寻址发送$10 03服务,使ECU3进入拓展会话;
Step5:再等待一定时间(比如:2s),功能寻址发送$28服务,使能所有节点通信;......

具体解释:
Step3中,发送$11 01使ECU3复位,ECU3执行复位,由Boot跳转到Application,Application程序初始化,Application程序运行起来,需要一定时间,这是上位机(Tester)延迟2s的作用(确保Application程序已经完成初始化动作),这个时间内ECU3节点网络处于BSM(Bus Sleep Mode)模式;Step4中,功能寻址发送$10 03服务,主要使ECU3进入拓展会话。在升级ECU3的过程中,由于Tester一直周期性发送$3E 80(避免因S3超时,ECU1、ECU2进入默认会话,使得通信和DTC控制失效),ECU1和ECU2一直在拓展会话呆着。Step5中,又经过2s时间,Tester发送$28 00服务,开启通信。提示:
$28服务针对非诊断报文的通信
(比如:网络管理报文、应用报文),主要是把总线让给诊断报文,提高刷写速率。所以,ECU3只要完成启动流程,Controller和Transceiver进入Normal模式,ECU3就可以正常接收诊断报文。如果开发的ECU要求
网络管理报文唤醒网络,此时ECU3节点的网络状态处于何种模式呢?答:个人理解,BSM。虽然上位机从请求ECU复位到发送$28服务(开通信)间隔了4s时间,但是这4s时间内有一定的时间ECU在完成初始化(一般要求100~300ms时间范围)。

如上图:T0时刻,ECU3收到$11 01复位,一般程序会在Boot呆一定时间,比如:50ms(Stay In Boot功能),之后识别到App程序有效,Jump到App,完成App初始化,在OS RUN之前需要100~300ms时间不等(每个项目的代码量和功能有所不同,耗时不同)。
到T2时刻使能通信之前的这段时间,ECU3处于BSM模式,原因:没有收到有效的唤醒事件(比如:没有收到网络管理报文)。注意:
ECU1和ECU2一直处于NM(Network Mode),因为诊断报文在一直维持两者的网络状态。
T2时刻,ECU1和ECU2的通信使能,可以发送网络管理报文和应用报文,ECU3接收到网络管理报文以后,进入NM,ECU3相当于被动唤醒。
所以,从ECU3复位,到接收到$28 00服务,近4s的时间内,ECU3的网络状态处于BSM模式。
注意:
再次提醒:不要混淆ECU唤醒和网络唤唤醒。虽然ECU3收到诊断报文,可以处理诊断服务,但是诊断报文并不是有效的唤醒源,如果Transceiver没有硬件过滤功能,诊断报文可以将ECU唤醒(uC被供电),但是网络并未唤醒,此时ECU会保持一定时间验证唤醒事件的有效性,比如:3s等;
有些节点的Transceiver有过滤功能,即:只能有效的网络管理报文被接收,所以,冷启动时,诊断报文,ECU接收不到;
某些ECU的开发中,会将诊断报文作为有效唤醒源,即:网络管理报文一样,可以唤醒网络,诊断报文和注意识别。
$11 01诊断服务思考
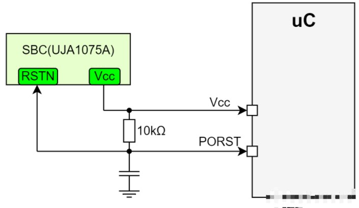
工程中,ECU刷写后,需要$11 01执行uC的复位,这个复位可以操作PORST Pin,控制uC的Vcc供电(5V),使得uC完成一个热启动过程,即:ECU复位。注意,这个复位动作,虽然也给uC重新供电,但是,它不同于KL15硬线上电,不能看作主动唤醒,所以$11 01诊断复位不能触发网络的主动唤醒。
提示:$11 01复位,执行uC的下电流程,需要执行NVM的存储。
如下通过控制SBC(System Basis Chip)实现uC复位,也可以通过控制外部看门狗实现。

审核编辑:刘清