时间:2021-06-20 18:25
人气:
作者:admin
本应用笔记介绍了 CDBCAPTURE 系统与嵌入式 A/D 转换器的使用。本文将介绍 CDBCAPTURE 系统并给出一些示例。
CDBCAPTURE 系统可用于从嵌入式模数转换器 (ADC) 收集数据。因此可以测量、分析和量化模拟前端的系统性能。通过分析测得的性能,可以识别、隔离噪声源并采取纠正措施。此处 CDBCAPTURE 用作工程工具,可减少系统测试和集成期间的开发时间。另一个应用可能是在生产中使用 CDBCAPTURE 来测试成品和验证系统性能。
CDBCAPTURE
CAPTURE 接口板是一种将 Crystal Semiconductor ADC 连接到 PC 兼容计算机的开发工具。来自 ADC 的数字数据在高速数字 FIFO 中收集,然后通过串行 COM 端口传输到 PC。包含评估软件以分析数据并演示 ADC 的性能。整个系统由 CAPTURE 接口板、串行电缆、RS232 电缆和软件组成。
带有嵌入式 ADC 的 CDBCAPTURE
CDBCAPTURE 电路板旨在直接与大多数 Crystal Semiconductor ADC 评估板连接。这提供了一种快速简便的方法来量化和验证 ADC 的性能。然而,通常需要在实际系统中测量 ADC 的性能或测量整体系统性能。要从嵌入式 ADC 收集数据,需要设计特殊的串行电缆。该电缆包含存在于评估板上的数字接口电路。该电缆连接到 ADC 上的相应信号。
要从嵌入式 ADC 收集数据,评估板上的数字接口电路需要集成到修改后的串行电缆上。图1是说明该过程的框图。在图 1 的顶部,评估板 CDBXXXX 包含数字接口电路,可将来自 ADC 的信号转换为三个标准串行信号,即 FRAME、SCLK 和 SDATA。这些信号的时序和格式因设备类型而异。

CDBCAPTURE 接口
在嵌入式 ADC 应用中,ADC 和 CDBCPATURE 电路卡之间的数字接口电路应在连接到串行电缆的小卡上实现,如图 1 底部所示。需要识别适当的数字输入信号.然后实现将这些信号从嵌入式系统连接到电缆的方法。连接方案因应用而异,易于实现。
评估板数据表中提供了数字接口电路的原理图。在原理图上找到包含以下信号的串行接口连接器:+5 V、GND、FRAME、SCLK 和 SDATA。从这个连接器开始工作,回到 ADC,确定创建串行信号所需的电路。该电路在单独的电路板上实现,连接到 10 芯带状电缆,带有用于其 CDBCAPTURE 接口的 IDC 插座。ADC 接口可以是任何易于实现的连接器方案。可能的替代方案包括桩头、测试夹、圆形连接器或“D”型连接器。
CS5508示例
下面的例子使用 CS5508 来说明设计修改后的串行电缆的过程。通过检查 CDB5508 评估板的原理图,可以确定数字接口电路。CDB5508 评估板的原理图在 CDB5505/6/7/8 数据表的图 1 中提供。数字接口部分如下图 2 所示。如果 CS 始终处于活动状态,则不需要电阻器 R23、R24 和 R25。此外,当使用 CAPTURE 板时,U3B 始终处于活动状态,因此可以将其更改为通用缓冲区,例如 U2。

CDB5508 数字接口评估板原理图
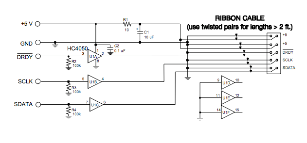
图 3 显示了源自图 2 的修改电缆的原理图。DRDY、SCLK 和 SDATA 信号被缓冲以创建用于 CAPTURE 板的串行电缆信号。5 伏电源从嵌入式系统获得,并在提供给 CAPTURE 板之前由 R1 和 C1 过滤。C2 是 U1 的旁路电容。

数字接口的修改串行电缆实现
CDBCAPTURE 系统旨在轻松连接到大多数 Crystal Semiconductor ADC 评估板。评估板上包含数字电路以实现标准串行数据总线。CAPTURE 板可通过软件重新配置,以适应不同的 ADC 和未来产品。CDBCAPTURE 系统允许将数字数据轻松传输到 PC 进行分析。
很多时候,当 ADC 在完整的采集系统内运行时,希望从 ADC 收集数据。在这种情况下,CAPTURE 板的数字接口电路是在系统外部通过修改后的电缆实现的。电气系统必须提供适当的互连方案,使用连接器或测试点夹在上面。
修改后的串行电缆允许用户在 ADC 嵌入电气系统时测量其性能。可以测量和量化 ADC 以及系统性能。此信息用于隔离问题并调查某些子系统如何相互交互。
编辑:hfy