时间:2019-10-05 10:04
人气:
作者:admin
在轻度混合动力汽车系统中,48V电池和集成式起动发电机(ISG)是其主要零部件。ISG负责产生车辆的所有电能及用于车辆启动。本文将介绍,ONSEMI的 APM16M模块在ISG的应用上的特点和优势。
不同的运行方式由ISG的系统控制器控制,它可以根据系统的要求控制正转矩或负转矩。在启动过程中,ISG提供正转矩,快速平稳地提高发动机转速到运行速度。在汽车制动过程中,它还回收再生能量。在这种模式下,SGI作为一个发电机提供负转矩给动力总成,使车减速和回收电池电荷。较大电荷容量的ISG(>15kW)还能够在转矩提升模式下工作,提供足够的正转矩帮助在有限的时间内驱动车辆。
ISG系统中使用的电机在结构上各不相同。许多使用永磁设计,而最近的设计趋势是倾向于单独激励绕组转子结构。这些类型的主要优点是其卓越的故障模式操作。这些定子通常采用三相或六相线圈绕组设计。较低功率系统(<12kW)适用于起动-停止操作、电池充电和有限发动机转矩提升。较高功率系统还能够显著提高发动机转矩。较高相位数设计的优点是功率分布在更多的线圈上,每个线圈能用较小的标准线绕组,和需要更低电流的驱动器。较高的相位也使输出转矩的转矩纹波更小。
无论选用三相还是六相,每个绕组都需要半桥电源转换器提供适当激励。对于较低功率级系统,可以使用分立的功率器件,但是对于较高的功率系统,分立器件设计就不实用了。这些系统中的电流可达到700 A-rms以上。在这些较高的电流水平的应用下,器件的散热性能是决定系统性能的至关重要的因素。
ONSEMI APM16模块由于其内部使用了特殊的材料和工艺,使APM模块会有以下的特点:
APM模块相比分立器件会有更小的温升;
APM模块相比分立器件会有更小的热阻;
APM模块相比分立器件会有更好的EMI性能;
APM模块的集成度会比分立器件更好,功率密度会更高。
基于APM的特点,对于大电流的场合,电源模块是更好的选择。

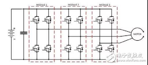
图1A 3相ISG逆变驱动

图1B 6相ISG逆变驱动
图1所示为两种不同的ISG汽车电源模块应用电路,采用三相和六相输出级。这两个系统都使用三个通用的APM16M电源模块。该模块含一个两相、双半桥电路,可以用于三或六相设计,只需使用单独的半桥或将它们并联。功率MOSFET的大小满足系统的电流要求,提供80V和100V版本。它们被贴装在氧化铝陶瓷基板上,以实现卓越的热性能。对于要求极严苛的应用,可采用高性能的氮化铝基板材料以提供更高的热性能。
若在上述设计有想了解更深一层的小伙伴,请联系ZLG立功科技,我们将为您提供专业的服务与支持。
安森美热门新品
NVMYSxxxxN06CL:60V汽车功率MOSFET,单N沟道,逻辑电平器件:
LFPAK56-4封装,行业标准,小占位(5x6mm);
低导通电阻RDS(on)最小化导通损耗;
低QG和电容最小化驱动损耗;
符合AEC−Q101,PPAP标准。
AFGHL50T65SQDC:混合IGBT,650V, 50A,第4代场截止沟槽IGBT,集成碳化硅(SiC)肖特基势垒二极管(SBD),采用TO-247-3L封装:
极低开关和导通损耗;
最大结温175°C;
正温度系数;
100%动态测试;
与SiC SBD共同封装;
符合AEC−Q101,PPAP标准。
NCV8535:低压降稳压器(LDO),超高精度,低静态电流Iq,500 mA:
线性和负载条件下高精度:±0.9% @25°C ;±1.5% @125°C;
输入电源电压范围:2.9V至12V;
反向偏置保护;
支持固定电压和可调电压选项(达5V);
采用低热阻DFN10_3x3封装时提供WF选项;
符合AEC−Q101,PPAP标准。
PCRKA20075F8:二极管裸芯,750V,200A:
裸芯尺寸:10mmx5mm;
最大结温175°C;
极快软恢复;
低正向电压VF=1.5V(Typ.)@ IF=200A;
符合AEC−Q101rev. D,提供更高可靠性。