时间:2018-03-25 06:15
人气:
作者:admin
Silicon Labs(亦称“芯科科技”)两款新型以太网供电(PoE)设备(PD)的产品家族――Si3406x和Si3404。这些设备具有高集成度和高效率的特点,可用于广泛的物联网应用。该系列在单个PD芯片上具有所有必需的高压分立元件,并完全支持IEEE 802.3 PoE+ 电源功能,具有灵活的电源转换选项,效率超过90%,睡眠/唤醒/ LED支持模式以及出色的抗电磁干扰能力。
期间,Silicon Labs的PoE产品高级经理John Wilson先生也接受了行业媒体专访,从现下PoEPD系统的设计挑战与发展趋势切入,再深入介绍Silicon Labs所提供的可以满足这些严苛要求的PoEPD器件的优势,欢迎往下阅读或点击“阅读原文”至我们的中文社区观看完整文章。
下一代PoE PD系统将会看到局限性和延迟
下一代物联网的设计需要更多的电能。Silicon Labs的PoE产品高级经理John Wilson谈到了今年在APEC上展示的PD设备新进展。对于PoE来说,2018年将是一个大年,因为下一代标准预计将在6月或7月左右由IEEE委员会批准。这个新标准将把功率水平提高到100W,这对照明市场将是至关重要的。
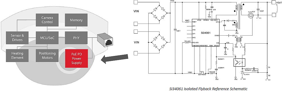
图1 使用PoE的IP摄像头,无线接入点,IP电话和智能照明
像飞利浦这样的公司已经拥有LED PoE灯具照明产品,这会是他们的优势,而对于其他照明公司来说,他们也也希望开发带PoE和传感器的智能照明灯具,这些产品可能会通过以太网提供温度和湿度等信息。这些分析数据对零售领域非常重要,可以帮助销售人员了解当时顾客所关关注区域。这可以表明,大多数顾客在商店前面花费大量时间,但销售人员大多位于商店的后面。基于PoE的照明结构之上的分析是物联网和PoE电源/智能网络价值的关键部分。 SiliconLabs目前在市场上拥有30W的产品。
摄像头在安全和监控方面的摄像头同比年增长率超过20%; 无线接入点同比年增长率为15%(无线接入点包括功能丰富的视频IP电话,公共热点,先进的802.11无线接入点和智能家电)
设计师喜欢这种器件有更高集成度,并具有良好的功率转换效率的解决方案,Silicon Labs在这些领域表现出色。传统产品具有片上高压,如瞬态电压抑制器,输入二极管电桥和供电MOSFET,可直接连接至以太网RJ-45连接器。与此同时,该公司将这些新型IC的功率转换效率从传统的70%提高到了90%,这些IC还支持隔离,并且EMI也得到了极大的改善,从而加快了产品上市时间。
这些应用需要更高的瓦特数,以应对带动了对支持PoE+标准的PD设备的更高需求日益增长的需求。例如,最新具有平移/倾斜/缩放和带加热元件功能的最新电机定位IP摄像机会对电源产生沉重的负载。PoE+技术的30W功率能支持这些苛刻的应用任务。此外,高达4kV的浪涌恢复能力也也是关键,特别是在中国市场,摄像头设备外部部署了以太网电缆,这些电缆是在建筑物内到具有潜在雷击风险室外中运行可以在建筑物内部运行,以防止潜在的雷击。有关IP摄像头机电源系统示例,请参见图2。

图2使用Si3406x PD器件的完整IP摄像机电源参考设计系统(图片由SiliconLabs提供)
下一代PoE设计理想方案 - Si3406x,Si3404
Silicon Labs的Si3406x系列是理想的PD接口解决方案,适用于住宅,商业和工业环境中新型的支持PoE+的IoT产品。

图3该产品组合解决了所有PoE+ PD使用案例的挑战
该系列还集成了PoE+ PD应用所需的所有电源管理和控制功能,将通过10/100/1000BASE-T以太网连接提供的高压转换为稳压的低压输出电源。新架构通过使用具备经济效益的外部元件,同时保持高性能,最大限度地减少了PCB占位面积和外部BOM成本,同时保持高性能。
稳压器的开关频率可通过简单的外部电阻值进行调节,以避免不必要的谐波。集成同步驱动器可以控制次级侧场效应晶体管(FET)以提高功率转换效率。通过自动维护功率签名(MPS)功能在睡眠模式下保持与PSE交换机的连接。
作为Si3406x系列的补充,Si3404 IC为低功耗15W PoE PD应用提供符合802.3 Type 1标准的高性价比支持。Si3404在很小的占地面积内包含了低功率PD应用所需的所有接口和控制功能。

图4 Si3404和Si3402产品优势
Silicon Labs还提供各种PoE PD参考设计,帮助设计人员更快地将关键电源子系统推向市场。
评估板与技术支持
Si3406x集成电路的样片和批量产品现已采用小尺寸5x 5 mm QFN封装,Si3404器件现在采用小尺寸4 x 4 mm QFN封装。为帮助开发人员缩短开发时间和降低成本,Silicon Labs为Si3406x和Si3404器件提供一系列隔离式和非隔离式Class 2-4评估套件。

图5 上:Si304 PD降压Class 2评估板;图5下Class 3 Si3404到高功率Class 4 Si34061EVB
Class 2-4开发套件
· Si3404隔离Class 3评估套件Si3404ISOC3-KIT
· Si3404降压Class 2评估套件Si3404BKC2-KIT
· Si3406 Non-IsoFlybackClass 2评估套件Si3406FBC2-KIT
· Si3406 Non-IsoFlybackClass 3评估套件Si3406FBC3-KIT
· Si34061隔离Class 4评估套件Si34061ISOC4