全球最实用的IT互联网信息网站!
AI人工智能P2P分享&下载搜索网页发布信息网站地图
滚珠螺母要怎么维护保养?
阅读全文2023-09-21
信号完整性-阻抗与模型浅析
信号完整性SI读书笔记
深入了解S32K3XX MCU
关于门禁系统的串口通信相关知识点
直线模组怎么搭配电机?
阅读全文2023-09-20
USB2.0/3.0走线长度对信号及使用有何影响呢?
IIC总线学习笔记
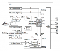
SPI总线学习笔记
华为Mate60 Pro+/iPhone 15 Pro Max对比
博世CAN SIC XL收发器ASIC NT156介绍
力特奥维斯Littelfuse解读设计高可靠性的汽
RS485接口电路设计全面指南:从基础到实
如何使用ZPS-CANFD进行CAN信号质量评估?
CPU | 内存 | 硬盘 | 显卡 | 显示器 | 主板 | 电源 | 键鼠 | 网站地图
Copyright © 2025-2035 诺佳网 版权所有 备案号:赣ICP备2025066733号 本站资料均来源互联网收集整理,作品版权归作者所有,如果侵犯了您的版权,请跟我们联系。