时间:2025-03-31 19:32
人气:
作者:admin
一、接口电路是电路中与用户或者外界媒介进行交互的部分,是内部核心敏感电路和外部设备进行信息交互的桥梁。接口电路一般分为输入接口电路和输出接口电路两种。接口电路的防护设计就是为了隔离外部危险的信号,防止外部干扰信息进入系统内部核心敏感电路,从而造成内部电路的永久损坏。
二、接口电路的分类:电源接口、网络接口、外壳接口、串行通信接口、并行通信接口、下载电路接口等。
三、接口电路的防护处理包括:接口滤波、ESD防护、防雷防浪涌、防反接、缓启动、热拔插等。
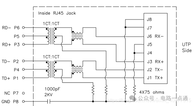
1. 网络接口设计:
一般在PHY芯片和外部RJ45接插件之间都需要一个网口变压器和共模扼流圈。

网口变压器的作用:
(1)可以增强信号,使其传输距离更远。
(2)使PHY芯片与外部进行有效隔离,使其抗外部干扰能力增强(例如防雷击等)。
(3)当不同的PHY芯片的电平不匹配时(例如有的PHY芯片为2.5V,有的为3.3V),起到电平匹配的作用。
网口变压器的中心抽头设计:与PHY芯片的类型有关,具体详见PHY芯片的datasheet。
(1)如果PHY芯片的驱动类型为电流驱动类型的,变压器的中芯抽头用一个0.1uF的电容接到GND即可。
(2)如果PHY芯片的驱动类型为电压驱动类型的,变压器的中芯抽头接到VCC即可。
2. 下载电路接口设计:
一般FPGA/ARM采用的程序下载接口都是JTAG接口。JTAG接口是经常使用的一类下载程序的接口,而且也是一类经常带电拔插的接口,而带电拔插会不可避免地产生一些静电或浪涌电流,因此如果不采取一些防护措施,极易因为ESD静电放射而击穿JTAG相关引脚,甚至损害CPU内部核心电路,从而造成内部电路的永久损坏。

如上图所示,采用钳位二极管对JTAG接口电路进行保护,一般钳位二极管采用肖基特二极管即可。当然JTAG下载器尽量不要带电拔插使用,做好断电后进行拔插操作,这样可以最大程度避免可能的损害发生。
3. CAN总线接口设计:
CAN总线接口外部电路通过一对差分信号线和CAN收发器进行数据通信,因此在应用的过程中,通讯电缆很容易耦合外部的干扰从而对信号的传输产生影响,严重的会通过CAN接口电路传输到系统内部核心敏感电路中去,从而造成EMI问题。

如上图所示,CAN接口防护器件主要包括:滤波电容、共模电感、跨接电容、TVS管。
滤波电容C1,C2用于给干扰提供低阻抗的回流路径,选取范围为22pF~1000pF,典型值为100pF。
共模电感L1用于滤除差分线上的共模干扰,阻抗选取范围为120欧/100MHz~2200欧/100MHz,典型值为600欧/100MHz。
跨接电容C3,C4用于接口地和数字地之间的隔离,典型值为1000pF/2KV。
TVS管D1,D2用于防护静电放射ESD或瞬间的高能量冲击,使其线路的电压钳位在一个预定的数值内,从而确保后面的电路器件免受瞬态高能量的冲击而损坏。(TVS管功能类似钳位二极管或压敏电阻)

4. 外壳接口设计:
如果设备外壳与大地接地良好,则PCB也应该与外壳进行良好的单点接地,这时PCB的干扰会通过外壳接地良好消除,对PCB也不会产生干扰。如果设备外壳没有良好接大地,则PCB地与外壳地也不必互连。常见的外壳地与PCB地的单点接地电路主要采用阻容电路相连。
(1)、从EMC角度考虑,电容C1是用来泄放干扰的,系统(PCB端)的高频干扰噪声汇聚到GND,并通过电容C1流到PGND,由于PGND与大地进行良好接触,因此干扰噪声得到有效抑制,改善了EMC问题。
(2)、从ESD角度考虑,电阻R1是为了应付静电放电测试用的。如果仅仅使用电容构成浮地系统,ESD测试产生的电荷无处释放,会逐渐积累,当累积到一定的程度便会在PGND和GND最薄弱处击穿放电,这样会在短时间内在PCB上产生较大电流,足以损坏PCB上的电路与器件。因此通过电阻R1去慢慢释放ESD产生的电荷,以消除PGND和GND之间的压差是很有用的。
5. 电源防反接技术:
在电源供电的场合,经常碰到电源极性反接的情况,以至于造成不可逆的后果。
(1)、硬件防反接技术:电源的接插件防反接等硬件机械处理。
(2)、二极管防反接技术:利用二极管的单向导电性特性,防止电源的反接,但是此电路在实际中并不常用。因为二极管会存在导通压降,造成输出电压降低,而且当电源电流过大时二极管消耗的功率较大,造成无用功耗的增加。

(3)、MOS管防反接技术:由于MOSFET具有极低的导通电阻,因此即使电流很大损耗也较小,非常适合以最低的损耗来实现电源的防反接处理。如下图所示,NMOS管在接地回路,PMOS管在电源路径。但是实际应用中使用PMOS管的更为常用,因为NMOS管在接地回路会对参考地平面产生影响甚至破坏接地回路,因此PMOS更为合适。另外需要注意的是,实际电路MOS管的栅极要串接限流电阻进行保护。

上一篇:HDMI接口的定义和主要应用
下一篇:RS485通信的必要性和接线方法
从profibusDP转ModbusTCP,一网打尽转换技巧!