全球最实用的IT互联网信息网站!
AI人工智能P2P分享&下载搜索网页发布信息网站地图
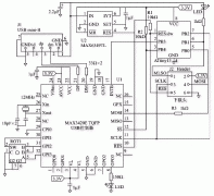
采用HID类的USB人机接口设计
阅读全文2009-03-29
USB2.0设备控制器IP核的AHB接口技术
利用TJA1080的FlexRay总线接口设计
基于USB控制器设计的Windows音量控制器
I2串行EEPROM应用系统的设计
利用MCP2515的多路CAN总线接口及驱动程序设计
CAN调度理论与实践分析
FlexRay总线控制器和TC1796的MLI接口设计
BootLoader启动引导方式分析
CAN总线冗余的船舶监控系统设计方案
博世CAN SIC XL收发器ASIC NT156介绍
力特奥维斯Littelfuse解读设计高可靠性的汽
RS485接口电路设计全面指南:从基础到实
如何使用ZPS-CANFD进行CAN信号质量评估?
CPU | 内存 | 硬盘 | 显卡 | 显示器 | 主板 | 电源 | 键鼠 | 网站地图
Copyright © 2025-2035 诺佳网 版权所有 备案号:赣ICP备2025066733号 本站资料均来源互联网收集整理,作品版权归作者所有,如果侵犯了您的版权,请跟我们联系。