时间:2023-08-10 10:12
人气:
作者:admin
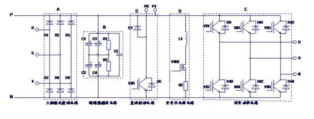
有关变频器直流母线电路的示意图,P、N直流母线电路示意图,变频器直流母线电路短路故障的现象与处理方法,整流和逆变电路中元件损坏造成的短路故障等。
变频器直流母线电路示意图
变频器主电路的所有部件,都是直接并联(或者说是“挂在”)直流母线上的,如图1。
常规小功率机型,大致有A~E等6部分电路并接于P、N直流母线,中、大功率机型,只有直流制动电路,需在变频器外部接入。
A~E等6部分电路中的任一部分出现短路故障时,都会直接造成P、N端点的电阻变化。
同理,当测量其它无故障电路时,也会因故障电路的“牵连”,使正常电路(被无辜)表现出“短路”的故障现象。
因而在故障检修过程中,遇有这种现象,要沉思一下再动手,避免对无辜元件的大拆大卸——如对一体化功率模块的拆卸,有可能造成器件的损坏!

图1 P、N直流母线电路示意图
当开关电源电路中的开关管出现短路故障时,因开关变压器初级线圈的直流电阻值近于零,和电流采样电阻一般小于1Ω的原因,开关管的漏、源极相当于并联于P、N端,
1、若此时用万用表的电阻挡直接检测P、N两点,会得到P、N之间存在直流短路的故障判断;
2、检测整流管D1~D6的正、反向电阻值,是相等的,有可能得出整流模块不良的误判;
3、检测U、V、W输出端与P、N端之间的正、反向电阻值,发现其正、反向电阻值也是相等的,都与正向电阻值接近,也易得出逆变模块损坏的误判;
4、此时若凑巧是检测C1、C2电容的两端,则易得出C1~C5电容元件可能短路的误判。
曾有检修人员,接手变频器后,先下手检测U、V、W输出端与P、N端之间的正、反向电阻值,发现皆为较小的电阻值,且无正、反向特性,贸然拆下一体化模块化,才后悔莫及,一体化模块是好,原来仅为故障仅为开关管VT01短路,由此造成较大的经济损失。这种低级错误,一时头脑发热,也是可能干得出来的。
如果细心一点,对挂于P、N直流母线的各部分电路,能有个大概认识,并细心分析检测结果,结合故障概率分析,当不难得出准确判断。
分析如下:
1、电容击穿短路后,往往炸裂迸飞,或严重溅液,观察外表正常而存在短路故障的可能性不大;
2、由短接制动电阻连接端P1、PB造成制动开关管VT0损坏的可能性也不大,万一出现后,VT0的炸裂也容易目测获知;
3、由整流和逆变电路中元件损坏造成的短路故障,有一定的故障比例,往往表现器件严重短路,正、反向电阻值均接近于零。出现正、反向电阻值相等,且等于正向电阻值的情况,基本上是不可能的。尤其是六只整流管或六只IGBT全出现一样的测量结果,这反而可以得到另一种判断:整流电路或逆变电路,肯定是好的!
4、外观未能目测到好坏,但出现短路故障可能性,其中概率最大的,当属开关电源电路中的开关管VT01了。当其出现短路故障时,因L1、R3的限流作用,有时并不出现炸裂现象。测量P、N母线中任一电路出现短路故障时,要想到其它并联电路对测量电路的影响,以故障概率和先易后难原则,逐渐排除掉正常电路,找到故障元件。
审核编辑:汤梓红