时间:2023-08-04 12:51
人气:
作者:admin
BLDC电机发展至今,已经超过50年。随着半导体技术的发展,MCU、驱动组件的普及,使得BLDC电机的成本降低了很多,电机的行业应用也正随着自动化水平的提高而不断提升,相信到2020年会迎来一大波新增长。
据<电子发烧友>统计和估算,2018年全球BLDC电机市场规模为153.6亿美元,这里的市场规模包括电机本体和电机驱动部分一起。预计未来4年将会以6.5%的年复合增长率增长,预计到2022年将会达到197.6亿美元。
BLDC市场增长的原因,与BLDC电机本身的特性密不可分,比如BLDC电机具有体积小、重量轻、噪声小、转矩特性好、启动转矩大、调速范围广、效率高,以及寿命长等特点。
当然,市场的增长离不开具体应用的推动,BLDC的应用场景有很多,目前增速比较快的应用主要有工业控制、家用电器、消费类电子、机器人、物流自动导航车、汽车、无人机等等。市场热点主要关注以下几个领域:
Arm 32位MCU助力舵机行业产品升级
目前市面上可供选择的MCU有很多,但应用最多的是32位Arm内核MCU。从2018年中国市场Arm Cortex 内核MCU的累积出货排名可以看到市场份额的逐年变化趋势。

图1:2018年中国Cortex内核MCU供应商市场份额占比情况
(数据来源:IHS Markit)
根据IHS Markit最新的调研统计数字,2018年中国Arm Cortex内核MCU市场大多数份额为国际MCU厂商所占据,但好消息是中国通用MCU厂商GigaDevice(兆易创新)成功保持在了市场前三的位置,市占率达到9.4%。相比2017年而言,排名第一的STMicroelectronics占比下降1%,第二名的NXP占比下降2.8%,TOP3的GigaDevice则上升了3.6%,也显示出中国半导体发展的强劲态势。
目前机器人市场主要分为工业机器人、商用服务机器人,以及消费级机器人。随着机器视觉、语音识别以及深度学习等人工智能技术的发展,消费级机器人已经快速进入市场并在智慧家庭、看护陪伴等领域迅速普及。机器人产品核心部件之一就是舵机,这也是机器人中使用最频繁的部分。舵机的大小和数量决定了机器人做动作的灵活性。据估计舵机部分将会占到机器人成本的40%以上。舵机通过电位器(或其它角度传感器)检测输出轴转动角度,MCU控制板根据电位器的信息能比较精确的控制和保持输出轴的角度。这样的电机控制方式叫闭环控制,所以舵机更准确的说是伺服马达。
机器人舵机主要由舵盘、减速齿轮组、位置反馈电位器、直流电机和控制电路板等部件组成。从图2的BLDC电机驱动框架图可以看出,每个舵机都需要一颗MCU来进行控制。

图2:BLDC电机驱动框架图
谈到兆易创新的32位Arm内核MCU产品,不得不提到量产多年,在电机控制产品圈热销的GD32F130系列产品。GD32F130 产品是兆易创新于2014年推出的基于Cortex-M3内核的MCU,为工程师提供了电机控制的主流解决方案。2017年,基于Cortex-M4内核的GD32F330产品则进一步以超值特性为成本敏感的电机控制应用开辟了道路。
2018年兆易创新又推出了基于最新Arm Cortex-M23内核的入门级产品,GD32E230和GD32E231系列MCU,片上集成了电机控制所需的多种模拟外设,包括能够输出三相互补PWM波形的高级定时器、高性能ADC、比较器和高速运放等,持续为轻量级的电机控制开发提供最优的解决方案。
家电变频化已成市场主流
随着中国家电行业执行5级能效标准,能效标准变得更加严格,变频电机市场开始转热。据市场机构预测,2010至2022年,家电变频电机中的半导体含量将实现8倍增长。
现在无论是我们日常生活常见的空调、洗衣机、冰箱、油烟机,还是当前普及率正在提升的洗碗机,智能吸尘器,破壁料理机等都开始实用变频电机。以正在兴起的变频冰箱为例,由于冰箱压缩机的转速决定了冰箱内部的温度,而变频冰箱压缩机的转速可根据温度来发生改变,就可以让冰箱根据当前的温度情况做出调整,让冰箱内的温度更好地保持恒定。这样,食物的保鲜效果将更好。由于变频冰箱压缩机大都选择BLDC电机,因此工作的时候效率更高,噪声更小,使用寿命也更高。
所谓的变频调速就是通过改变定子电源的频率来改变电机的转速,从而实现节能和提高效率的目的。要实现变频调速就需要变频器的帮助,现在的变频器一般由整流器、滤波器、驱动电路、保护电路,以及控制器(MCU/DSP)等部分组成。

图3 冰箱压缩机变频控制板正面
笔者近期拿到了一块由深圳华芯控股科技设计的冰箱压缩机变频控制板,其中变频板的主控MCU正是采用了GD32F130产品,并已经被应用于国内外多家主流品牌冰箱产品中。GD32 MCU在家电变频行业的广泛应用也可见一斑。
手持云台大众化前景看好
近年来,随着视频直播越来越火,智能手机的拍照功能越来越强,Vlog制作、抖音神器等智能硬件已成为当下火爆的“刚需”。为了提升拍摄时的稳定性,手持云台正在走进日常生活并成为常见的摄影辅助工具。
目前从事手持云台产品开发的公司也有不少,一线品牌有大疆创新(DJI)的OSMO灵眸,以及线上热销的智云Smooth、飞宇G6等多家厂商。
云台产品至少要有三个BLDC电机,来控制XYZ三个方向上的运动,其次还有一个固定相机的装置,这个装置里面会有运动传感器来感测相机的位置变化。
云台产品的技术难点在于如何控制BLDC电机的运动。首先,电机需要用PMSM FOC算法来实现精准顺滑的伺服控制;其次,要保证相机的稳定性和各种跟随操作,必须将相机固定装置内传感器采集到的信号,实时地进行三维姿态解算和姿态控制。也就是说,做一个手持云台产品并不容易。
早期的国内云台产品基本都是采用俄罗斯人Aleksey Moskalenko的开源云台控制系统算法开发的。经过行业的不断发展和创新,现在中国也有很多厂商具备了研发能力,前面提到的三个主流品牌基本都是采用自有技术。目前IC国产化的趋势正日益明显,行业内的公司都开始着手准备国产化的替代方案。最常见的国产替代方案,就是采用GD32F4系列Cortex-M4 MCU产品去升级或重新开发早期的云台控制方案。
并且早期的云台控制原型是用一颗MCU控制一个BLDC电机的转动,通过中国工程师不断创新,已经实现了用一颗高性能的Cortex-M4F内核MCU同时控制两个轴向的BLDC电机。不仅可以简化云台产品的PCB设计,方便整机ID设计,也可以很好地控制产品的成本,从而更有利于大众化普及。
基于Arm MCU的BLDC电机控制算法研究热度不减
在逐渐兴起的BLDC电机控制应用中,磁场定向控制(FOC)技术正变得越来越流行,这样能够确保电机在任何时候都能以最佳的扭矩,高效地运行;其出色的动态相应可以实现精准的可变速度控制;再加上FOC的低扭矩波动可让电机在运行、启动和停止时,保持平稳运转。
FOC控制虽好,但要实现这些优势就需要MCU或者DSP有足够的计算能力来处理这些复杂的三角方程,以及电机转自状态观测。早年如果要实现高性能的电机控制算法,需要使用TI 的C2000系列DSP。近年来Arm公司推出Cortex-M4内核,集成了完整的DSP指令集、并行计算能力和专用单精度浮点运算单元(FPU),就可以有效满足FOC算法和电机转子位置的观测算法对MCU计算能力的需求,拉近了MCU和DSP在运算能力上的差异。包括STMicroelectronics、NXP、GigaDevice、ATMEL等MCU厂商也纷纷推出相应的MCU产品。

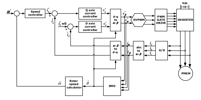
图4 高性能电机控制系统框图
为了帮助客户使用MCU芯片评估FOC算法和电机状态观测器算法,GigaDevice(兆易创新)推出了GD32F450Z-BLDC评估板并提供了相应的开发工具包(SDK),GD32F450系列MCU具备了200MHz的Cortex-M4F内核和2.6M采样率高性能ADC等丰富的模拟外设,电机开发工程师就可以使用开发套件进行各类电机控制算法的研究。

图5 GD32F450Z-BLDC评估板
结语
随着半导体技术的进步,BLDC电机开始兴起,并逐渐替代传统电机,特别是在工业控制、家用电器、消费类电子、机器人、物流自动导航车、汽车、无人机等应用领域。BLDC电机的兴起,对MCU的需求量将会持续增长,2018年全球MCU的出货量306亿颗,未来几年还将会保持高速增长。
从城市电摩骑行和即时配送的产业化升级、到消费家电产品的不断智能化创新,再到BLDC控制的变频化发展,一方面需要中国嵌入式工程师勇于创新,敢于突破现有的行业成规;另一方面芯片供应厂商也要持续不断提供性能和价格更好,同时方便开发者使用的新产品。这也给中国的MCU芯片厂家提供了广泛的市场机会和更大的发展动能。
编辑:峰会