时间:2023-08-05 11:47
人气:
作者:admin
在我们的实际项目中经常会用到变频器,比如风机变频调速、水泵变频调速、传送带变频调速等。而在使用变频器时通常会使用PLC对变频器进行控制。 PLC对变频器控制通常会使用以下几种方式:
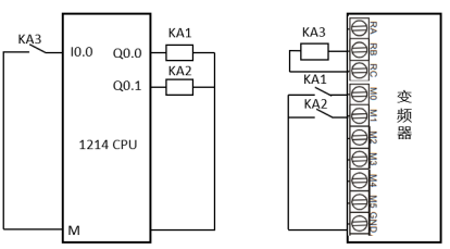
01 变频器控制方式 ①开关量方式控制变频器 如果PLC是以开关量的方式对变频器进行控制,需要将PLC的开关量输出端子与变频器的开关量输入端子联系起来。 为了检测变频器的某种状态,同时将变频器的开关量输出端子与PLC的开关量输入端子联系起来,如图1所示。

△图1 ②模拟量方式控制变频器 变频器有一些电压和电流模拟量输入端子,改变这些端子的电压或者电流输入值可以改变变频器的频率从而改变电动机的转速。 如果将这些端子与PLC模拟量输出端子连接,就可以利用PLC控制变频器来调节电动机的转速,如图2所示。

△图2 ③通信方式控制变频器 PLC以通信的方式控制变频器,只需要一根电缆,直接将各种控制和调频的命令给变频器,变频器根据PLC通过通信电缆送来的指令就能执行相应的功能设置。

△图3 02
变频器参数设置
变频器参数设置(本案例使用台达变频器)。本次我们使用模拟量来调节变频器的频率,需要设置以下参数,如图4所示:



△图4 ①频率源 P00=02:所谓的频率源就是调节变频器的频率来源于哪里,设置为2代表频率来源由模拟量电流信号控制(也就是我们可以使用1200PLC模拟量输出控制台达变频器上的ACI端子)。 ②命令源 P01=00:命令源是指启动变频器的信号,设置为00是指变频器面板上的“Run”启动键可以启动变频器。 ③最大可操作频率 P03=50.0:设定交流电机驱动器最高的输出频率。也就是模拟量输入控制变频器的话,PLC输出电流最大值(20Ma),对应的就是这个50HZ频率。 ④最小频率对应ACI电流值 P131=0.0:当此参数设置为0时,指的是当输入到变频器0Ma的电流,变频器以0HZ运行 ⑤最大频率对应的电流值 P132=20.0:当此参数设置为0时,指的是当输入到变频器20Ma的电流,变频器P03设置的频率运行。 03
接线
接线,如图5所示

△图5 04
程序编写
①查看模拟量输入输出通道,如图6和图7

△图6 模拟量输入通道

△图7模拟量输出通道 ②程序设计

编辑:黄飞
上一篇:未来人机交互的结构与功能是什么
下一篇:转子动平衡的技术要点有哪些