时间:2023-07-31 22:29
人气:
作者:admin
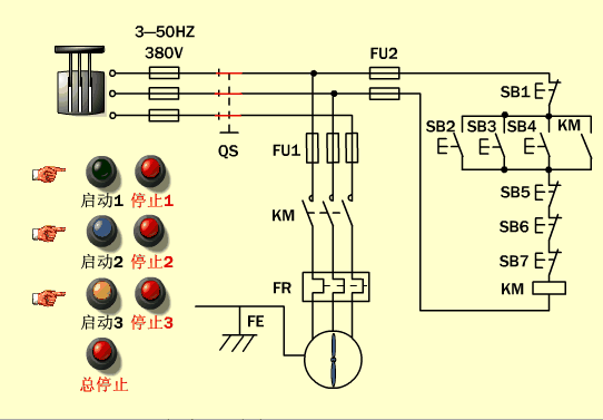
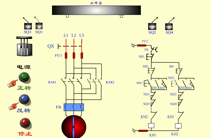
电气控制电路图一般方法是先看主电路,再看辅助电路,并用辅助电路的回路去研究主电路的控制程序。电气控制原理图一般是分为主电路和辅助电路两部分。其中的主电路是电气控制线路中大电流流过的部分,包括从电源到电机之间相连的电器元件。而辅助电路是控制线路中除了主电路以外的电路,其流过的电流比较小。
电气图是用来阐述电气工作原理,描述电气产品的构造和功能,并提供产品安装和使用方法的一种简图,主要以图形符号、线框或简化外表,来表示电气设备或系统中各有关组成部分的连接方式。
1、找出控制电路的电源线:L、N(220V),L1、L2(380V),其他还有24V、~24V的。
2、从控制电源的L 或L1端开始看起,看各支路电流经过哪个按钮,再经过哪些接触器、继电器的常开常闭触点,接着到哪个线圈,最后到N或L2,形成闭合回路。
3、要明白同一个接触器或继电器,它的线圈和各常开常闭触点是分开画的。当一个支路中接触器、继电器的线圈通电时,它的常开、常闭触点会控制所在支路线圈的通、断电(即接通或分断所在的支路)。
4、将一条支路中所有按钮触点、接触器、中间继电器、热继电器的常开常闭触点结合起来作整体分析,看在按动按钮的时刻,看各常开常闭触点通断状态的组合能否将此支路构成通路,线圈能否通电。
5、将其余的支路逐条分析,看在同一时刻,此支路中各常开常闭触点的通电状态组合能否将本支路接通,能否使线圈通电。
6、将所有支路的接触器、中间继电器线圈的通断电状态结合起来整体分析,并找出它们所控制的电机或其他设备,就能确定在同一时刻哪些电机或设备在运行,哪些不运行了。
PLC顺序控制

PLC正反转控制☟

按钮开关☟

冲孔加工☟

断电延时型时间继电器☟

多点控制☟

滚轮式行程开关☟

红绿灯☟

机械手☟

交流接触器☟

热继电器☟

三相闸刀☟

时间继电器☟

手动控制☟

速度继电器☟

星三角启动☟

异步电动机转动原理☟

自动往返控制☟

下一篇:无刷电机与碳刷电机的区别