时间:2023-07-25 09:20
人气:
作者:admin
在本文中,我们将了解 2 线和 3 线启动停止图。本文的内容将包括电路图、工作原理。
目录:
2线起停图控制电机
A。电路原理图
b. 工作准则
3线启停图
2线起停图控制电机
A。电路原理图
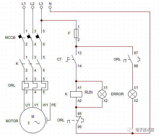
该图是最基本的电路,使用开关通过接触器控制电机。当状态开关打开时,电机将不工作。当状态开关闭合时,电机开始转动。

2线控制电路
+控制三相电机启动和停止的动态电路包括CB、接触器和热继电器。断路器将与接触器K和热继电器ORL的主触点串联到电机。
控制电路采用两位开关串联K接触器的线圈,ORL热继电器的常闭触点。
b. 工作准则
当开关处于断开位置时,接触器K的线圈不通电。接触器K的动触头处于断开状态,因此电机上没有电压。此时电机不运转。
当我们将开关移至闭合位置时,接触器线圈 K 将通电。此时接触器K的动触点由断开状态变为闭合状态。电机开始运行,运行灯亮,表示电机正在运行。

当开关处于打开位置时,电机将运行
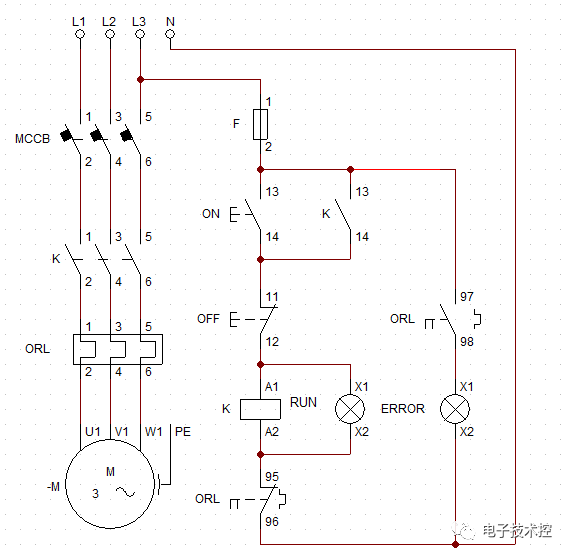
3线启停图

3线控制电路图
2线启停图的动态电路与3线启停图相同。然而,该电路的控制电路使用两个按钮而不是使用开关。
与两位开关不同,当我们停止对按钮施加力时,其触点将返回到其原始位置。因此,为了保持电机运转,接触器K的常开触点与ON按钮按钮并联使用。当按下ON按钮时,接触器K的常开触点闭合。因此,电机将运行,直到我们按下“关闭”按钮,电路将返回到初始状态。
在工业电路中,由于3线控制电路的安全性,三线控制电路多采用2线控制电路。在发生断电或过载等事件后,该电路将恢复到初始状态,因此电机不会自动重新启动。
审核编辑:汤梓红
下一篇:各类新能源电机优劣对比分析