时间:2023-07-18 11:26
人气:
作者:admin
此次为大家带来的是关于一些PLC编程控制入门常用到的实例,以此为借鉴,让学PLC的进度条缩短,加大掌握程度。
里面包含的知识点是较为齐全的,如:I/O分配表、PLC接线图、梯形图程序等。
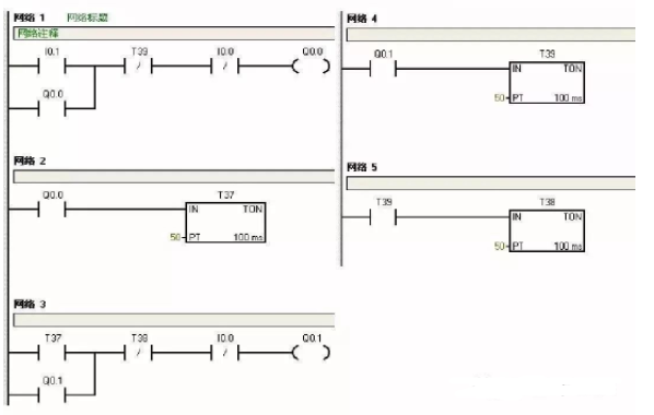
电动机顺序启动、顺序停止控制
(I/O分配表、PLC接线图、梯形图程序)




2
电动机的顺序启动、同时停止
(I/O分配表、PLC接线图、梯形图程序)




3
电动机的顺序启动、逆序停止
(I/O分配表、PLC接线图、梯形图程序)




4
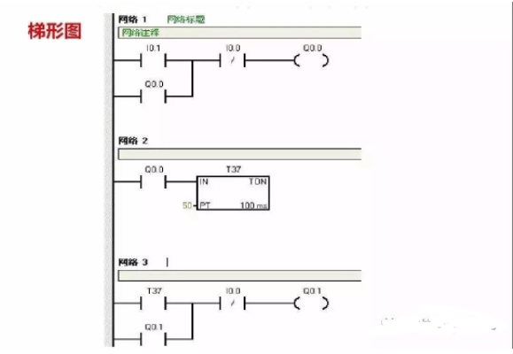
电动机延时启动、停止控制
(I/O分配表、PLC接线图、梯形图程序)




5
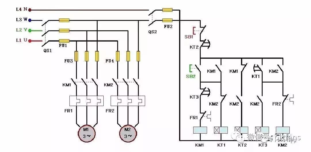
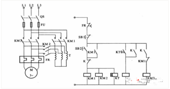
笼型感应电动机定子绕组从串电阻降压启动控制系统
(I/O分配表、PLC接线图、梯形图程序)




6
三相绕线感应电动机转子绕组串电阻降压启动控制系统
(I/O分配表、PLC接线图、梯形图程序)




7
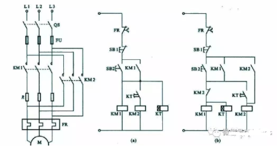
Y-△降压启动控制系统
(I/O分配表、PLC接线图、梯形图程序)
Y-△降压启动控制(1)




Y-△降压启动控制(2)




8
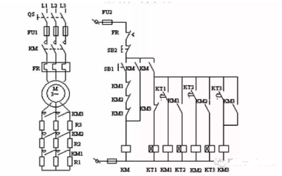
自耦变压器降压启动控制系统
(I/O分配表、PLC接线图、梯形图程序)




编辑:黄飞