时间:2023-07-04 09:51
人气:
作者:admin
1 引言
本文是针对某生活小区实际情况,结合用户生活 / 消防双恒压供水控制的要求,我们进行改造的一些心得。现将其中的改造情况介绍如下。
众所周知,恒压供水系统对于生活小区是非常重要的,例如在生活小区供水过程中,若自来水供水因故压力不足或短时断水,可能影响居民生活。又如当发生火警时,若供水压力不足或无水供应,不能迅速灭火,可能引起重大损失和人员伤亡。所以,生活小区采用生活 / 消防双恒压供水系统,具有较大的经济和社会意义。
基于上述情况,我公司对某生活小区供水系统进行改造,采用西门子 PLC 作为主控单元。利用风光供水变频器,根据系统状态可快速调整供水系统的工作压力,达到恒压供水的目的。改造提高了系统的工作稳定性,得到了良好的控制效果。
2 用户现场情况
如图 1 所示,市网自来水用高低水位控制器 EQ 来控制注水阀 YV1 ,自动把水注满储水水池,只要水位低于高水位,则自动向水箱注水。水池的高低水位信号也直接送给 PLC ,作为水位报警。为了保持供水的连续性,水位上、下限传感器高低距离较少。生活用水和消防用水共用二台泵,平时电磁阀 YV2 处于失电状态,关闭消防管网,二台泵根据生活用水的多少,按一定的控制逻辑运行,维持生活用水低恒压。当有火灾发生时,电磁阀 YV2 得电,关闭生活用水管网,二台泵供消防用水使用,并维持消防用水的高恒压值。火灾结束后,二台泵改为生活供水使用。

图 1 生活 / 消防双恒压供水系统示意图
现场设备参数如下 :
型号 65-315(I)A
流量 56m 3 /h
扬程 110m
效率 56%
转速 2900r/min
电机功率 37KW
3 系统控制要求
用户对二泵生活 / 消防双恒压供水系统的基本要求是:
⑴ 生活供水时,系统低恒压运行,消防供水时高恒压值运行。
⑵ 二台泵根据恒压的需要,采取先开先停的原则接入和退出。
⑶ 在用水量小的情况下,如果一台泵连续运行时间超过 1 天,则要切换下一台泵,系统具有倒泵功能,避免一台泵工作时间过长。
⑷ 二台泵在启动时都要有软启动功能。
⑸ 要有完善的报警功能。
⑹ 对泵的操作要有手动控制功能;手动只在应急或检修时使用。
4 设备选型
( 1 )风光 JD-BP32-XF 型供水变频器
JD-BP32-XF 型是山东新风光电子公司推出的专用于供水变频器,使用空间电压矢量控制技术适用于各类自控场合。在恒压供水中可以采用这类变频器。 JD-BP32-XF 型变频器除具有变频器的一般特性外,还具有以下特性:水压高、水压低输出接口,变频器运行上限、下限频率(可以任意设定),可以方便地进行双压力控制,内置智能 PI 控制,以上功能非常适用于供水控制要求。在本例中选用 JD-BP32-37F ( 37KW )风光供水变频器拖动用户水泵。
( 2 ) PLC 选型
① 控制系统的 IO 点及地址分配
根据图 1 所示及控制要求 , 统计控制系统的输入、输出信号的名称,代码及地址编号如下表 1 所示。水位上、下限信号分别为 I0.1 、 I0.2。

② PLC 系统选型
系统共有开关量输入点 8 个,开关量输出点 10 个 , 选用西门子主机 CPU222 ( 8 入继电器出) 1 台,加上扩展模块 EM222 ( 8 继电器输出) 1 台。即可满足用户供水控制要求
( 3 )压力传感器
在供水系统中,压力传感器既可以采用压力变送器,也可以采用远传压力表。在本例中采用远传压力表,压力表相应接线端子接到变频器主控板 3 脚、 4 脚、 5 脚即可。
5 电气控制系统原理图
电气控制系统原理图包括主电路图、控制电路图及 PLC 外围接线图三部分。
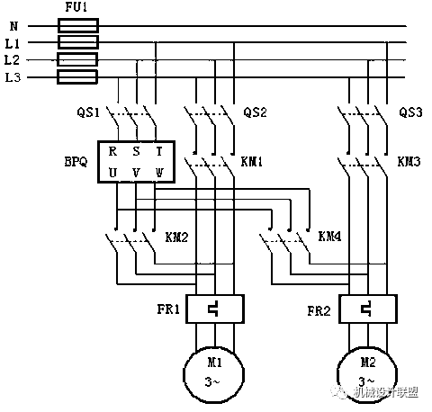
( 1 )主电路图
如图 2 所示为电控系统主电路。二台电机分别为 M1 、 M2 。接触器 KM1 、 KM3 ,分别控制 M1 、 M2 的工频运行;接触器 KM2 、 KM4 ,分别控制 M1 、 M2 的变频运行; FR1 、 FR2 分别为二台水泵电机过载保护用的热继电器; QS1 、 QS2 和 QS3 分别为变频器和二台泵电机主电路的隔离开关; FU1 、 FU2 为主电路的熔断器; BPQ 为风光供水专用变频器。

图 2 主电路图
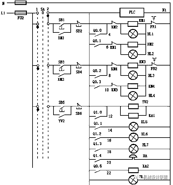
( 2 )控制电路图
如图 3 所示为电控系统电路。图中 SA 为手动 / 自动转换开关, SA 打在 1 的位置为手动控制状态,打在 2 的状态为自动控制状态。手动运行时,可用按钮 SB1~SB6 控制二台泵的起 / 停和电磁阀 YV2 的通 / 断;自动运行时,系统在 PLC 程序控制下运行。
图中的 HL8 为自动运行状态电源指示灯。

图 3 电控系统控制电路图
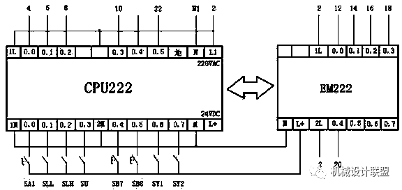
( 3 ) PLC 接线图
下图 4 所示为 PLC 及扩展模块外围接线图。火灾时,火灾信号 SA1 被触动, I0.0 为 1 。

图 4 双恒压供水控制系统及扩展模块的外围接线图
6 系统程序设计
( 1 )程序中使用的 PLC 内部器件及功能,如下表 2 所示:

生活 / 消防双恒压的两个恒压值是我公司生产的风光供水专用变频器直接设定的。在本实例中,根据用户要求,生活压力设定为 0.35MPa, 消防压力设定为 0.60MPa 。
压力低、压力高信号分别由变频器内部主控板 14 脚、 15 脚给出。
供水运行下限频率、供水运行上限频率由变频器程序设定。在本系统中,运行下限频率设为 20Hz, 运行上限频率设为 50Hz 。
( 2 )系统 PLC 控制程序如下:



7 结束语
随着变频调速技术的飞速发展,变频调速恒压供水技术在小区已普遍使用。用变频器来实现恒压供水,与其它供水方式相比较而言,其优点是非常明显的。节能效果十分显著,启动平稳,启动电流小,避免了电机启动时对电网的冲击,延长了泵和阀门等的使用寿命,消除了启动和停机时的水锤效应。供水控制系统提高了小区的供水质量。各项控制指标达到了用户的要求。风光变频器在小区恒压供水改造效果是明显的,改造是成功的。
编辑:黄飞