时间:2023-06-27 11:13
人气:
作者:admin
IO-Link®有可能使几乎任何工厂传感器或执行器变得“智能”,使其能够与过程控制器进行通信和共享有价值的数据。该博客着眼于开发它的原因,它是如何工作的,它可以在哪里使用,以及它的局限性。
为什么要开发 IO-Link?
从历史上看,每个现场总线(例如,MODBUS,Profibus)都有自己的连接器,用于将传感器或执行器连接到支持的协议,这意味着自动化工程师必须了解有关其工作原理的详细信息,并选择正确的电缆和输入卡。为了解决这些问题,制造商将现场总线接口设计到他们的设备中,但随着传感器和执行器的尺寸缩小,这种方法变得不切实际。除了变得更小之外,制造过程还需要传感器,这些传感器可以传输温度和压力等物理量的读数,并且可以通过过程控制器(双向通信)进行远程配置。这些是IO-Link发展为全球标准化接口的主要驱动力,可以在所有设备制造商生产的最小设备中工作。然后,这些设备可以使用IO-Link *master轻松集成到任何网络(现场总线或工业以太网)中。IO-Link 传感器需要与传统的二进制传感器向后兼容,以便更容易集成到现有的工厂系统中。
IO-Link 如何工作?
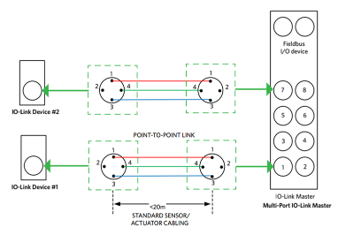
IO-Link 系统由设备(传感器或执行器)和 IO-Link 主站组成。参见图1。虽然每个设备只能连接到一个 IO-Link 主设备,但一个 IO-Link 主设备可以为多个设备提供服务。

图1 - IO-链路系统
IO-Link 主站充当网关,桥接连接的设备与过程控制器使用的上游工业网络之间的链路(图 2)。

图 2 – IO-Link 如何适应工厂自动化架构
IO-Link 是一种串行数字点对点协议,其中每个设备都连接到 IO-Link 主站上的一个物理端口。不需要复杂的寻址,并且在非屏蔽三线电缆上使用标准化连接器(通常为 M8 或 M12),使安装既简单又便宜。
IO-Link 主端口可以在以下四种模式下运行:
IO-Link:该端口用于双向 IO-Link 通信。
DI:端口的行为类似于数字输入。
DQ:端口的行为类似于数字输出。
关闭:“停用”模式可用于未使用的端口
IO-Link 数据通信可以是循环的,也可以是非循环的。
循环通信发生在正常运行期间,IO-Link 主站驱动过程数据的传输。
非循环数据是“根据请求”的,可以包含配置或维护信息(服务数据)。例如,IO-Link 主设备可能会在设备通电后向其发送新配置,或者在断电之前请求设备配置。事件数据也是非循环的,在发生意外情况时发生,并以三个严重性级别(通知、警告和错误)报告给控制器。
IO-Link 可以在哪里使用?
IO-Link 是工厂自动化应用的理想选择,包括:
自动化装配线:实现快速安装和快速转换生产运行
机床:传感器参数设置(温度、压力、气流),以实现快速设置,并使故障传感器更易于识别和更换
传送带:速度和停止点可根据负载动态改变
个性化制造/批量大小为一:通过轻松的远程配置,IO-Link带来了个性化制造的灵活性
液压系统:可靠的信号传输、温度、压力和液位是关键要求 IO-Link 满足所有需求
它的局限性是什么?
重要的是要注意,IO-Link 并非设计用于支持所有类型的传感器或执行器。它每个周期最多只能传输32字节的过程数据,因此不适合传输工业成像设备中使用的相机或扫描仪等设备产生的大量数据。大约2ms(典型值)的循环时间使其足够快,可以满足大多数工厂自动化要求,但不适用于高速应用。此外,连接设备和 IO-Link 主站的电缆不能超过 20 米。
如何“启用”传感器或执行器?
ADI公司提供IO-Link器件和IO-Link主物理层接口/收发器(PHY)。我们的 4 端口/8 端口 IO-Link 主站和设备收发器均具有集成降压稳压器和带 ±60V 电缆接口保护的 LDO,可在恶劣的工业环境中提供坚固的性能。
审核编辑:郭婷