时间:2022-09-07 10:10
人气:
作者:admin
品佳集团基于Infineon IMD112T推出一款单面板设计的BLDC驱动方案, REF-SHA35WRC2SYS是一个多功能的入门套件,包括一块主板和一块带IrDa传感器的子卡以及一个匹配的遥控盒。
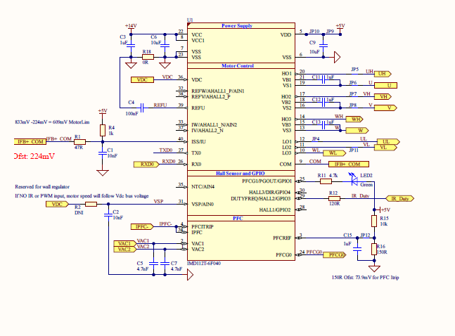
主板包括IMD112T iMOTION Driver, iMOTION智能驱动器——带功率器件驱动的电机控制器,该电机控制器利用经过现场验证的MCE(电机控制引擎)提供交钥匙的PFC和电机控制器,从而解决了吊扇电机控制算法开发过程中的软件编码。此外,还包括PFC电路,IGBT为8A 650V TRENCHSTOP5 H5 IGBT IKA08N65H5,栅极驱动器为IRS44273L;逆变器采用iMOTION Driver直接驱动3A 600V逆导型IGBT IKN03N60RC2。直径为90毫米的单层印刷电路板设计,成本低,可随时复制,为普通吊扇设计提供参考。
以IMD112T iMOTION Driver, iMOTION智能驱动器——带功率器件驱动的电机控制器为核心的吊扇方案,功率器件:PFC采用8A 650V TRENCHSTOP5 H5 IGBT ,逆变器采用3A 600V逆导型IGBT。
产品规格:REF-SHA35WRC2SYS
相关器件:IKA08N65H5,IKN03N60RC2,IRS44273L和IMD112T
►场景应用图

►产品实体图

►展示板照片


►方案方块图

►电路图

►核心技术优势
1、吊扇市场是分散的,而且成本敏感,设计成本有优势,集成度高 2、设计是根据印度市场的标准法规进行测试 3、适用于研发知识有限的设计团队 4、该设计是交钥匙工程,不需要电机控制算法,是快速上市关键 5、该设计采用具有成本效益的单层PCB设计 6、可复制的紧凑和高性价比的单层PCB设计 7、易于评估整个系统,包括红外线遥控 8、现成的电机控制算法(包括PFC)适用于高效永磁同步电机(PMSM)
►方案规格
1、输入电压范围120~300Vrms 2、最大输入功率35W 3、PFC系数≥0.9和iTHD≤10% @ 230Vrms 4、板载PFC级(高达60kHz) 5、符合IEC61000-4-5 4kV浪涌标准 6、符合EN55032 B类EMI标准 7、板载过流保护和辅助电源