全球最实用的IT互联网信息网站!

AI人工智能P2P分享&下载搜索网页发布信息网站地图

当前位置:诺佳网 > 电子/半导体 > 工业控制 >

TRACO POWER工程师谈 ,如何选择合适电源

时间:2021-03-31 10:14

人气:

作者:admin

标签: 电源  开关电源  电源管理 

导读:为具体应用情景选择合适电源 — 从一开始就使用精确的 DC/DC 转换器测量值为何至关重要?我们将从分析需求,避免测量误差,确定并改变纹波和噪声,处理浪涌电流以及电磁兼容性谈起...

为具体应用情景选择合适电源—从一开始就使用精确的 DC/DC转换器测量值为何至关重要

车辆的性能数据一直是车主们津津乐道的话题。许多人曾表示,如果汽车油耗超过制造商数据 1到 2升,就是欺骗消费者,但“欺骗”的说法到底是否正确呢?换句话说,我们要应对的是电子行业设计师老生常谈的主题,即实验室收集的数据不同于实际应用中收集的数据。这是怎么发生的?是读数真的有误,还是在将 AC/DC电源或 DC/DC转换器集成到电路中时还有其他需要考量的因素?对于前面提到的油耗数字问题,究根到底是因为,相比在附近山上满载一家四口行驶的汽车,在预定测试赛道上行驶的空车油耗要低得多。在购车时,一般来说,预算等个人情况将决定我们购买哪款车,但我们该如何选择合适的动力组件呢?

o4YBAGBdvG-AGDuWAAGCHr-WHOg046.pngTRACO POWER产品系列中的各种 DC/DC模块

分析需求

我们首先要做的是定义各种电源的用途,这会引出一些看似很简单的初步问题。

我们的关键目标是将应用情形的输入电压调整到新的电势,据此要思考:

  • 是否应拆分电势?
  • 输入和输出电压的范围是多少,以及输出相应电流需要什么?
  • 我为哪种设计留有空间?例如,电路板上的其他组件是否允许使用这种设计?
  • 需要该电路的最终产品是什么?
  • 需要遵守哪些规定?(工业、铁路或医疗)
  • 该应用情形有哪些环境条件?
  • 整个电路和应用情景应该或必须达到多高的可靠性?

诚然,保时捷 911是一辆好车,但它并不适合穿越南美洲热带雨林的探险,四轮驱动的吉普车是更好的选择,这一点很容易理解。

但选择合适的电源并非总是如同选择合适的汽车那么简单。

弄清上述标准基本问题的答案后,我们接下来还要探讨本文打算更全面地研究的问题:

  • 如何正确地测量并避免误差?
  • 应该如何处理纹波和噪声?
  • 出现浪涌电流时会发生什么?
  • 关于电磁兼容性 (EMC),我需要注意什么?

瑞士制造商 Traco Power的产品组合包括超过 25个 3瓦 DC/DC转换器系列,如具有超低纹波和噪声的 TVN系列;经认证可用于医疗应用的 THM系列开放式框架版本;还有经批准适用于具有 3000 VDC绝缘电压的铁路应用情形的 TMR-WIR系列,可谓应有尽有。我们可能都想要能一次性满足所有必要需求的转换器,想要现成的解决方案,但这通常成本更高,因为我们需要不止一个转换器来满足需求,或者需要额外的布线来达到要求的参数值。 那么,要找到解决方案,我们需要先确定什么?首先是要确定我们需要的测量值—通过简单的测量,我们可以轻松做出粗略的评估:转换器和负荷上的输入和输出电压和电流,以及可能的效率变化。

避免测量误差

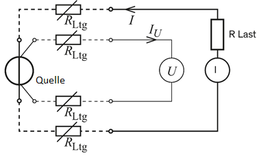
需要考虑的一个基本点是,每次测量都会改变电路的实际状态,并且需要将任何影响保持在尽可能小的水平。这意味着,即使是“简单的测量”,也建议采用 4线式测量。用独立的测试引线测量电流和电压意味着引线的固有电阻对数值的影响较小。考虑最终用途也很重要。例如,在手术室中,电源和实际负荷之间可能有 30米长的导线。如果负荷需要 24V电压,则电源需要更高的输出电压来抵消导线上的电压损耗。

这意味着需要对负荷和电源都进行测量。请查看下面对电源进行典型 4线式电压测量的例子。

o4YBAGBdvBCANiHtAABWPR-a4Yo199.png图像:对电源和负荷进行 4线式测量的电路图

确定并改变纹波和噪声

为什么要测量纹波和噪声?无论是什么应用情形,DC/DC转换器的纹波和噪声都会存在于其实际工作区域中(如在测量电桥中),因此需要对其进行单独考虑和评估。 纹波和噪声是什么,如何才能对它们进行独立测量?在 AC/DC和 DC/DC电路中,当内部电路引起不规则扰动时,就会产生纹波,而噪声是指按开关频率变换脉冲时产生并周期性返回的峰值。为了确定实际值,探头必须与针脚、接地环以及测量尖端直接接触。(见下文)为了能将结果与制造商的数据进行比较,示波器上的带宽被限制在 20MHz,这是实验室工作的常用值。

pIYBAGBdvBCAFnxGAACYdTVJwR4354.png图像:将测量尖端正确连接到带针脚的 DC/DC转换器

一般来说,只需两个并联开关电容器(如一个 100nF金属薄膜电容器和一个 10µF电解电容器)即可降低噪声和纹波,但请牢记,在最终的使用过程中,数据表上的值可能会受到其他因素的影响。

处理浪涌电流

以下信息对于确保上游组件尺寸正确非常重要。

  • 电流基本上取决于开关速度,所以理想情况下,在实验室中应使用水银开关
  • 电源的内阻抗应尽可能低
  • 用退磁针尖测量电流

环境温度对浪涌电流也有很大影响。例如,电解电容器的使用对温度的依赖度很高。 下图显示 LED灯的浪涌电压示例(黄线)。该图还以紫色线显示了 LED灯上的电压起伏。可以看到图中标记了该设备的接通点(橙色背景的 T图标),此时电流达到 10A 左右的最大值,并且在 10ms内又回到 300 mA。

o4YBAGBdvBCAJHjuAABclQQvAOE870.png图像:DC/DC转换器在非有源状态下的浪涌电压(冷 =室温 25°C)

如果您遇到影响电路的浪涌电压问题,使用热敏电阻 (NTC)会有所帮助。

电磁兼容性

对于一般应用情形而言,确定 EMC兼容性(电磁兼容性)也很重要。使用内置滤波器的 DC/DC转换器并不意味着您会符合为该应用情形指定的值,因为 EMC兼容性通常会受到几个组件的影响。在许多情况下,出于安全考虑,输出电压必须与保护接地线相连,这可能会对 EMC产生重大影响。通常,电源制造商可以就如何遵守 EMC的值提供建议。

总结

总而言之,如果您能善用制造商的帮助和可用的简单资源,不需要费尽千辛也能确定符合设计所需的电源组件。在进行任何评估和选择之前,清楚定义您的需求很重要,同时也要认识到,在您真正需要什么您想要什么之间存在很大的区别。回到我们在本文开头提到的汽车制造商,有一点很重要,那就是要考虑如何正确进行测量,以及每次测量如何影响收集到的值。测试条和实验室条件是在构建电路时定义的,但该电路实际上将在什么条件下使用呢?如果市面上没有合适的设备,通过串联或并联开关,或者使用滤波器是否可能产生预期的结果?满足 EMC要求在很大程度上取决于应用领域及其前提条件,如纹波、噪声和浪涌电流。众所周知,由于市场上的制造商众多,某种产品的质量和价格千差万别。

选择一款“简单”、无品牌、批量生产的设备是否足够?试图省钱的做法最终是否会让您得不偿失?您是否总是需要高端产品?无论有什么建议,最终的决定权都在客户手中,但 Traco Power作为欧洲制造商具有得天独厚的优势,能为客户提供多语言和德语支持。

温馨提示:以上内容整理于网络,仅供参考,如果对您有帮助,留下您的阅读感言吧!
相关阅读
本类排行
相关标签
本类推荐

CPU | 内存 | 硬盘 | 显卡 | 显示器 | 主板 | 电源 | 键鼠 | 网站地图

Copyright © 2025-2035 诺佳网 版权所有 备案号:赣ICP备2025066733号
本站资料均来源互联网收集整理,作品版权归作者所有,如果侵犯了您的版权,请跟我们联系。

关注微信