时间:2023-06-07 09:26
人气:
作者:admin
步进电机是一种控制简单、使用方便的位置开环电机,广泛应用于办公自动化、安防监控、3D打印和汽车电机等领域。电机驱动芯片是包含了速度控制、力矩控制、位置控制及各种保护等功能的集成电路,根据输入信号,按照内置的算法逻辑控制电机的运转。步进电机驱动芯片决定着电机运转效果,也就是步进电机运行的平稳性、振动和噪音。对这些性能影响非常大但又难以理解的就是续流Current Recirculation的控制。
本文从基础电机等效模式介绍开始,深入阐述续流各衰减模式Decay Mode的理解、各自优缺点和适用性、与刹车Brake的差异等,以此进行更为复杂灵活的续流控制,就更能够适应不同参数的电机,从而达到电机平稳性与振动和噪音的最优效果。最后以Chipown高性能步进电机驱动芯片PN7781系列为例,说明续流衰减模式的灵活控制。
电机等效电路

图1 电机(一相)等效电路
如图1所示,步进电机(以常见的双极性)包含两个线圈,以电机单线圈为例说明等效电路,其可以等效于三部分组成:线圈内阻RM、线圈电感L和电机反电动势BEMF。
其中BEMF电压等于反电动势常数Kt乘以转速(Hz),即和电机转速成正比。图中也考虑到驱动芯片的高低边内阻RDSON,所以驱动Drive阶段的基本等效电路如图1所示,等效公式:

一般来说由于内阻较小,I*R电压一般较小,当电机处于启动阶段转速很小,反电动势很小,则大部分电压会加载到L*di/dt,电流急速上升。而当电机处于最高转速时,反电动势最大,电感电压则最小,电流变化相对较小。
什么是电机电流的续流衰减?


图2 续流、异步和同步续流
如图2所示,以单个线圈驱动的全桥电路为例,首先AH、BL的MOS打开,电流从VM由左往右到地,这是电机驱动Drive阶段,当电流达到设定电流值时,关闭所有MOS,此时线圈电感效应,电流会继续从左到右流动并衰减Decay。
电流衰减的两种途径
1► 异步衰减
通过MOS的体二极管衰减,如图二中示意,由地到VM,这是异步衰减。
2► 同步衰减
通过打开斜对角的BH、AL的MOS,电流还是由地到VM,这称为同步衰减。
这种异步衰减和同步衰减的途径就是电流续流(Current Recirculation)。
显而易见,异步衰减经过MOS体二极管,压降大所以损耗(2*I*VD)也大,而同步衰减经过MOS的Rdson,一般内阻较小所以损耗(I^2*Rdson*2)也小。后文主要以同步衰减来说明。
为方便下文,先介绍下电机驱动和电流衰减的几个关键参数 – ITRIP、tDRIVE、tBLANK、tOFF。

图3 关键参数说明
如图3所示,黄虚线ITRIP就是本时段内驱动芯片设定的电流值,ITRIP按照步进电机细分控制所需的电流台阶而变化,图3就是一段电流台阶往上增长的例子。
tDRIVE是驱动阶段的时间,这里需要注意起始有个tBLANK消隐时间(一般几个us以内),主要是为了避开(不检测)MOS管打开时刻的电流噪音毛刺,防止误触发过流保护。
可以理解的是tBLANK太小起不了作用,太大则可能导致后续的tDRIVE不足,特别是在一个电流正弦周期内所需tBLANK不同,若简单一个固定值,则电流波形过零点失真明显。
tOFF则是整个电流续流时段。tOFF时间到期后,H桥重新启用,开始另一个PWM循环。
电流续流的衰减模式
电流续流的三种控制模式
1► 慢衰减 Slow Decay
2► 快衰减 Fast Decay
3► 混合衰减 Mixed Decay
注:这里的所谓“快”“慢”是指续流期间电流衰减到零的相对速度。
1慢衰减 Slow Decay

图4 慢衰减 Slow Decay
首先正常驱动Drive阶段,如图4红色电流方向(AH、BL打开),然后关掉AH、BL,并打开下桥臂的AL、BL两个驱动管,电流继续从左往右经过线圈顺时针闭环衰减,如图4蓝色电流。
对应的电机相电流波形是先驱动Drive阶段上升,如图4右示,当相电流上升到预设的ITRIP阈值或以上时,就进入续流阶段。
若经过tBLANK时间后相电流已经到达(或超过)ITRIP阈值时,就没有后续的Drive阶段而直接进入续流阶段,如图4波形图的第二个PWM周期。所以tBLANK决定了PWM驱动信号最小的ON时间。
综上,慢衰减模式主要是通过下桥臂的两个驱动管来续流。

图5 慢衰减等效电路
在该阶段,也就是PWM周期的OFF时间段内,电机转速变化不大,即反电动势变化不大。从图5等效电路来看,相当于VM接地,此时电感电压:

但极性反向,VL值不会超过VM(驱动Drive阶段VM=I*R+VBEMF+VL,即I*R+VBEMF=VM-VL>0),所以IDECAY下降斜率相对缓慢。
2 快衰减 Fast Decay

图6 快衰减 Fast Decay
先正常驱动Drive阶段,如图6红色电流方向(AH、BL打开),然后关掉AH、BL,并打开斜对称的BH、AL两个驱动管,电流继续从左往右经过线圈、从地端到电源VM端快衰减,如图中蓝色电流方向。
对应的相电流波形如图6右所示,是先驱动Drive阶段,然后快衰减直到零,并保持(如把全桥驱动管都关掉),不会出现反向电流。图中只是举例示意,并不是指快衰减都能在续流时间内到零。
综上,快衰减模式主要是通过斜对角的两个驱动管来续流。

图7 快衰减等效电路
对于快衰减续流阶段等效电路,如图7所示。需要注意,此时VM反向加载于电机,快衰减阶段的电感电压:

相比于慢衰减阶段的电感电压(I*R+VBEMF)大很多,所以IDECAY下降速度最快,也就是称之为“快” 衰减。可以理解的是快衰减较适合大电感电机,而慢衰减较适合小电感电机。
3混合衰减 Mixed Decay

图8 混合衰减 Mixed Decay
先正常驱动Drive阶段,如图8红色电流方向(AH、BL打开),然后关掉AH、BL,并打开斜对称的BH、AL两个驱动管快衰减,经过一段时间TDECAY后,关掉BH并打开BL(此时AL保持打开),电流继续从左往右经过线圈顺时针的慢衰减。对应的相电流波形是先驱动Drive阶段,然后先快衰减,持续TDECAY时间,接着切换到慢衰减。
混合衰减模式下相电流的纹波介于快衰减和慢衰减之间。TDECAY时间可根据电机及应用场景来设置调整。
综上,统筹考虑tBLANK、tDRIVE、tOFF、TDECAY及PWM周期等时间的控制,来确保电机相电流有效地、及时地控制到当前设定的ITRIP阈值,以达到精确的快速响应的电流环控制。
相对来说,慢衰减较为适合相电流上升期,快衰减较为适合相电流下降期,而混合衰减介于两者之间。
表1 续流各模式对比

表1是三种衰减模式的优缺点对比。对于相对复杂的控制,可以在相电流上升和下降期,采用不同衰减模式;而对于更复杂的控制,可以进一步控制PWM周期、tBLANK、tDRIVE、tOFF等时间来达到最优化效果。
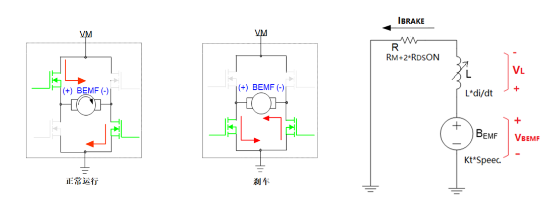
慢衰减就是电机刹车Brake吗?
经常有工程师混淆了慢衰减和刹车两个概念,这里详细解释下区别。续流是PWM的tOFF时间段,时间非常短,比如芯片PN7781采用固定20us,而电机刹车的时间相对会长很多,从毫秒到秒。两者时间级上完全不一样。
在续流阶段时间内,电机转速变化非常小,基本可以忽略反电动势VBEMF的变化。当电机从正常驱动Drive阶段到把全桥驱动管全部关掉OFF,如图9所示,此时若考虑MOS体二极管则继续异步衰减,续流结束后电机就是完全开路状态,反电动势能量无处释放,只有电机本身的摩擦阻力让电机缓慢停下来。

图9 惯性运转 Coasting
而对于刹车,如图10所示,电机从正常运行状态切换到只打开下桥臂驱动管并保持住,在刹车前(驱动阶段结束)时刻:

此时转速最大则VBEMF最大,电感电压忽略,电机相电流近似于:

切换后,也就是和慢衰减一样的电路,电机相电流先慢续流直到零。然后电机自身的反电动势通过低边驱动管形成回路,相当于发电机,电流反向,如图10中间的红色刹车电流。

图10 刹车 Braking
对于刹车过程的等效电路分析,如图10右所示:

电流IBRAKE从0开始迅速增大到最大,VL迅速从此刻(VL=VBEMF)降低到0,但是在这个短时间段内,电机转速变化很小,所以反电动势略微降低,VBEMF仍然较大。此时刻(VL降到0时)刹车电流最大:

相比较于刹车前时刻的相电流:

IBRAKE可能是几倍于IDRIVE,这就是我们常见的刹车电流尖峰非常大,极性相反。特别是在高转速下的急刹车可能会触发驱动芯片过流OCP保护。
以上就是电机续流控制的详细说明及各衰减模式的差异理解。在市面上能真正发挥续流衰减模式性能的驱动芯片较少,而芯朋微最新推出的高性能步进电机驱动产品系列PN7781就诠释了如何灵活优化续流的控制。
高性能步进电机驱动--PN7781
PN7781是一款集成电流检测(无需外部功率电阻采样,节省面积和成本)、带1/16细分(细分可选)的高性能步进电机驱动芯片,适用电机电压高达37V,电流支持1.5A峰值,内部带细分控制逻辑,只需要简单STEP/DIR控制接口,并集成全面复杂的保护功能。

PN7781TG-A1
芯片特征
● 步进电机集成驱动
宽电压范围:8V~37V
每个H桥电流:1A持续电流(1.5A峰值)
低导通电阻:0.86Ω(高边+低边)
● STEP/DIR输入接口,控制简单
● 六种步进模式,最高支持1/16细分
● 慢速衰减和混合衰减模式运行中可调整(四种选择)
● 集成电流检测功能:无需检测电阻
● 低睡眠电流:IVCC_SLEEP <20uA
● 异常保护功能:电源欠压保护(UVLO),电荷泵欠压(CPUV)过温保护(OTP),过流保护(OCP),故障指示引脚(nFAULT)
PN7781非常适用于办公设备(如打印机、扫描仪)、3D打印、安防监控IPC和医疗设备等步进电机。

图11 PN7781典型应用
其中PN7781一大特色功能是续流多种衰减模式及灵活设置(运行中可实时调整),可以适配及优化驱动不同参数的步进电机,以达到最佳的运行性能。
表2 PN7781 Decay管脚设置电压

如表2,PN7781通过四态电平DECAY管脚设置电压范围,来选择续流衰减模式。
其中慢衰/混合衰减模式是在电流上升阶段使用慢衰减,在电流下降阶段使用混合衰减。用户可根据实际使用的电机参数,以及实际测试的平稳性及震动、噪音等水平,来设置匹配最优的衰减模式。
同时,如上文谈到的tBLANK消隐时间,PN7781采用先进的自适应消隐时间。

图12 PN7781消隐时间
如图12所示,基于正弦指数和TRQ设置自动匹配tBLANK时间,通过在小电流台阶上减少消隐时间,有效改善电流波形过零点附近的失真。
综上,PN7781采用自适应的消隐时间配合续流多种衰减模式的灵活控制,可以适配各参数的步进电机,很好地平衡步进电机平滑稳定性、噪音和震动,明显提升终端产品的运动(机械传动)性能。
表3 Chipown步进电机驱动产品系列

此外,芯朋步进电机系列产品丰富,从低压到中高压,从性价比的简单控制到高性能步进电机驱动齐全,如表3所示。
产品基本覆盖各类型应用所需步进电机,用户可以按需要选择合适方案(其中集成细分是指芯片内部集成细分控制的逻辑,只需要脉冲输入STEP脚控制即可。而对普通步进电机驱动产品,也可以通过PWM输入的软件方法实现细分控制)。
审核编辑:汤梓红
上一篇:基于卡尔曼滤波器的自动驾驶算法
下一篇:外部环境对变频器使用寿命的影响