时间:2023-06-08 15:31
人气:
作者:admin
前言
本章节采用流频比I/F控制方法驱动永磁同步电机的转动,首先分析流频比I/F的控制原理,然后在Matlab/Simulink中进行永磁同步电机流频比I/F控制系统的仿真分析,为后续PMSM无感启动做铺垫。
一、流频比I/F控制原理
PMSM的恒压频比V/F控制是保持电机的电压和频率之比固定,即磁通为常数,既不需要转速闭环控制,也不需要进行电流采样,是一种完全的开环控制方式。V/F控制有两个明显的不足:不具备负载转矩匹配能力,转速容易产生振荡;最佳V/F曲线的整定比较困难,容易引起电机过电流。
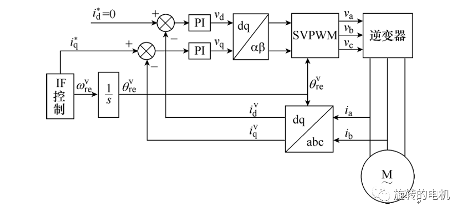
相比于恒压频比V/F控制,流频比I/F控制是一种转速开环,电流闭环的控制方式,其无需保持电流幅值和频率的比值恒定,可依据负载转矩选择合适的电流幅值。I/F控制可以直接控制定子绕组电流幅值,因此这种控制方式不会出现电机过电流现象;通过控制定子绕组电流,使电机具有较好的负载转矩匹配能力,并且依靠“转矩-功角自平衡”特性,电机具备较强的抗负载扰动能力。I/F控制框图如下所示




二、永磁同步电机I/F控制系统Matlab/Simulink仿真分析

上图为PMSM流频比I/F整体控制框图,为了后续算法模型生成代码加载到底层工程进行工程实现,本示例将I/F控制算法部分单独建立模型,通过调用I/F控制算法模型进行PMSM的流频比I/F控制。
2.1.仿真电路分析


2.1.1 I/F控制

IF控制算法如上图所示,Id_Ref设置为0,Iq_Set设置为电机额定电流1.2A,位置角通过如下生成:
目标速度除以时间得到加速度。此示例加速度设置为1200/3=400,即3s的时间速度由0加速为1200。

对加速度求积分得到速度,再通过下式将速度换算为角频率。


再通过 we=2pif 将角频率换算为角速度。

对角速度求积分得到电角度。

将电角度减去pi/2,使给定的虚拟同步dvqv坐标系初始位置滞后实际的基准dq坐标系90°。

通过mod函数将电角度换算到0~2*pi之间。

2.1.2 FOC电流环控制

上图为PMSM电流闭环控制
2.1.3 输出处理

对SVPWM控制算法的输出波形做归一化处理,使其落在[0,1]的范围内:


2.1.4 主电路

2.2 仿真结果分析
电机转速:3s后达到设定的目标转速1200RPM

电机定子电流:电流幅值为设定的给定值1.2A

电机转子位置与给定位置:两坐标系的初始位置差为90°

同步旋转坐标系下的定子电流Id、Iq:

同步旋转坐标系下的定子电压:

电磁转矩:

总结
本章节采用流频比I/F控制方法驱动永磁同步电机的转动,首先分析了流频比I/F的控制原理,然后在Matlab/Simulink中进行了永磁同步电机流频比I/F控制系统的仿真分析,为后续PMSM无感启动奠定基础。