时间:2023-06-08 18:16
人气:
作者:admin
01 导读
SINAMICS V20变频器控制三相交流异步电机,按照尺寸的不同(外形尺寸FSA到FSD)三相交流400V变频器功率范围覆盖0.37kW至30kW,单相交流230V变频器功率范围覆盖0.12kW至3kW。
02 V20变频器接线图
变频器接线有三部分,分别是主电路接线,根据型号不同,分为230V和400V两种;控制电路接线,分为数字量输入、输出、模拟量输入输出和通信控制接线端子;扩展模块接线,具体接线如下图所示。

03 模拟量控制变频器调速应用
控制要求:有一变频器带动电动机运行,启停方式要求是端子启停,通过HMI设定运行频率控制变频器运行,控制运行频率由模拟量方式给定;变频器频率模拟量给定信号为0到10V。
根据控制要求,分为以下几个步骤实现:
①恢复出厂设置
首次上电后需要对运行频率进行选择。默认为0(50HZ)

在数据显示页面长按M键2秒进入参数设置:
P003=1(1标准、2扩展、3专家、4维修)
P0010=30;工厂的设定值
P0970=21;参数复位 若想保存之前设定的参数侧选择1(若设完参数没把P971设置为21则会进行出厂设置)
在变频器停机状态,把参数恢复为出厂值(缺省值).P971设置为21即可保存参数。
如果是恢复用户默认值,则是把P970设置成1(= 1: 参数复位为用户默认设置(如已存储),否则复位为出厂默认设置)

②快速调试
P0010=1;快速调试方式。
根据电机铭牌信息设置具体的电机数据,本示例数据参考如下:

③设置连接宏
设置完P1900后接着进入快速调试的下一个步骤,设置连接宏。
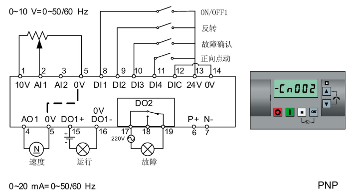
按M键会显示当前显示的链接宏,按上下键选择合适的连接宏CN002,设完后点击OK键。长按M键退出设置显示常规页面。
④设定参数
由于示例要求是模拟量0-10V正信号电压,而P0756默认参数也是0-10V正电压,因此不需要设置。如果是其他信号可参考下表进行设置:

设定CN002连接宏后,系统会自动把以下参数进行设定,如下表所示:

P0771设置模拟量输出的功能,设置不同的参数值时模拟量输出表示不同的过程值,常用设置如下:
P0771=21,模拟量表示实际输出频率,按P2000(基准频率)标定
P0771=25,模拟量表示实际输出电压,按P2001(基准电压)标定
P0771=26,模拟量表示实际直流母线电压,按P2001(基准电压)标定
P0771=27,模拟量表示实际输出电流,按P2002(基准电流)标定
P0771=31,模拟量表示实际输出转矩,按P2003(基准转矩)标定
其次,选择CN002连接宏后,系统默认2种NPN和PNP接线图,具体如下图所示:


最后编写模拟量程序即可完成该案例的功能。
04 四、结语
通过以上分享,相信大家已经掌握了模拟量控制调速的基本使用和参数设置的顺序操作步骤概念。下面为大家分享关于模拟量控制相关知识作以下总结:
(1)数字量接线分为NPN和PNP两种类型,也可以使用外部24V电源,使用外部24V电源时,24V和0V接线端子切记不能接线。
(2)模拟量反馈为实际频率时,若在反转要实现频率值,则应该把参数P0775设置为1。
(3)连接宏参数设置为一次性设置。在更改上次的连接宏设置前,务必执行以下操作:
1. 对变频器进行工厂复位(P0010 = 30,P0970 = 1)
2.重新进行快速调试操作并更改连接宏 如未执行上述操作,变频器可能会同时接受更改前后所选宏对应的参数设置,从而可能 导致变频器非正常运行。
编辑:黄飞
上一篇:电动机启动控制电路分析
下一篇:电动机间歇运行控制电路分析