时间:2023-05-31 10:57
人气:
作者:admin
电机有哪些种类?
虽然“电机的种类”这几个字说起来简单,但随着技术的发展,电机已经变得越来越多样化,因此分类方法也呈现多样化趋势,可以根据电源种类、产生转矩的原理、电机结构以及应用领域等进行分类。
例如,当我们根据[转矩产生原理] ≫ [电源] ≫ [结构]进行分类,就会得出如下图所示的结果:

如上图所示,电机的种类有很多,但方便用于电子制作的电机却是有限的。 在本文中,将为您介绍适用于电子制作的三种主要电机及其应用。
什么是有刷直流电机?
在电子制作中常用的电机是“有刷直流电机”。 不同的电机制造商对这种电机的叫法也有所不同,比如“DC电机”、“直流换向器电机”、“有刷电机”、“直流换向器电动机”等各种名称。
有刷直流电机是一种简单易用的电机,它无需准备特别的电子电路来驱动,只要连接干电池等电源即可旋转。 由于其易用性和低廉的价格,使其成为电子制作中使用率最高的电机。
它还可以通过PWM或被称为“电机驱动器”的控制IC来调整旋转速度、设置旋转方向并控制制动等,因此还被广泛用于无线电控制器和风扇等应用。

图中是有刷直流电机的典型控制方式——“H桥电路”。 可以通过四个开关(实际上是晶体管或FET)的ON/OFF来操作电机①自由/②正转/③反转/④制动。
虽然这种电机具有易用性的优点,但它也有一些缺点。 有刷直流电机的内部具有被称为“电刷”的接触体,如果电刷因旋转引起的摩擦而严重磨损,电机将无法使用。 转几个小时是没有问题的,但是如果持续使用,电刷就会磨损严重,就需要更换整个电机,而且电机不能再重复使用。
此外,接触体电刷产生的火花也是导致噪声的原因之一,在某些情况下,有刷直流电机运行时产生的异味也是很大的问题,因此,在一些应用场景中,必须考虑其他选项。
优点
给电即可旋转
价格低
缺点
电刷引起的问题(寿命、噪声、异味等)
什么是无刷直流电机?
“无刷直流电机”通过取消有刷直流电机的电刷,解决了电刷带来的弊端。 通过去除电刷,取消了电机内部的接触体,减少了零部件数量,最终使电机在可维护性、重量、寿命、电机效率和高速旋转等各个方面的性能都得到了提升,可以说是一种划时代的电机。 这种电机不是给电就可以工作的,使用起来稍微有点麻烦,但其效率高,寿命长,因而常被用于电池供电的设备。
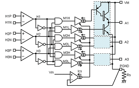
使电机旋转的电子电路会始终监测与输出轴(曲轴)连接的转子的旋转角度,并根据角度随时切换线圈的通电。 驱动电路的作用对于无刷直流电机的控制非常重要。 无刷直流电机的驱动电路需要很多电子元器件,包括位置检测传感器、多个功率晶体管和栅极驱动器、以及控制它们的微控制器等,因此对电路设计技巧和软件知识要求很高。
近年来,配备单片机控制IC或具有无刷直流电机控制功能的微控制器的无刷直流电机也越来越多,但总体而言,无刷直流电机的操作还是比有刷直流电机复杂。

无刷直流电机的驱动电路。 在该电路之外,还增加了位置检测传感器和用来检测过电流的保护电路,使电路规模很大。
顺便提一下,无刷直流电机的分类比较复杂,由于电机本身是由逆变器产生的交流电驱动的,所以可以考虑将其归类为“交流电机”,但貌似无刷直流电机多被归类为“直流电机”。
优点
重量轻、寿命长、电机效率好
缺点
价格贵、驱动电路复杂
什么是步进电机?
“步进电机”是可以控制旋转角度的电机。 前面介绍的两种电机都是用作长时间连续旋转的动力源,而步进电机主要用于位置控制。
步进电机的特点是,每施加一次脉冲信号,输出轴就转过一个固定的角度。 这种每输入一次脉冲信号而旋转的角度称为“步距角”。 例如,如果是步距角为1.8°的步进电机的话,会每200个脉冲旋转一圈,因此可以按照“施加100个脉冲使其旋转半圈”、“每秒施加1000个脉冲,使其5转/秒”等进行控制,可以很灵活地控制其旋转速度、方向和停止位置等。
由于即使在电机停转时其保持转矩也会作用,因此步进电机也被用于需要固定停止位置的应用。
与伺服电机通过安装在电机外部的伺服机构来实现准确停止位置的方式不同,步进电机通过其内部结构来控制位置,因此具有结构简单、可靠性高的特点。对于数控机床、3D打印机和机械臂等需要高精度位置控制的应用而言,步进电机已成为不可或缺的部件。
只需施加脉冲即可运行的步进电机,其驱动电路是相对简单的。但是,如果负载转矩过大或转速过快,就会出现失步(发送的脉冲数与旋转角度不匹配)和噪声等问题,因此要想使其稳定运转,还是需要一定的机械设计技巧的。

用来驱动步进电机的驱动器IC。乍一看很复杂,不过其原理只是有刷直流电机的H桥电路的延伸而已。另外,它会处理脉冲信号,因此很容易控制。
优点
位置控制容易
具有保持转矩
可靠性高
缺点
步进式旋转,所以动作不顺畅
不适合长时间连续旋转和高速旋转
审核编辑:汤梓红
上一篇:PLC是什么 PLC的功能及选择
下一篇:九个接线柱的电机怎么接