时间:2023-06-05 10:33
人气:
作者:admin
内容:
我们什么时候使用星三角启动电路?
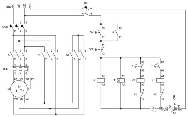
带定时器的星三角控制电路图
A.星型
b. 增量模式
我们什么时候使用星三角启动电路?
星三角启动电路通常用于降低中大容量电动机的启动电流。大电机的启动电流会影响电源和其他设备。三相电机星型启动时,启动电流小于三角型的三倍。当电机转速达到额定转速的75%时,切换到delta模式
该电路使用定时器自动将电机的运行模式从星形模式转换为三角形模式。该电路将比手动星三角启动器电路图更准确地工作。
带定时器的星三角控制电路图

带定时器的星三角接法
电路图如上图所示。动态电路使用三个接触器。控制电路采用两个按钮来控制电机的运转和停止。
当我们按下 ON 按钮时,电机将以星形模式运行。这时,计时器开始计时。当定时器达到预设时间时,定时器触点将改变它们的状态,导致电路进入三角模式。
当我们按下OFF按钮时,这个电路就会恢复到原来的状态。
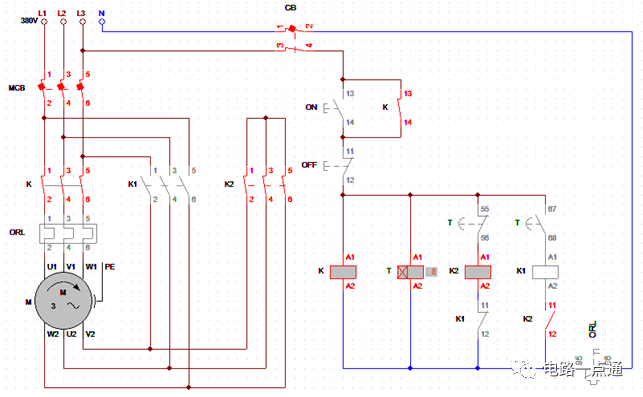
A。星型模式
当我们按下ON按钮时,接触器K和接触器K2的动触点闭合,电机以星形方式启动。定时器将决定电机在星形模式下运行多长时间。根据电机的功率和额定转速,我们需要调整这个时间。当电机切换到三角模式时,电机转速应达到额定转速的 75%。

电机工作在星形模式
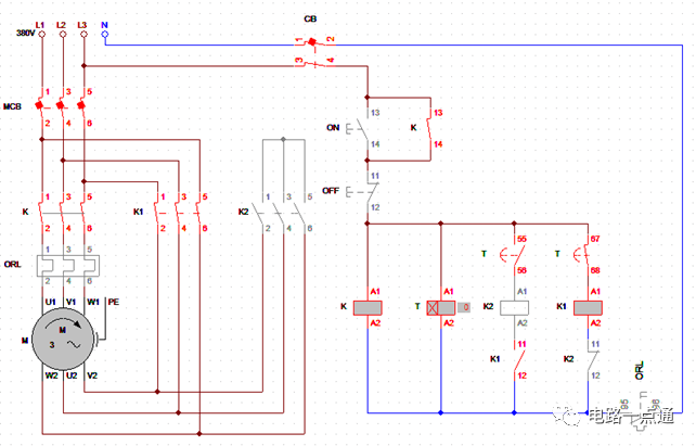
b. 增量模式
当定时器T计数到预设值时,定时器T触点改变状态。在动态电路中,接触器K和K1的触点闭合,即电机工作在三角模式。在Delta模式下,电机以额定功率和额定转速正常运行。

电机工作在三角模式
带定时器的星三角控制图仿真视频
审核编辑:汤梓红