时间:2023-05-19 16:36
人气:
作者:admin
改进基本控制方法以满足更高级的要求
虽然上述控制拓扑都可以用于各种不同的系统电源要求,但存在一些实际应用上的限制,所以需要创新发展更多的解决方案。其中一个更重要的驱动因素是现在快速发展的数字世界,随着数字处理控制器在速度、计算能力和功能上的增长,对这些系统的供电电源提出了额外的要求。为了满足对不断增加的低压大电流电源的需求,通常会关闭或禁用一些未使用的功能来减少内部功耗,而在需要时再开启。这即是常说的电源动态负载要求,电源必须能对电流大幅度快速变化作出响应,同时保持稳压精度。
通常一个简单的降压开关调节器可输出高达20A的负载电流,但是,除此之外,也常常会将多个电源并联实现更大的电流输出,单个电源具有小电感量,这样对负载响应更为迅速。这推动了另一种称为多相(降压)转换器控制算法的发展。在最简单的形式中,并联多个转换器的开关管与主时钟同步,但它们之间存在360/n度的相移,其中n是转换器的数量。例如,为了实现100A的输出负载电流,我们设计成五个转换器,每个具有20A的输出能力。单单这一步就允许使用更小尺寸的元件进行设计,并且在更大的面积上进行散热。

但是,我们同时也可以设置时序,这样每个转换器的开通之间有360/5度的相位差,现在一个占空比内会看到五个电流增量的增加或减少,每个转换器只需要转换总电流的1/5。上图中给出了单相与多相的比较,其中“n”是相数,在本例中为三相。
随着相数(n)的增加,多相结构还减少了输入和输出电容上的应力。由于降压拓扑结构具有“斩波”输入特点(和普通的Buck一样),在输入电容中会看到较高水平的交流有效值电流,但该电流也取决于工作的占空比,当占空比为0或100%时,没有交流有效值电流。但在任何其他情况下(其他占空比)就存在,在50%的占空比时达到最大值,其值为峰值电流的1/2。在下图中输出端电容应力也得到了缓解,因为它流过电感电流的交流分量,当其中一相电流上升时,所有其他相的电流都下降,这样实现了对消。随着输入和输出电容中峰值电流的降低,EMI噪声滤波问题也大为减小

一种实用的谐振模式控制算法
有一种特别的开关拓扑:LLC谐振半桥控制器。我们已经知道,通过增加一定开关管导通延迟时间,可以利用谐振来减少开关损耗。而且长期以来,人们认为如果能将全谐振电路引入开关功率单元的话,可以将方波转换为正弦波(当然,这是一种近似转换),从而实现更高的效率同时减少噪声。理论上已经提出了许多种拓扑结构,但极少数具有实用性。作为背景知识,谐振一般是在方波电压源和负载之间引人谐振储能电路,利用频率来改变谐振阻抗,从而实现输出功率的传递。最直接了当的电路形式是串联谐振电路(SRC)和并联谐振电路(PRC),如下图所示。

但是,这两种方法都有很大的缺点。尽管串联谐振电路具有恒定的谐振点,但是控制算法会导致频率随着负载的降低而增加,牺牲了大部分希望的效率增益。而并联谐振电路的缺陷在于谐振点随负载而变化,存在大量的循环电流,也会影响效率,为了解决这些问题,于是人们将它们结合到了一起,这样得到了下图中的新混合拓扑。

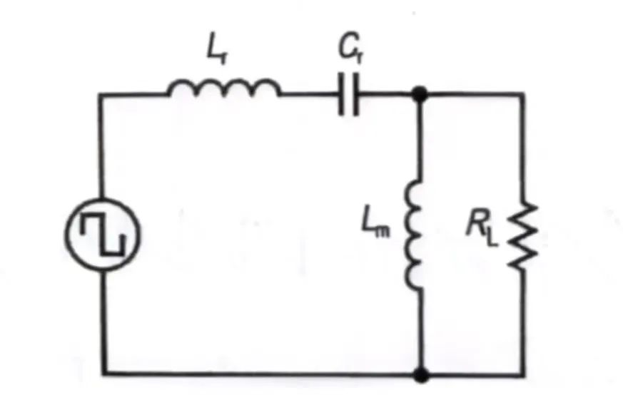
串联谐振腔(Lr和C r )与并联电路(Cr和L m )的组合,由于每个谐振单元具有稍微不同的谐振频率,这样实际上是形成了一个分压器,通过频率的改变来决定负载端的功率。这种拓扑的优点在于,两个电感可以设计在同一个变压器中,并且在开关频率变化相对较小的情况下可以实现精确的控制。现实中典型的应用是基于方波发生器的半桥拓扑结构,如下图所示。开关采用50%的占空比进行上下管互补驱动(留有一定的小死区时间),在串联电感的作用下,可以实现零电压开关(ZVS)。变压器除了参与谐振作为谐振电感外,同时提供安全隔离和输出电压变换。在等效电路中R L '包括了实际的负载、副边绕组以及输出整流管的损耗,它们都是通过变压器折算到原边的。

当用方波电压来激励谐振网络时,谐振网络会从电源中汲取很大的正弦电流,负载功率是输入频率的函数,而第二个电感Lm的存在使得峰值谐振点也是负载的函数。
上图中左侧所示的方波等效电路可以用右侧的正弦波模型来近似,VCE为方波VSQ的基波分量。类似地,输出电压VOE 是VSO的基波分量,现在可以用单一频率的正弦电路来进行分析。
可以看到,由于这些变量的存在,在输入为方波时,此电路很难进行分析。但是由于在谐振时大部分能量都包含在一次谐波之内,所以我们可以近似用正弦信号的线性模型来进一步简化分析。这样就产生了一系列谐振曲线,并得到了电路的传递函数,如下图所示。

该曲线图将整个电路增益绘制成与工作频率相关的函数,曲线簇由输出负载定义。横坐标为归一化工作频率,纵坐标为峰值增益。控制频率范围由图中的区域决定,而此区域由最大的输入电压范围和输出负载的变化联合确定。其中输入和输出的电压决定了增益范围,最小和最大负载谐振曲线确定了连接曲线的形状。
这样近似的结果就能得到了一个相对简单高效的电路,基于频率调制算法,可以实现对输出的精确控制。
开关电源中控制算法-小结
开关电源中控制算法到这里就结束了,这里介绍的只是所有控制算法中的一部分。新的控制方案已经有很多很多,也许是数百个,甚至是数千个,它们在一些特定的情况下能提升电源的一些特性,但是绝大多数只是停留在理论层面。然而,随着电源的需求复杂化,电源拓扑和控制方案的原创想法仍然是存在的。
上一篇:BLDC电机控制算法之FOC简述
下一篇:开关电源中控制算法(一)