时间:2023-05-19 16:42
人气:
作者:admin
电流模式控制
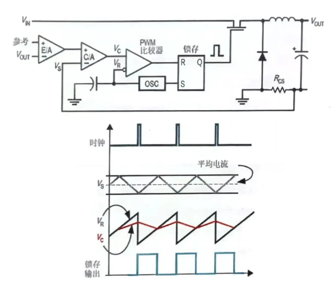
在20世纪80年代早期,引入了一种新的控制算法,将主控对象从输出电压变为电感电流。输出电压仍然是稳定的,但是脉宽调制PWM是为了调节电感电流,以保持稳压。虽然增加了控制的复杂度,但其好处是很明显的,其中最值得注意的是,由于电流天然地被限制了,现在可以将完整的控制器集成在非常便宜的8脚IC封装中。其控制框图和工作方式如下图所示。

可以看出,电流模式架构似乎与电压模式架构具有完全相同的功能模块,但是在这种情况下,振荡器仅决定开关频率,通过将开关管锁存导通来开启PWM脉冲。这里仍然有一个模拟误差放大器产生一个误差信号,用于使输出电压跟随内部参考,一个比较器通过比较误差信号和斜坡波形来提供脉宽调制PWM。但是区别在于,斜坡信号现在变成了输出电感电流的模拟信号,波形图中的信号标记为V CS 。该波形的平均值代表了平均直流输出电流,但顶部的斜坡波形是由电感和输入电压确定的瞬时电流。波形的峰值与误差放大器的输出相等时,开关管关断。
请注意,现在出现了两个反馈控制环路,一个来自于输出电压决定电压误差,另一个来自于输出电感决定电感电流,其中之一或两者都可以改变开关脉冲宽度。电流信号可以通过多种方法得到,它也可以在电路中不同位置进行检测,但最常见的是,对于非隔离拓扑,在功率回路中进行检测(如上图所示),而在变压器耦合的拓扑中,则在开关管串联位置处进行电流检测。
电流模式控制的优点包括:
但也还有其他一些缺陷:
平均电流模式控制
刚刚讨论的电流模式架构还有另外一个问题,即控制是基于电感电流波形的峰值,而负载端看到的是电感的平均电流。虽然这会在控制算法中引入非线性,但对于固定输出电压调节器而言,这一般不是问题。然而如果需要大范围下进行电流控制,就会出现问题。其中一种应用是有源功率因数预调节器(APFC),它要求在整个输入线电压周期内线性地控制电流。在这些条件下,电流环需要更高的增益,因此可能需要下图所示的结构图。

这里的PWM是通过一个固定的斜坡波形产生的,这和电压模式控制器中一样,但是现在这个比较是与一个模拟电流放大器的输出相比较,而模拟电流放大器是结合了电压和电流反馈环路。由于现在要控制的是平均电感电流,需要在信号能够包含完整电感电流波形的地方来检测电流信号。现在,我们就可以完全线性控制输出电流,而需要付出的代价就是要增加一个高增益放大器(并自带补偿),这会导致成本很高。因此除了真正需要的场合之外,这种控制方案很少见到和用到。峰值与平均值控制的比较如下图所示。

谷底电流模式控制
为了缓解峰值电流模式中最小占空比的限制,谷底电流检测引入了前沿调制,这样开关管在导通之前就完成了脉宽的确定。结果就是控制方式容许更大的噪声,而且能对较大降压比所需的窄脉冲进行精确控制。这种架构观察的是电感电流波形的下降过程,通常通过在续流管中进行测量并采用适当的信号调节,所得斜坡电压与反馈电压误差信号进行比较。另一个特点是增加一个恒定导通时间的开关激活电路,这样就不再需要斜率补偿,该电路作为输入电压的函数来进行导通时间调节。这个控制的简化框图如下图所示。

上一篇:FPGA实现PID控制算法
下一篇:一文了解透彻PID控制