时间:2023-05-13 10:17
人气:
作者:admin
MOVIFIT FC变频器初始化StartUp(电机整定)


电机启动
电机启动必须在专家模式下进行。
要激活“专家模式”,必须将DIP开关S10 / 1切换到ON。这是默认设置。该信息也可在MotionStudio中获得.

开关位于EBOX的底部
电机数据在电机附带的铭牌上列出。

确保检查电机是星形连接还是三角形连接。
该屏幕仅显示数据
此步为只读信息,显示变频器基本信息,缺省设置及缺省匹配电机。
如果为easymode 则只能进行至此步。

该AMX通过参数设置1
MOVIFIT FC支持2套独立的参数,可一一进行配置,点击NEXT下一步

始终选择此设置

仅当ABOX具有以下标识时,AMX才能用于单电机运行:

当ABOX具有以下标识时,可以使用多电机操作:


所有SEW电机均设计为矢量控制运行,因此请确保选择此类型的运行
选择控制方式:FluxVectorControl矢量控制;v/f变压变频控制;推荐使用矢量控制!

AMX仅可在“速度控制”操作模式下使用
选择运行模式:Speed速度控制;Hoist提升;DC brake直流制动;FlyingStart飞速再启动;


您可以在此处打开电机列表。然后,您必须选择正确的电动机

选择电机制动器型号及电压(SEW);如驱动非SEW电机制动器则可输入所需电压(MOVIFIT FC可输出一定范围的制动电压);或使用DB00开关量输出点控制制动器(此时制动器需整流块供电)

速度驱动必须激活
P303电流极限,P500速度监控,P501速度监控报警延迟时间。点击Accept按钮则接受SEW软件建议值

SEW建议,或使用项目计划值
P301最小速度限制,P302最大速度限制,P130加速时间,P131减速时间,P136快速停车时间(断开Enable停车)根据实际需要分别设定

配置完毕,下载到变频器,下载完成会提示下载成功(注意下载时需变频器处于非使能工作状态,安全第一!)

启动已经开始,整个过程是不言自明的。
配置完StartUp,则可手动试车,点击进入ManualMode,注意:手动试车后要记得关闭,即Deactivate Manual Mode再退出!

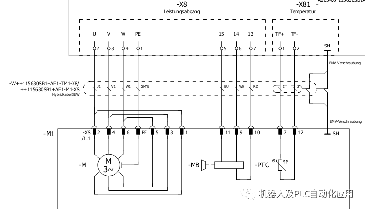
对电机进行相应的接线


| X8 | 1 | PE | 电机 PE 接线端 | |
| 2 | U | 电机相 U 输出端 | ||
| 3 | V | 电机相 V 输出端 | ||
| 4 | W | 电机相 W 输出端 | ||
| 5 | 15 | SEW 制动器端子 15(蓝色) | 直流电压制动器接线端 (+) | |
| 6 | 14 | SEW 制动器端子 14(白色) | 无功能 | |
| 7 | 13 | SEW 制动器端子 13(红色) | 直流电压制动器接线端 (-) | |



| MOVIFIT‑FC 连接端子 | 混合电缆 |
| 导线颜色/标记 | |
| X8/1 接地 | 绿色‑黄色 |
| X8/2 电机三相电源 | 黑色/U1 |
| X8/3 电机三相电源 | 黑色/V1 |
| X8/4 电机三相电源 | 黑色/W1 |
| X8/5 电机抱闸 | 蓝色/15 |
| X8/6 电机抱闸 | 白色/14 |
| X8/7 电机抱闸 | 红色/13 |
| X81/1 温度传感器+ | 黑色/1 |
| X81/2 温度传感器- | 黑色/2 |

电机布线提示
:
•为获得需要的电机转向,电机相U、V、W 须与 ABOX 的端子 X8/X81 正确连接。电机和温度传感器必须与 ABOX的端子 X8和 X81连接。
电机制动抱闸的蓝白红三根线直接接在变频器ABOX里X8的5,6,7上
制动器布线提示

•电压低于 40V的制动器不能和 MOVIFIT‑FC连接使用。
•对于 SEW 电机,您必须在不采取其他措施的情况下(无制动整流块)将制动器与ABOX的制动器连接端子连接。前提条件是必须连接一个电压为 110V、120V、230V或 400V的 SEW制动器。
•对于其他的带制动器的非SEW电机,您可以通过二进制输出端DB00以及相应附加措施(例如使用制动整流块)实现对非 SEW制动器的控制。


编辑:黄飞
上一篇:西门子变频器安装调试方法分享
下一篇:浅谈PLC柜内部布局、接线、布线