时间:2023-05-10 17:38
人气:
作者:admin
对于PLC程序的编写,一个好的plc程序一般都具有程序的具有正确性、可靠性、方便性、简洁性和可读性就是很好的程序!
一:PLC程序的内容
PLC应用程序应最大限度地满足被控对象的控制要求,在构思程序主体的框架后,要以它为主线,逐一编写实现各控制功能或各子任务的程序。经过不断他调整和完善。使程序能完成所要求的控制功能。另外,PLC应用程序通常还应包括以下几个方面的内容:
1、初始化程序在PLC上电后,一般都要做一些初始化的操作。其作用是为启动作必要的准备,并避免系统发生误动作。初始化程序的主要内容为:将某些数据区、计数器进行清零;使某些数据区恢复所需数据;对某些输出量置位或复位;显示某些初始状态等等。
2、信号检测、故障诊断、数据显示、设备联络等内容均可以作为常规预留。这些内容可以在程序设计基本完成时再进行添加。它们也可以是相对独立的程序段。
3、保护、连锁程序。各种应用程序中,保护和连锁是不可缺少的部分。它可以杜绝由于非法操作而引起的控制逻辑混乱,保证系统的运行更安全、可靠。因此要认真考虑保护和连锁的问题。通常在PLC外部也要设置连锁和保护措施。
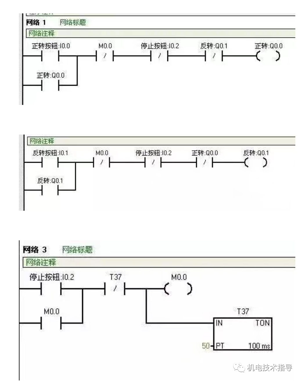
4、PLC主体程序和子程序。这是直接跟工艺控制相关的逻辑与运算,一般都可以按照空间或时间来分类编写子程序,每一个子程序最好预先分配足够的独立的数据存储区域或数据块,程序变量名称统一规划,繁杂的地方一定要详细注释。贯通工艺,充分采集设备参数和操作人员的需求信息,才能编写出一套易于验收的合格程序。

二:PLC程序的质量
对同一个控制要求,即使选用同一个机型的PLC,用不同设计方法所编写的程序,其结构也可能不同。尽管几种程序都可以实现同一控制功能,但是程序的质量却可能差别很大。程序的质量可以由以下几个方面来衡量:
1、程序的正确性: 应用程序的好坏,最根本的一条就是正确。所谓正确的程序必须能经得起系统运行实践的考验,离开这一条对程序所做的评价都是没有意义的。
2、程序的可靠性好: 好的应用程序可以保证系统在正常和非正常(短时掉电再复电、某些被控量超标、某个环节有故障等)工作条件下都能安全可靠地运行,也能保证在出现非法操作(如按动或误触动了不该动作的按钮)等情况下不至于出现系统控制失误。
3、参数的易调整性好: PLC控制的优越性之一就是灵活性好,容易通过修改程序或参数而改变系统的某些功能。例如,有的系统在一定情况下需要变动某些控制量的参数(如定时器或计数器的设定值等),在设计程序时必须考虑怎样编写才能易于修改。

4、程序要简练:编写的程序应尽可能简练,减少程序的语句,一般可以减少程序扫描时间,提高PLC对输入信号的响应速度。当然,如果过多地使用那些执行时间较长的指令,有时虽然程序的语句较少,但是其执行时间也不一定短。
5、程序的可读性好: 程序不仅仅给设计者自己看,系统的维护人员也要读。另外,为了有利于交流,也要求程序有一定的可读性。
审核编辑:汤梓红