时间:2023-05-11 10:50
人气:
作者:admin
相信很多PLC初学者都有这样的疑惑,“PLC一键启停程序”为什么有那么多方式?怎样才能开始掌握PLC一键启停不同方式的程序编写呢?下面咱们一起来看看:
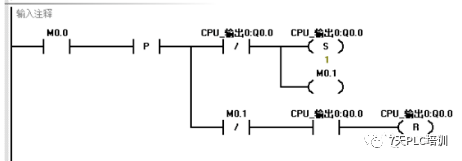
采用位逻辑指令结合PLC工作原理实现一键启停的程序编写

采用位逻辑指令结合PLC工作原理实现一键启停的程序编写

采用逻辑运算取反指令实现一键启停的程序编写

采用逻辑运算异或指令实现一键启停的程序编写

复位优先双稳态指令

利用扫描关系原理

计数器

除此以外还有其他各种各样的编写方式,但前面两种方式适用于任何品牌系列的PLC 。所谓PLC学习,那必须的20%的理论+70%的实践,只有将理论实践化,才能真正的掌握这门技能!
编辑:黄飞