时间:2023-04-20 11:07
人气:
作者:admin
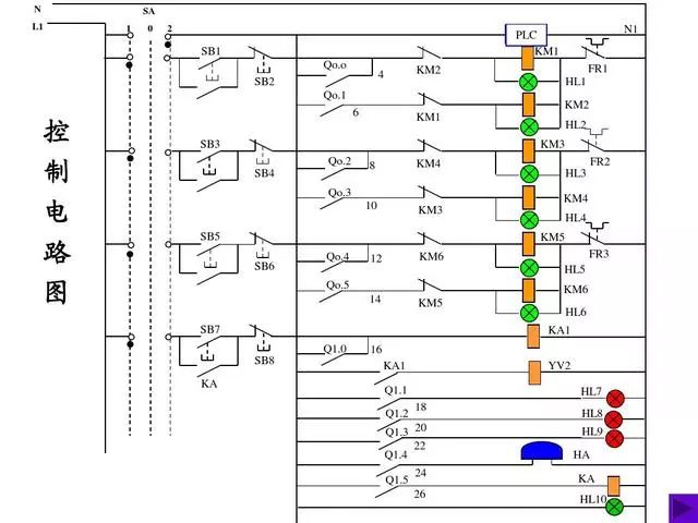
PLC和变频器都是工业控制中最常用的设备,二者可以单独使用,也可以密切配合,都能够达到自动化控制的目的,应用非常的广泛,今天就举一个具体的例子:双恒压无塔供水系统,这个系统是由变频器和PLC密切配合才能完成的,一般都在大的项目上使用。































编辑:黄飞
上一篇:一文教你看懂电气图