时间:2023-04-18 09:34
人气:
作者:admin
1、动力电路:例如电动机类的洗衣机、电冰箱、电风扇等等;
2、发光照明电路:例如各种灯具、液晶板等等;
3、热能电路:例如电炉、烤箱电暖风等等;
4、控制电路;
5、交直流转换电路等等。
由金属导线和电气以及电子部件组成的导电回路,称其为电路。 直流电通过的电路称为“直流电路”; 交流电通过的电路称为“交流电路”。
电路:把电源、用电器、开关、导线连接起来组成电流的路径。
电源:提供电能用电器:消耗电能开关:控制电路导线:输送电能电路的三种状态:
通路:处处接通的电路,当开关闭合的时候,电路处于通路状态。
开路:断开的电路,当开关断开的时候,电路处于断路状态。
短路:将导线直接连接在用电器或电源两端的电路,这是错误的操作。 点动电路和自锁电路,可以说是在电工学习当中必须要掌握的,最基本的两个电路。 而且这两个电路,在我们的控制当中有着大量的运用。 比如说升降平台,钻床等等设备当中,用到的都是点动。 而自锁电路在工业控制当中,那就更广泛了,可以说是无处不在。 这两个电路,可以说是,所有电路的老祖宗. 电工电路图接线口诀识电图,有方法,学要义,捷径佳,
接线原理详细看,万千资料记心间。
标题栏,元件表,读说明,图形号,
先从总体到局部,再从电源到负载。
主电路,要看详,副电路,不能忘,
从上到下有顺序,从左至右不漏项。
能量径,信息流,各表图,要了解,
分析电源到负载,二次回路信号线。
材料表,施工书,总要求,目录号,
图样说明看详细,识图重点便明了。
看原理,分主副,交直流,细分清,
先看电源各回路,保护测量控制清。
安装图,照主副,经线路,到负载,
不忘电源一段段,元件连接按序看。
展开图,识读时,据原理,在回路,
电器元件功能键,分别画在线路间。
平面图,剖面图,看土建,看管道,
电气设备有位置,细看尺寸和投影。
连接线,传信息,示逻辑,连功能,
多线表示虽麻烦,直观详细易辨明。
单线法,也简单,示三相,要对称,
单画互感继电器,多线文字详记明。
明暗敷,粗细线,加文字,画斜线,
标注导线各型号,宽厚截面标中间。
十字形,连T形,导线交,连不连,
就看中心小圆点,明明白白好分辨。
绝缘线,要标记,从属端,独立线,
组合标记功能键,相位保护极性间。
元器件,图形号,简外形,要素号,
集中表示简单图,分开表示展开图。
工作态,画正常,接触点,方向致,
左开右闭是规定,下开上闭要记牢!
整定值,数据号,在附件,标记好,
注释标志要清晰,端子图形小句号。
火线零线并排走,
插座电器并联接。
三孔插座上接地,
两孔插座右接火。
电灯开关接火线,
零线直接进灯座。
保险要和火线连,
三脚插头接外壳。

工作原理: 当脚踏开关1启动时电源经过90度限位常闭点-KM2常闭--KM3常闭--KM1线圈电机工作,碰撞90度限位时常闭点断开KM1断电,常开点闭合--KM2线圈电机工作I碰撞135度限位时常闭点断开KM2断电,常开点闭合KM3--KM1和KM2的常团点KM3得电电机反转,碰撞到复位限位时电机停止。这就实现了电路的要求。
3.互锁电路

工作原理:通电后启动SB2电源通过KM2的常闭点使|K1线圈得电动机正转,KM1自锁常开点闭合常闭点断开,此时按动SB3无效,停止后方可启动KN2, KM2吸合自锁常开点团合常闭点断开,同样KM1启动无效,按动SB1停止运行, ( KM1和KM2的常闭点就是控制对方的作用.)形成了互锁的目的.
4.单相电机接触器控制正反转电路

工作原理: 当启动SB2是电源- -SB3常 闭点-KM2常闭点KM1得电主电路火线-Z2- -Z1同时-U2-U1-零线电机正转.达到一定的转速时离心开关断开启动电容停止,当启动SB3是电源- -SB2常闭点- KM1常闭点KM2得电主电路火线-Z2- -Z1同时-U1-U2-零线电机反转.正转时火线先进入U2, U1接零线,反转时U1进火线U2接零线,调整了相序实现了正反转,此电路利用了双重互锁电路,可以实现直接切换的功能
5.接近开关的应用


接近开关是一种无需与运动部件进行机械直接接触而可以操作的位置开关,当物体接近开关的感应面到动作距离时,不需要机械接触及施加任何压力即可使开关动作,从而广泛用用在电气电路当中或者从而广泛用用在电气电路当中或者置提供控制指令。 本电路采用了220V二线制常闭行为例当接近开关感应到物体时常闭点断开,实现了断开的作用。
工作原理: 当SB2启动电源经过KM线圈进入接近开关内部的常闭点形成回路线圈进入接近开关内部的常闭点形成回路物体时常闭点断开 ,电机停正工作。
5.接近开关控制正反转电路


本电路是利用了接近开关和中间继电器配合使用来控制电机正反转. 利用常开型接近开关的遇见物体瞬时导通的特点,让继电器吸合利用继电器的常让继电器吸合利用继电器的常开点起到开关的作用,实现电路控制要求.

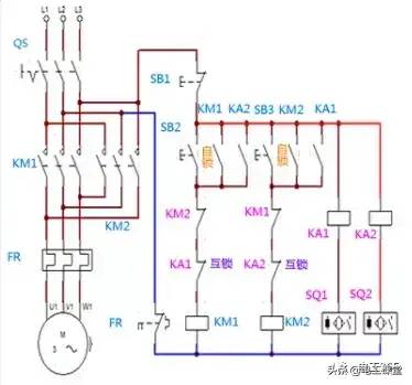
工作原理:当启动SB2电源--KM2常闭--KA1常闭--KM1得电吸合并自锁正转运行,到达SQi时SQ1动作常闭点断开KM1断电,同时KM2-- KM1常闭--KA2常闭KM2得电吸合并自锁电机反转L当反转到达SQ2限位时KA2.吸合KA2常团点断开KM2停止工作, KM1得电实现了正反转自动循环工作的目的。
6.起保停电路



7.按钮互锁正反转



工作原理: 通电后启动SB2电源通过R附2的常闭点使K1线圈得电动机正转,KM1自锁常开点闭合常团点断开,此时按动SB3可以接启动反转。 当启动SB3时电源通过SB2使2得电常闭点闭合自锁常团点断开,此时按动SB2可直接启动。 实现了直接切换正发转的自的。
审核编辑:汤梓红