时间:2023-04-19 09:16
人气:
作者:admin
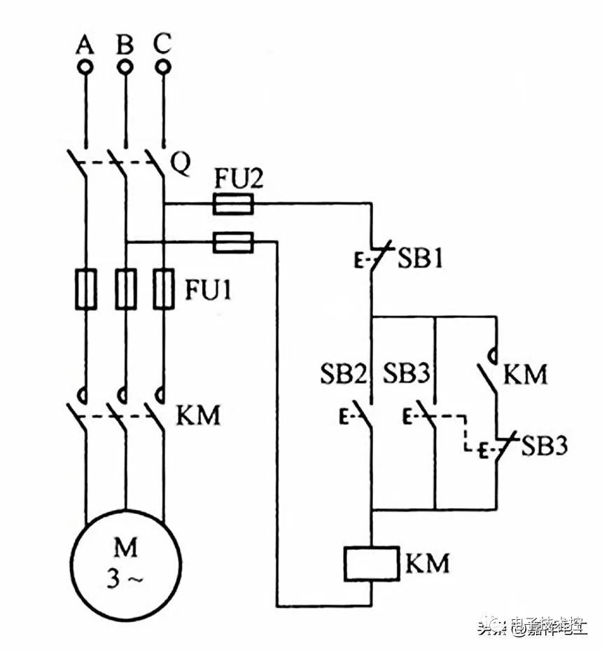
如下图所示为一款点动、单向启动混合控制电路,它既能使电动机做断续旋转(按下按钮转动,松开按钮停止),又能使电动机单向持续运转(利用“自锁”实现)。
自锁单向持续运转:合上电源开关,按下启动按钮SB2,接触器KM通电并吸合,KM主触点闭合,同时KM辅助触点也闭合自锁,主电路和控制电路被接通,电动机做单向持续转动。

电动机点动断续旋转与自锁持续旋转电路接线图
点动运转:合上电源开关,按下点动按钮SB3,接触器KM通电并吸合,KM主触点闭合,主电路被接通,电动机作单向旋转。
由于按钮SB3的常闭触点串联在“自锁”电路中,在按下点动按钮SB3时,SB3的常闭触点断开,“自锁”电路被切断;当松开点动按钮SB3时,其常开触点先断开,KM线圈断电释放,然后SB3的常闭触点才闭合。所以“自锁”不起作用。
两地点动和单向启动控制电路
和上面的电路工作原理一样,只是比上图中多了一组按钮:停止按钮SB2、单向启动按钮SB4和点动按钮SB6.这组按钮可安装在另一个地点,做电动机两地控制用。

两地控制电路
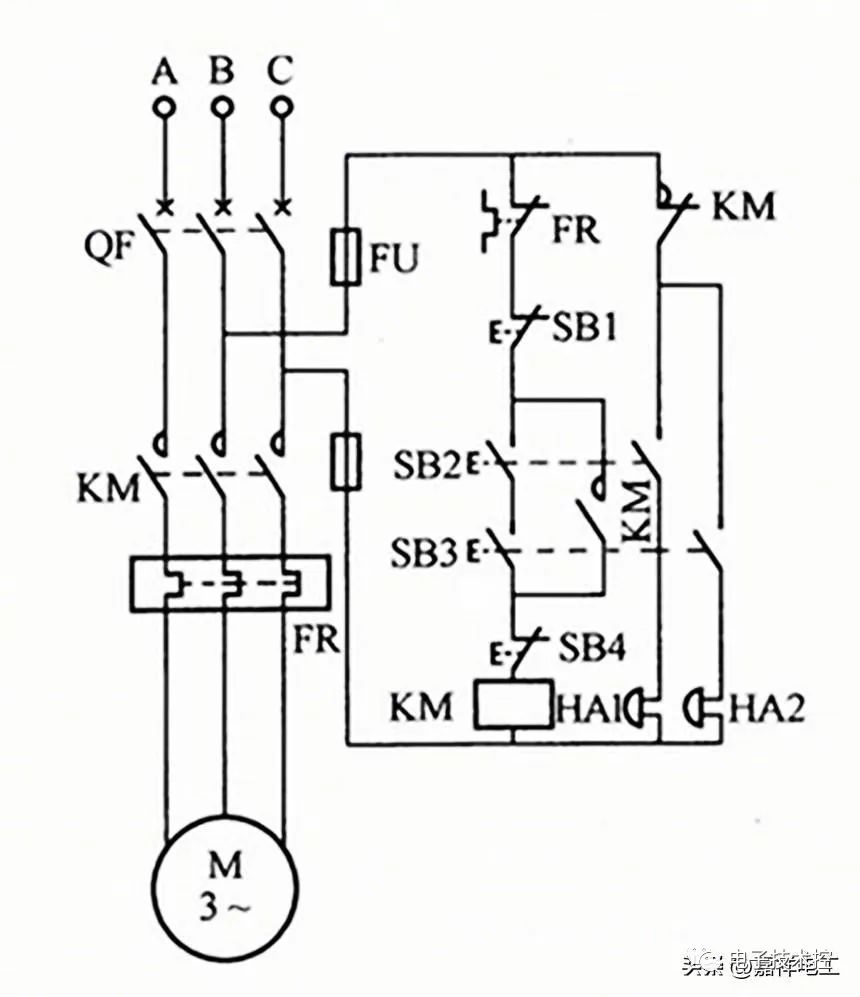
如下图所示的三相异步电动机单向旋转两地控制电路,与典型控制电路相比,控制接触器线圈的两只启动按钮的常开触点不是并联而是串联。位于甲地的操作人员按住启动按钮SB2,只能使安装在乙地的电铃HA1得电,等位于乙地的操作人员听到铃声按下启动按钮SB3后,接触器KM才能得电吸合并自锁,其主触点闭合,电动机M才能启动。

避免机械伤害的电动机两地控制电路
同样,位于乙地的操作人员按住启动按钮SB3时只能使安装在甲地的电铃HA2得电,等位于甲地的操作人员听到铃声后按下SB2后KM才能得电吸合并自锁,电动机才能启动。SB1、SB4为甲乙、两地的停止按钮,按下任何一个停止按钮可实现停止。
这一电路必须由两地两名操作人员同时按下启动按钮,才能使电动机启动,可避免由于误操作造成人员伤害。本电路常用于皮带输送机的起始点和终点等生产机械上。图中FU起短路保护作用,FR起过载保护作用。
审核编辑:汤梓红
下一篇:电动汽车转子油冷电机