时间:2023-04-14 09:38
人气:
作者:admin
便携式电子销售点终端(EPOS)设备在全球范围内越来越受欢迎。不同于传统的台式设备,便携式EPOS设备的电池续航时间有限且需要经常通过USD接口或其他连接装置进行充电。
由于快速充电技术在便携电子产品市场正日益壮大,便携式EPOS设备很可能也将采用该功能。由于便携设备开始采用更大的电池,实现快速充电就需要能够提供更多电能的充电适配器。不同的制造商都提出了一些方法,但每一种方法都要求电源接头采用更高的输入电压。更高的输入电压可以让更多的电能进入系统,实现快速充电,同时又不会使电流超过接头的载流容量限制。适配器电压默认设置为通常的5V(USB VBUS)级别,但外部适配器和移动设备间D+/D-数据线上的信号传递可以根据需要协议使适配器输出更高的电压。根据适配器容量的不同,典型值包括5、9、12或20V输出级。系统中的充电集成电路(IC)或应用处理器控制该信号传递,使适配器输出合适的电压级别。
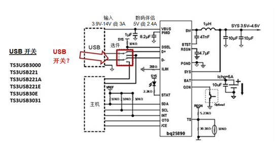
通常,当插入USB连接器时,您需要使用一个模拟开关在微控制器[MCU])和电池充电器间传输电能,如图1所示配备MaxCharge™技术的bq25890快速充电器。首次连接时,MCU便对D+/D-进行控制。其将检测对象是转接头还是USB连接装置。

图1:使用USB和充电器应用的典型应用图
根据所连接设备的不同,通过USB连接器的信号可能被发送到不同的目的地。这就需要USB开关正确地发送信号。这种情况下,可使用任何匹配该设计带宽、配置和电压范围的USB开关。TI提供多种USB开关,其在配置、电压范围、导通电阻(RON)和带宽方面有着广泛的选择范围。
应用处理器无法容许高电压。由于快速充电通常在9V电压下操作,而MCU无法容许9V电压,因此,必须始终避免让MCU接触该电压。
USB连接器插座有四个引脚,如图2所示从右到左分别为VBUS、D-、D+和GND。协议快速充电状态后,VBUS的电压将为9V。

图2:USB开关和引脚描述
当VBUS电压达到9V时,若USB插头未插好或以一定角度拔出可能导致连接器的VBUS引脚与D-引脚发生短路。这便会导致连接D-引脚的MCU暴露于VBUS,从而损坏MCU,如图3所示。

图3:9V电压条件下未使用TS3USB3000发生短路的后果。
TS3USB3000 USB开关可以在9V电压条件下保护MCU,同时实现MCU与充电器/通用异步接收器/发送器(UART)之间的切换,如图4所示。将充电器连接至USB端口后,MCU将检测所连接的充电器并将输出使能(OE)引脚拉高至禁用开关的高度。MCU将与充电器进行通信,表示其可以与VBUS协议在9V电压下采用更快的充电模式,亦如图4所示。TS3USB3000现处于低功率状态,开关已禁用并可以对MCU进行保护。

图4:TS3USB3000可以在发生短路时,保护9V电压条件下的MCU
TS3USB3000开关有两项用途:在主机和充电器间进行切换以及在5V到9V电压条件下为MCU提供保护。针对第一项用途,您可以使用任何USB开关,视设计所要求的带宽和RON类型而定。但针对第二项用途,则需要诸如TS3USB3000这样专门的USB开关为MCU提供短路保护。
TS3USB3000可以为需要在9V电压下操作的设计实现这两项用途。该设备可以轻松实现主机和MCU间的切换,并且,若在插拔USB连接器时在VBUS和D-引脚间发生短路,它可以保护MCU。
审核编辑:郭婷
上一篇:变频器在硅钢退火处理线上的应用