时间:2023-04-03 10:56
人气:
作者:admin

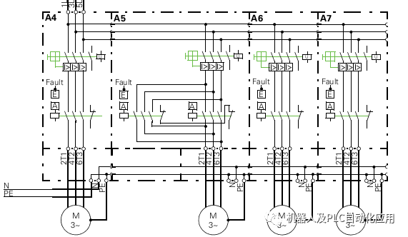
F-DS1e-x与F-RS1e-X电机启动器混合使用控制电机。



F-DS1e-x 单相旋转

F- R S 1 e - x 正反转电机启动器

PM-D F X1 启动器电源
ET 200S 带故障安全电机启动器,最高 PL e / SIL3



安装端子模块
安装电机启动器的端子模块
下例说明了直接启动器安装宽度为 45 mm 的端子模块的安装;标准。
1 将端子模块挂在上导轨上。
2 将端子模块向后倾斜到下导轨中,直到您听到它啮合的声音。
3 用双手将终端向左推向您已安装的模块,使其保持笔直,直到您可以听到它与相邻模块接合。
如果右侧没有连接模块,您只能移除终端模块。如有必要,您必须卸下右侧的所有模块或将它们移到一边。
以下示例说明了直接启动器安装宽度为 45 mm 的端子模块的拆卸;标准。
1 使用螺丝刀 (5 mm) 将下一个模块的锁定机构向下推到左侧。

2 打开相邻模块的锁定机构,将要移除的模块平行于导轨向右拉。
3 将螺丝刀插入锁定机构的开口并向下推动锁定机构,解锁模块。这将解锁上轨和下轨。
4 按下锁定机构,倾斜模块使其脱离下导轨。然后您可以从上导轨上卸下模块。
插入电源模块
如图所示,将电源模块插入已安装并预接线的端子模块上。无论代码元素如何,电源模块都只能连接到正确的端子模块。

安装标准电机启动器
• 电机启动器插入已安装的端子模块中,因此必须注意两个“锁定位置”。根据位置,在移除时建立或断开电气连接。锁定弹簧可防止您在负载下卸下电机启动器。
• 下表以直接启动器为例说明了电机启动器的安装方法;标准。

1 滑动电机启动器;标准从前端略微倾斜(见图)插入端子模块。
避免侧坡。
用力推动下部,直到与电源总线建立接触。
• 电机启动器;标准保持略微倾斜,并且闩锁片未接合。
• 锁定弹簧尚未接合。
电机启动器;标准在这个位置是机械不安全的,并且只连接到电源总线。

2 按下锁片并移动
3 将电机启动器进一步朝向导轨,直到闩锁件接合。

4再次按下插销
5将电机启动器进一步移向 DIN 导轨,直到闩锁件再次啮合。
卸下标准电机启动器


用双手握住负载给料机,使用上下把手凹槽,并将电机启动器拉出。
以一定角度连续移动(约30 N的拉力)将模块从底部拉出插入式连接器。
安装和拆卸期间的电气连接

插入或释放位置
电机启动器;标准仅在此位置电气连接到电源总线。
锁定弹簧处于释放位置,负载馈送器在该位置机械不安全。

停放位置
电机启动器;标准仅在此位置电气连接到电源总线。
未建立到背板总线的连接。
接触器的供电已建立,但仍然无效,因为没有连接到 ET 200S 背板总线。
在这个位置,进纸器被机械固定以防掉落。

操作位置
与背板总线的连接以及对电子元件和接触器的供电已经建立。
锁定弹簧已接合,这意味着无法卸下电机启动器。
审核编辑:刘清
上一篇:无刷电机工作及控制原理图文解析
下一篇:电磁阀的工作原理和分类介绍