时间:2023-03-26 14:56
人气:
作者:admin
同步编码器轴的定义为:通过外部连接的同步编码器的输入脉冲驱动输入轴的情况下使用同步编码器轴。
比如某个系统中,以传送带轴作为主轴,而传送带是由变频器控制的,那么就可以在该变频器控制的轴上添加同步编码器,以此当作输入轴:同步编码器轴。
再比如另一种情况,假设三菱PLC模块QD77MS控制的16轴需要进行同步控制,但是主轴是来自其他模块控制的或者其他系统的三菱伺服放大器,则其不能当作伺服输入轴,而需要通过三菱PLC同步编码器轴进行输入。
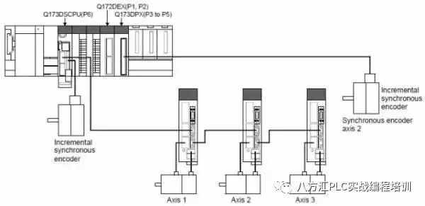
外部编码器作输入轴同步控制的例子如下图

同步编码器的类型及相关参数
输入轴有三种类型,指令生成轴、伺服输入轴、同步编码器轴。
同步编码器轴也有三种类型。
首先在如下图所示,外部同步编码器可以通过以下三种方式连接到三菱PLC Q172DS Motion的控制系统当中。通过外部连接的同步编码器的输入脉冲驱动输入轴,投入电源后就可以监控同步编码器的状态。
在同步控制参数中,可以先选输入轴参数如下

在同步编码器轴参数里面,就可以选择如上三种对应的类型如下图:

一、同步编码器Pn
将三菱PLC简单运动模块的手动脉冲器/INC同步编码器输入上连接的INC同步编码器作为同步编码器轴使用。
当通过同步编码器类型时,可以选择通过Motion内置接口的编码器、Q172DEX同步编码器输入模块或Q173DPX手脉输入模块进行输入,控制图如下:

01、通过伺服放大器的同步编码器
将三菱伺服放大器(MR-J4-B-RJ)的CN2L上连接的串行ABS同步编码器(Q171ENC-W8)及ABS/INC标度作为同步编码器轴使用。
当通过伺服放大器的同步编码器类型时,控制图如下:

注意:经由伺服放大器同步编码器时,是采用伺服放大器全闭环MR-J4-B-RJ的型号CN2L上连接的串行ABS同步编码器(Q171ENC-W8)作为同步编码器轴使用。
02、通过软元件
将三菱PLC模块的输入模块上连接的格雷码的编码器作为同步编码器轴进行控制的情况下使用。
当通过软元件即CPU同步编码器类型时,控制图如下

同步编码器作输入轴的同步控制实验
接下来通过一个简单的实验来展示同步编码器的使用。
二、硬件配置
CPU:Q04UDEHCPU
运动控制器:Q172DS Motion
三菱伺服放大器:MR-J4-10B*2
这里以通过Q172DPX输入增量型编码器,默认400pulse/r的编码器分辨率。其控制框架及编码器实际图如下:

三、同步控制参数设置
在输入轴参数中,选择同步编码器轴参数,主要需要设置同步编码器No及单位转换设置。这里想设置为编码器10000pulse/r故设置如下

需要注意的是,在单位转换中,分子分母参数设置比较重要,其公式如下:

故当原编码器分辨率为400pulse/r的输入时,想要10000pulse/r输出时,故计算公式如下
10000 pulse/r = 400 x (分子100)/(分母 4)
故进行了如下设置

最后在轴1、轴2的同步参数里,设置为同步编码器输入就可以了

上述三菱PLC同步控制参数的设置,其他配置和普通的同步控制参数一样,需要注意的是三菱伺服编码器参数中的单位转换参数要注意理解与计算,就可以实现伺服轴跟随外部同步编码器作同步控制的功能。
审核编辑:汤梓红
上一篇:如何选择合适的伺服电机