时间:2023-03-27 11:24
人气:
作者:admin
信号和电源隔离有助于确保交流电机驱动系统的稳定运行,并保护操作人员免受高压危险。
但并非所有隔离技术都能满足所有需求,尤其是在器件寿命和温度性能方面。
为解决交流(AC)电机设计挑战,本白皮书对比了德州仪器(TI)的基于电容的隔离技术和传统的隔离技术,包括隔离栅极驱动器在功率级、隔离电压、电流反馈或控制模块中隔离式数字输入。
什么是交流电机驱动系统?
交流电机驱动是一种使用交流电输入的感应电动机,如图1所示,它可以驱动大型工业负载,例如加热、通风、商业楼宇的空调、泵和压缩机的运行。交流电机也能驱动需要调节速度的工厂自动化和工业器件负载,例如传送带或隧道掘进、采矿和造纸设备。
交流电机驱动采用交流能量,将其整流为直流母线电压,实现复杂的控制算法,然后基于负载需求通过复杂的控制算法将直流电转换回交流电。
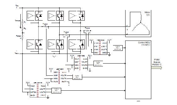
图2所示为交流电机驱动系统的框图,其中功率级和电源供给标记为绿色。
交流电机驱动中的隔离
诸如交流电机驱动之类的电机驱动系统包含高电压和高功率等级;因此,必须采取措施保护操作人员和整个系统的关键组件。
此外,也需要保护关键系统组件(例如控制器和通信外围器件)免受电机驱动中的大功率和高压电路的影响。根据国际电工委员会61800-5-1安全标准的定义,可通过半导体集成电路(IC)在组件级进行隔离来实现电路之间的绝缘。
隔离ICs可在高压和低压单元之间传输数据和功率,同时可防止任何危险的直流电或不受控制的瞬态电流。通常来讲,隔离器通过隔离栅在电路内提供所需的绝缘等级。隔离栅将高压与人可接触的零件分开。

图2.交流电机驱动框图
在交流电机驱动中实现隔离
设计人员在交流电机驱动中实现隔离隔栅时有多种选择,但过去40年来,在系统中实现电流隔离的最常用器件一直是光耦合器,也称为光隔离器或光电耦合器。尽管光耦合器具有成本效益且普遍存在,但其无法提供与最新隔离方法同等水平的温度性能或器件寿命。
TI的电容隔离技术在将二氧化硅(基础片上绝缘)用作电介质的电容电路中集成了增强的信号隔离功能。与光耦合器不同,其可将隔离电路与其他电路集成在同一芯片上。通过此工艺制造的隔离器具有可靠性、防震性和增强的隔离性,相当于单个封装中的两个基本隔离等级。
以下各部分探讨了交流电机驱动设计中与隔离相关的三个关键设计挑战,同时还重点介绍了电容隔离相较于光耦合器的优势。
隔离功率级中的栅极驱动器
交流电机驱动的功率级中使用的功率转换器拓扑是用于传输千瓦至兆瓦范围内功率的三相逆变器拓扑。这些逆变器将直流电源转换为交流电源。典型的直流总线电压为600 V-1,200V。该三相逆变器使用六个隔离式栅极驱动器来打开和关闭电源开关(通常是一组绝缘栅门极晶体管[IGBTs]或IGBT模块)。由于其卓越的性能,设计人员开始使用宽带隙器件,例如碳化硅(SiC)金属氧化物半导体场效应晶体管(MOSFETs)或模块。
每个相都使用通常处在20kHz至30kHz范围内工作的高侧和低侧IGBT开关,以交替模式向电机绕组施加正负高压直流脉冲。每个IGBT或SiC模块均由单个隔离式栅极驱动器驱动。栅极驱动器的高压输出与来自控制器的低压控制输入之间的隔离是产生电流的。栅极驱动器将来自控制器的脉冲宽度调制(PWM)信号转换为用于场效应晶体管(FETs)或IGBTs的栅极脉冲。此外,这些栅极驱动器需要具有集成的保护功能,例如去饱和作用、有源米勒钳位和软关断。
隔离栅极驱动器具有两侧:初级侧(即输入级)和次级侧(与FET连接)。初级侧有两种类型的输入级:基于电压和基于电流的输入级。通过输入级,栅极驱动器可以连接到能够告知栅极驱动器在指定时间打开或关闭的控制器。
使用基于电流的输入级的光耦合器栅极驱动器通常在电机驱动应用中驱动IGBTs。基于电流的输入级往往具有较好的抗噪能力,因此需要在控制器和光耦合器之间设置一个缓冲级。使用缓冲级的基于电流的输入级驱动器的功耗通常也会更高。
传统光耦合器栅极驱动器确实存在着一些挑战:
输入级中的LED的性能会随着时间的推移而降低,这会影响器件寿命,并可能导致传播延迟时间增长,进而影响系统性能。
它们较低的共模瞬变抗扰度(CMTI)限制了功率FETs的切换速度。
它们通常仅支持较低的工作温度范围,因此很难创造出更紧凑的设计。
TI提供了使用电容隔离技术的隔离栅极驱动器,以帮助克服光耦合器中一些常见的设计难题。
图3对比了传统的光耦合器栅极驱动器与TI使用电容隔离的隔离栅极驱动器。TI的电容隔离栅极驱动器具有更高的CMTI额定值、更宽的工作温度范围以及改进的计时规范,例如,部件到部件的偏斜和传播延迟。

图3.光耦隔离栅极驱动器(a)和电容隔离栅极驱动器(b)的对比
隔离电流和电压反馈
交流电机驱动使用由电压和电流反馈测量值组成的闭环控制系统来控制交流电机的速度和扭矩。由于电压和电流反馈需在高压侧测量,因此信号必须与低压控制器侧隔离。
I在电机的三相中的每相上测得的同轴相电流用于导出控制IGBTs的最佳PWM模式。这些同轴相电流测量的准确性、噪声、带宽、延迟和CMTI直接影响电机的扭矩和速度输出曲线。
如图4所示,电容耦合隔离式放大器和调制器和光耦合同类产品相比,具有更少的信号传播延迟、更佳的CMTI以及更长的寿命和可靠性。
应用指南“在HEV/EV中比较基于分流和霍尔的隔离电流感应解决方案”详细比较了基于分流和基于霍尔的电流感应方法之间的隔离等级、精度、温度范围、带宽和噪声等方面。
图5所示为使用隔离式放大器进行基于分流的电流感应和基于电阻分压器的电压感应的反馈感应环路的典型框图。通过分流电阻器RSHUNT来完成对相电流的测量。

图4.隔离式放大器的示例(a);和隔离式调制器(b)

图5.实现典型的电流和电压反馈
与光耦合器相比,TI的隔离式放大器支持极小的双向输入电压范围,具有很高的CMTI和整体精度。这些功能可在高噪声电机驱动环境中实现可靠的电流感应。这些器件的高阻抗输入和宽输入电压范围使其极其适用于直流母线总线电压感应。
在控制模块中隔离数字输入
交流电机驱动中的控制模块基于位置反馈模块的输入、模拟输入和数字输入,负责电机驱动系统的信号处理和总体控制算法。这些数字输入通常是来自现场传感器和开关的24 V信号,可传达紧急停止信号(例如安全扭矩关闭(STO))或有关电机运行的信息(例如速度和位置)。
与控制算法一同使用时,这些数字信号输入将对功率级进行任何必要调整,以实现目标输出。将控制模块与数字输入隔离可防止接地电位差引起通信错误。
尽管光耦合器已用于隔离数字输入,但是数字隔离器技术的最新发展彻底革新了系统设计人员设计数字输入的方式。
图6所示为用于隔离数字输入的光耦合器常见解决方案。该解决方案使用数个分立元件(9至15个)来实现电流限值和受控电压阈值。

使用这种复杂的解决方案,电流限值可以远高于2 mA的目标电流限值,且在整个温度范围内可能高达6 mA(具体取决于设计)。此外,光耦合器之后的施密特触发器缓冲器还为抗噪提供了滞后功能。图7所示为一种简化的解决方案,一种专用于数字输入应用的专用数字隔离器。采用TI电容性隔离技术的器件可实现《2.5 mA的电流限值。该解决方案无需施密特触发器来抗噪,仅需两个电阻(RSENSE和RTHR)来设置所选的电流限值和电压阈值。

图7.使用TI数字隔离器的隔离数字输入解决方案
与光耦合器相比,基于电容的数字隔离方法的优势在于其具有更低的功耗。TI的数字隔离器的精确电流限值可将数字输入所引电流减少五分之一,从而大大降低了功耗和电路板温度。其他功能包括具有通道间隔离功能的双通道选件,可帮助减少电路板空间,同时还提供低传播延迟和4 Mbps数据速率,以支持STO输入。
用光耦合器支持STO输入需要高速光耦合器。与基于电容的数字隔离技术相比,这种光耦合器价格昂贵且使用寿命较短。应用指南“如何提高电机驱动隔离输入的速度和可靠性中提供了更多有关TI隔离数字输入在电机驱动系统中的优点的详细信息。 ”
总结
无论您正在隔离功率级中的栅极驱动器、隔离电压或电流反馈,还是隔离控制模块中的数字输入,TI的基于电容的隔离技术都彻底革新了交流电机驱动器的使用寿命和温度要求,且在许多情况下,此种技术提供了比光耦合器更紧凑的解决方案。
审核编辑:郭婷
下一篇:由浅入深的详解PLC技术