时间:2023-03-24 10:02
人气:
作者:admin
在国家清洁能源政策支持下,天燃气已经成为我们清洁能源体系的主体能源之一。随着天燃气在我国一次能源消费中的比例逐步攀升,燃气计量行业也在快速发展。目前市场上的主流燃气表包括传统的机械式膜式燃气表和电子式膜式燃气表。因为膜式燃气表的技术成熟、计量可靠、价格低廉等优点,这种方式一直在燃气计量行业占据主导地位。但是膜式燃气表由于结构复杂、易磨损、易受管道介质温度压力等因素影响,导致测量精度降低,小流量测量精度差。超声波技术作为一种新型的计量方式,在日本、欧洲、美国等国家开始采用。超声波气表具有非接触测量、无可动部件、无压力损失、极高测量精度、高测量动态范围等优势,在燃气表市场中崭露头角。结合燃气表智能化、网络化的趋势,中国超声波燃气表市场将迎来春天。
机遇与挑战并存。超声波虽然是工业应用中一种成熟技术,但是要在家用燃气表中普及,我们在设计中会面临各种挑战。如何确保超声波燃气表的稳定性、如何提高小流量的精度、如何实现低功耗等等问题,是我们设计初期就需要充分考虑的因素。换能器作为超声波燃气表的主要部件之一,它的一致性、频率特性温度漂移、长时间老化都会影响到燃气表的稳定性和精度。超声波技术涉及到精密信号采集和快速的数据处理,如何降低系统功耗也需要重点考虑。
TI 超声波技术USS (Ultrasonic Sensing Solution) 源于TI Jack Kilby创新实验室,其高集成度、先进的信号处理等优点,为超声波气表设计提供高精度、高稳定性、高动态范围、低功耗的方案。下面小编会对TI USS 技术优势、产品特点、设计资源等方面逐一介绍。
工作原理
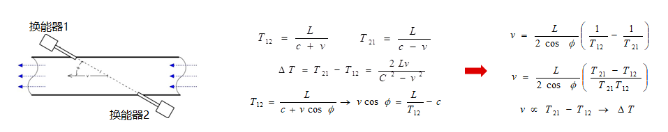
超声波测量流量的原理就是通过测量超声波在流体中正向、逆向的飞行时间差(DTOF)来计算流体的流速,通过流体流速乘以管道系数,就可以得到瞬时流量。瞬时流量是一个随时间变化的量,我们对瞬时流量进行积分就可以得到一段时间的流量。

图1
上图1右边是如何测量流速的公式推导。T12和T21分别为超声波在两个换能器之间正、反向的绝对飞行时间; L 为换能器之间的距离;v为流体的流速;c为超声波在流体中的传播速度。因为超声波的传播速度受流体的温度、流体的弹性模量和密度这几个因素有非常大的相关因素,所以我在公式推导过程中抵消这个参数。最后我们得到公式只跟流体流速、超声波绝对飞行时间、时间差以及超声波传播方向的夹角这几个参数相关。通常绝对飞行时间远远大于正、反向时间差,所以时间差测量精度决定最后的流速精度。
如何能够准确测量出超声波的飞行时间差呢?目前市场上常见的测量时间的方式是阈值法也叫过零点检测法(TDC),而TI采用的技术是互相关算法(Correlation)。 下面图2是这两种测量方式的示意图。

图2
阈值法实际是阈值检测和过零检测技术的结合。超声波接收端对信号幅值进行检测,当接收到的信号超过设定阈值时,过零点检测电路开启,通过检测超过阈值后的过零点时间来获取超声波的飞行时间。这种单点触发方式容易受系统噪声干扰,所以要求超声波的幅值足够高。我们可以通过提高换能器的电压或者驱动电流来增加超声波的发射幅值,副作用就是系统功耗会升高。而且换能器的老化、环境温度变化都可引起换能器幅值的变化,进一步影响到测量精度的稳定性。干扰同时会影响过零点的波形,从而严重影响测量精度。
而TI USS采用的相关算法来测量相位差。通常高速ADC会以4倍于被测信号频率对上下行两路信号进行采样,再将采样到的两路离散信号做线相关运算,线相关运算结果峰值点的横坐标即为两路信号之间的相位差。随后通过高精度插值算法求得该横坐标,进而得到两路信号之间的时间差。
这种方式有几个优势:
相关算法相当于一个滤波器,在信号处理时可以滤除噪声,降低线路上噪声对采样精度的影响
对超声波信号幅值要求比阈值法的低,这样可以采用低压换能器,降低系统功耗。
稳定性好,因为相关算法是计算采样信号的相位,信号幅值的变化对测量精度影响不大。所以在换能器老化、受环境温度影响,信号幅值出现波动时,相关算法可以保持测量精度的稳定性。
TI USS 对超声波进行全波采样,我们可以获得整个超声波的曲线。通过观察信号包络曲线的长期变化,我们可以判断换能器的老化状况,并通过软件进行校准,确保燃气表整个生命周期的稳定性。
系统架构
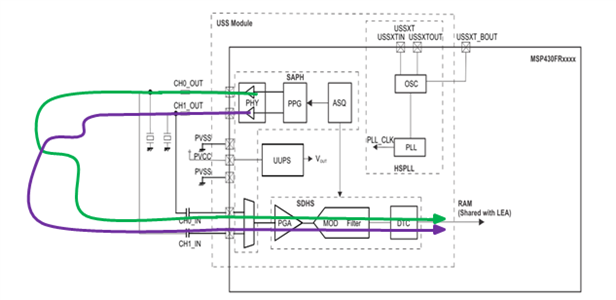
先进的算法需要依托于优化的硬件平台,才能充分展现其性能优势。如图3所示,TI 超声波燃气表方案基于MSP430内核,同时集成超声波传感子系统(USS)、低功耗加速器(LEA)、计量测试接口(MTIF)等功能模块。其中USS集成了丰富的模拟电路,包含模拟前端和ADC,为超声波信号产生、接收、信号调理提供必要的硬件条件以及设计的灵活性。低功耗加速器LEA(Low Energy Accelerator)实际上是集成的一个DSP内核,它可以独立对USS采集到的数据进行快速数学运算,降低数据处理时间,减小CPU的开销,从而达到降低系统功耗。这些子系统对超声波流量测试性能、功耗至关重要,是TI 超声波方案差异化的技术核心。

图3
USS子系统
USS子系统用于超声波信号发生、接收信号调理以及AD采集。如图4所示,USS是一个高度集成的物理结构,主要由几个功能模块构成,主要包含脉冲发生器PPG(Programmable Pulse Generator)、PHY、Sigma-delta高速ADC(SDHS)、高速锁相环(HSPLL)、子系统供电模块(UUPS)以及采样系统时序控制模块(ASQ)。

图4
PPG用于产生超声波的激励信号。作为信号源头,该功能模块提供灵活的参数设置。超声波的激励频率可设定,覆盖范围从132KHz到2.5MHz,我们可以针对不同特性的换能器设定相应的脉冲频率。信号脉冲数量可以从单个脉冲到127个脉冲。在激励脉冲结束时,我们也可以通过设定180度相位的反向脉冲来抵消换能器的超声波残余信号,最大反向脉冲最高可以到15个。激励脉冲的极性可以通过寄存器设定,如下图5所示。

图5
在气体流量设计中,PPG可以支持扫频模式,激励频率可以设定在一定范围内。这样TI 超声波方案可以更好支持宽频率特性的换能器。换能器的频率特性受环境温度、一致性、长时间老化等因素而变化,激励频率可以覆盖这些范围,确保我们燃气表测量的高精度和稳定性。在扫频模式下,我们可以通过下面公式来计算频率变化的步长。

,(HPER : High period of pulse; LPER : Low period of pulse)
PHY是USS子系统与换能器连接的物理层,实现换能器的驱动以及阻抗匹配,如下图6。TI的USS模块提供双路换能驱动以及信号接收。驱动信号和接收信号通过模拟开关切换实现上、下行换能器的交换,实现一对换能器可以双向信号传输。PHY的输出驱动阻抗可以低至4Ω、驱动电流可以高达120mA,所以配合简单的阻容电路,USS模块可以直接驱动换能器,而不需要增加额外的模拟器件。
因为上、下行超声波信号会通过两个不同的换能器发出,换能器与USS驱动的阻抗匹配就需要考虑到。TI USS的PHY可以提供驱动、端接两种状态下的阻抗匹配,匹配设定参数可以保存在寄存器里面。这样在生产的过程中,我们可以通过自动测试设备对每一个换能器进行独立阻抗匹配,使整个系统达到最优状态。

图6
SDHS系统对接收到的超声波信号进行调理和高速采样。如图7所示,内部包含可编程增益放大器(PGA)、12Bit Sigma-Delta ADC, 数据传输控制器(DTC)等功能模块。ADC可以支持高于1.5MHz的信号带,典型信噪比(SNR)可到达63dB。ADC的调制频率从68MHz到80MHz,调制频率来自高速锁相环,可支持过采样率范围10~160。ADC这个功能模块可以独立使用采样其他信号。ADC的最大输入范围是600mV,但是在实际流量测试过程中,接受到的超声波信号可能在一个范围内波动。这需要PGA对信号进行调理,使ADC的输入幅值在最优采样范围。PGA的增益可以通过寄存器设置动态调整,可调整范围在-6dB~30dB之间,可调步长为~1dB。这一特点可以让我们动态优化产品性能。比如,当换能器长时间使用老化后,发射的超声波幅值降低。在接收端观察到ADC采样幅值降低后,可以通过程序自动增加PGA的增益,使ADC的输入幅值始终保持在最优采样范围从而避免设备老化引起系统性能变差。
ADC采样出来的数据可以通过DTC直接传输到低功耗加速器(LEA)共享的RAM,方便LEA对数据进行快速处理。这个过程不需要CPU的干预,这样可以减小系统处理时间、降低功耗。

图7
低功耗加速器LEA
LEA 集成了一个32位的DSP核,主要用来处理基于向量的数学运算和信号处理,内部结构如下图8。该LEA可以支持16位、32位定点数学运算,可以支持目前主流的算法包含:FFT、FIR、IIR、矩阵、向量乘法等。通过调用DSP Lib, LEA 可以支持超过50种函数运算。

图8
采用LEA进行这些数学运算,跟传统的MCU相比,LEA的运算效率更高、功耗更低。下面表1我们给出LEA和不同的CPU计算16位FFT所需要的时钟周期。以Cortex-M4F的CPU为例,它要相同时间内完成LEA的运算量,它的时钟需要提高到LEA的3倍,这样功耗也会提高3倍。

表1
如果我们对比MSP430 CPU 和LEA性能,如图9所示,在相同的时间32mS内采样256次并对数据进行FFT函数运算。LEA的运算时间是700uS而MSP430 CPU需要9.64mS。在其他时间基本一致的情况下,LEA高效的数据处理可以让系统处于低功耗模式(LPM0)的时间更长,从而大幅度降低整个系统功耗。

图9
USS设计中心
TI USS设计中心提供可视化的设计界面,让客户可以快速启动超声产品评估和设计,调试更简单。
在图10的USS GUI中,我们可以直观设置超声波的各种参数。从基本超声波激励频率、脉冲数量、上下行超声波的时间间隔、PGA的增益等等基本参数到 USS的时钟频率、ADC的采样率、超声波的捕捉时间等关键参数都可以通过GUI来设定。并且通过GUI实现上位机、芯片、应用程序之间的通信。

图10
GUI还可以以波形的形式展现测试结果,方便设计人员对参数进行优化。图11左边的波形为ADC采样到的超声波信号。可以通过调整PGA的增益,让ADC Capture的幅值在±800左右以达到最优的ADC转换效果。图11右边为GUI提供实时TOF测试结果,DToF为上下行超声波的时间差、Absolute ToF为测试得到超声波的绝对飞行时间以及VFR瞬时流量。波形下方的数学统计量展示了该数据的平均值、最小值、最大值和标准差。

图11
TI 超声方案产品及特点
TI USS 明星产品包含MSP430FR6043, MSP430FR5043 ,图12为MSP430FR6043产品简介。

图12
综合前面所述,TI超声波方案优势、特点总结为下面几个方面:
低流量、工作温度范围内飞行时间差dTOF可达到±250ps以内的精度
在12000L/小时的流量范围内,200:1的动态范围下,测量精度可达到±1%
最大流量测试可以超过25000L/小时;可以监测最小流量< 3L/小时
在1秒测试一组数据的条件下,整体功耗低于20uA
方案平台覆盖面广,可以支持家用气表、工业气体流量管径范围覆盖15mm~1000mm
支持各种换能器、可以配置多种信号路径
高精度、高稳定性,对于换能器一致性、长时间老化、环境温度变化都能确保高精度
高集成度提高系统的可靠性
审核编辑:郭婷