时间:2023-03-21 15:05
人气:
作者:admin
三相异步电动机按钮接触器互锁正反转拖动控制电路
下图所示为按钮、按触器双重互锁的正反转控制线路这种线路是在按钮互锁的基础上,又增加了接触器互锁,故兼有两种互锁控制一线路的优点,使线路操作方便,工作安全可靠。 因此,在电力拖动中被广泛采用。 如 z3050 型摇臂钻床立柱松紧电动机的正反转控制及 X62W 型万能铣的主轴反接制动控制均采用这种控制线路。

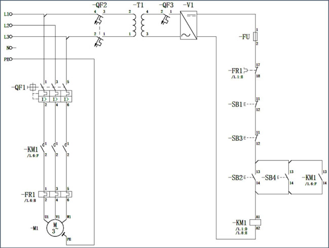
按钮接触器互锁正反转拖动控制电路图
三相异步电动机多地拖动控制电路
三相异步电动机多地控制电路原理图与说明

多地拖动控制电路图
工作原理如下:
SB1 与 SB2 在甲地,SB3 与 SB4 在乙地,两地均可以对电动机 M1 进行启动与停止控制,这样对于需要多地控制的场合就会非常合适,如果需要 3 地甚至更多地控制,只要按照左图一样, 在启动按钮侧并联更多启动按钮,在停止按钮侧串联更多停止按钮就可以。
控制原理与前面的正反转自锁电路基本一样,这里不再叙述。
上一篇:电子式时间继电器的特点和技术要求
下一篇:温控器怎么设置温度