时间:2023-03-21 18:00
人气:
作者:admin

电动机控制线路1
控制原理:在图1电路中,当按一下三相异步电动机的控制按钮SB时,中间继电器K1线圈通电,3号线与6号线之间中间继电器K1的动断触点首先断开切断中间继电器K2线圈回路的电源,然后4号线与5号线之间的动合触点闭合自锁,8号线与9号线之间中间继电器K1的动合触点闭合,接通接触器KM线圈的电源,接触器KM闭合并自锁,电动机M通电运转。同时接触器KM在4号线与5号线之间动断触点断开,在6号线与7号线之间的动合触点闭合,为下一次按下控制按钮接通中间继电器K2做好准备。
松开控制按钮SB,中间继电器K1线圈失电释放,K1在4号线与5号线之间及8号线与9号线之间的动合触点,3号线与6号线之间和动断触点复位。
当再次按一下三相异步电动机的控制按钮SB时,中间继电器K2线圈通电,其在2号线与8号线之间及3号线与4号线之间的动断触点断开,接触器KM线圈失电,电动机M停止运转。同时接触器KM在4号线与5号线之间动断触点复位闭合,在6号线与7号线之间及8号线与9号线之间的动合触点复位断开,为下一次起动电动机M做好准备。

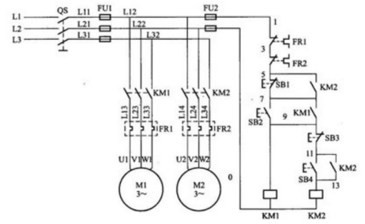
电动机控制线路2
控制原理在图5中,电动机按M1、M2的顺序起动;停止时,电动机按M2、M1的顺序停止。即在起动时,只有当电动机M1起动运转后,电动机M2才能起动运转;在停止时,只有当电动机M2停止后电动机M1才能停止。
具体控制如下:按下电动机M1的起动按钮SB2,接触器KM1闭合并自锁,电动机M1起动运转,然后按下电动机M2的起动按钮SB4,接触器KM2闭合,电动机M2起动运转。当需要电动机停止时,首先要按下电动机M2的停止按钮SB3,接触器KM2失电,5号线与7号线间接触器KM2的动合触点复位断开,再按下电动机M1的停止按钮SB1,接触器KM1才能失电,电动机M1才能停止转动。