时间:2023-03-21 18:23
人气:
作者:admin

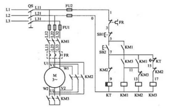
电动机控制线路3
控制原理:在图12中,按下电动机M的起动按钮SB2,接触器KM3闭合,同时在控制线路中的第7号线与第11号线间KM3的动合触点闭合,接触器KM1线圈通电闭合并自锁,电动机M接成丫形接法降压起动运转。同时时间继电器KT线圈通电开始计时。经过预定的时间后,时间继电器KT动作,使接触器KM3失电,接触器KM2得电,电动机M绕组接成△全压运行。

电动机控制线路4
控制原理:在图16中,合上电源总开关QS,按下按钮SB2,接触器KM闭合并自锁,绕线式转子三相异步电动机M串电阻R1、R2、R3起动运转,经过时间T1,接触器KM1闭合,切除电阻R1,电动机转速加快;经过时间T2,接触器KM2闭合,切除电阻R2,电动机转速进一步加快;经过时间T3,接触器KM3闭合,切除所有电阻,电动机按额定转速运转,完成串电阻起动过程。

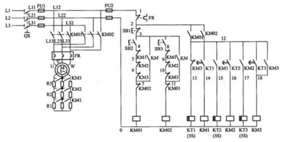
电动机控制线路5
控制原理:在图20中,按下绕线式转子三相异步电动机M的正转起动按钮SB2,接触器KM01闭合,绕线式转子三相异步电动机M串电阻R1、R2、R3正向起动运转。经过时间T1,接触器KM1闭合,切除电阻R1,电动机正转起动转速加快;经过时间T2,接触器KM2闭合,切除电阻R2,电动机正转起动转速进一步加快;经过时间T3,接触器KM3闭合,切除所有电阻,电动机按额定转速正转运转,完成串电阻正转起动过程。
当按下绕线式转子三相异步电动机M的反转起动按钮SB3,接触器KM02闭合,绕线式转子三相异步电动机M串电阻R1、R2、R3反向起动运转。经过时间T1,接触器KM1闭合,切除电阻R1,电动机反转起动转速加快;经过时间T2,接触器KM2闭合,切除电阻R2,电动机反转起动转速进一步加快;经过时间T3,接触器KM3闭合,切除所有电阻,电动机按额定转速反向运转,完成串电阻反转起动过程。
下一篇:拉丝机中关于变频器的调试指南